LEMON Manuals: Even more car manuals for everyone
Home >> Jeep >> 2007 >> Commander Base, 4.7 P, AWD >> Repair and Diagnosis >> Transmission >> Transmission Control Systems >> 545RFE Automatic Transmission (Service Information) >> 545RFE - Service Information >> Assembly >> Automatic Transmission 45/545RFE

Automatic Transmission 45/545RFE

NOTE: Apply trans jell or petroleum jelly to all slide portions, rolling contacts surfaces, thrust surfaces etc. to prevent burnout during initial operation. Lubricate O-rings and O-ring seals with MOPAR® ATF+4. Soak all friction disks in MOPAR® ATF+4 for at least two hours before assembly of clutch packs.
NOTE: Clean and inspect all components. Replace any components which show evidence of excessive wear or scoring.
NOTE: If the transmission assembly is being reconditioned (clutch/seal replacement) or replaced, it is necessary to perform the Quick Learn Procedure using the scan tool. Refer to STANDARD PROCEDURE .
Fig 1: 545RFE Bearing Orientation
GC0051662Courtesy of CHRYSLER LLC
1 - THRUST BEARING NO. 1 8 - THRUST BEARING NO. 8
2 - THRUST BEARING NO. 2 9 - THRUST BEARING NO. 9
3 - THRUST BEARING NO. 3 10 - THRUST BEARING NO. 10
4 - THRUST BEARING NO. 4 11 - THRUST BEARING NO. 11
5 - THRUST BEARING NO. 5 12 - THRUST BEARING NO. 12
6 - THRUST BEARING NO. 6 13 - OUTPUT SHAFT BEARING
7 - THRUST BEARING NO. 7 -
Fig 2: Installing Selector Shaft Seal
GC0005221Courtesy of CHRYSLER LLC
1 - SEAL
2 - TOOL 8253
  1. Install a new selector shaft seal (1) using Seal Installer 8253 (2). See Fig 2.
    Fig 3: Removing Manual Shaft Lever
    GC0005220Courtesy of CHRYSLER LLC
    1 - MANUAL SHAFT LEVER
  2. Install the manual selector shaft and retaining screw. Tighten the manual selector shaft retaining screw to 28 N.m (250 in. lbs.).
  3. Install the manual shift lever (1) onto the manual selector shaft. Tighten the retaining cross-bolt to 16 N.m (140 in. lbs.). See Fig 3.
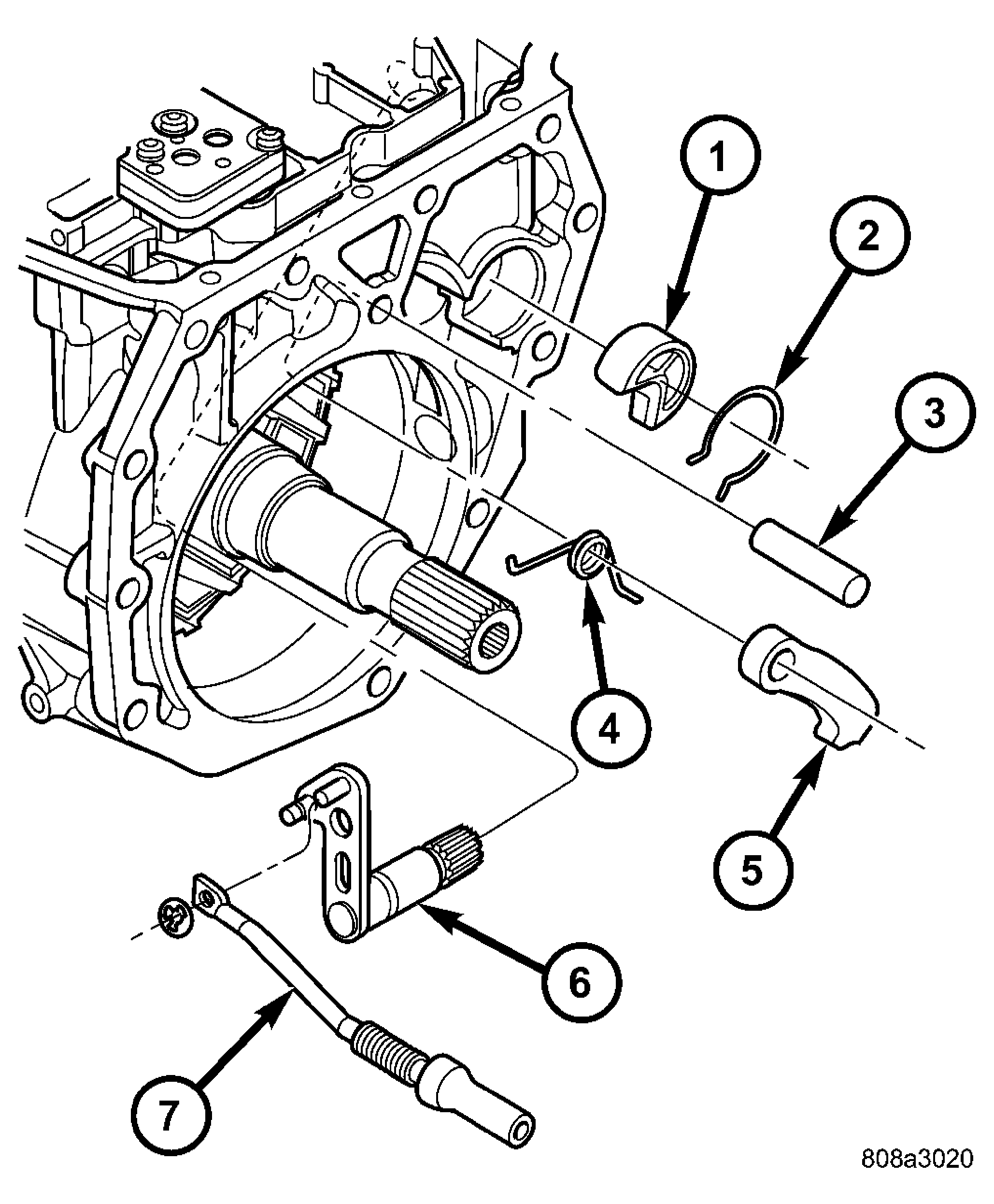
    Fig 4: Removing/Installing Manual Shaft/Park Lock Components
    GC0005218Courtesy of CHRYSLER LLC
    1 - GUIDE
    2 - SNAP-RING
    3 - SHAFT
    4 - SPRING
    5 - PARK PAWL
    6 - MANUAL SHAFT/LEVER
    7 - PARK ROD
  4. Install the park pawl (5), spring (4), and shaft (3). See Fig 4.
  5. Install the park rod (7) and e-clip. See Fig 4.
  6. Install the park rod guide (1) and snap-ring (2). See Fig 4.
    Fig 5: Installing Dipstick Tube Seal Using Tool 8254
    GC0005222Courtesy of CHRYSLER LLC
    1 - TOOL 8254
    2 - SEAL
  7. Install a new fill tube seal (2) using Seal Installer 8254 (1). See Fig 5.
    Fig 6: Removing/Installing 2C Clutch Pack
    GC0005212Courtesy of CHRYSLER LLC
    1 - SNAP-RING
    2 - PLATE
    3 - DISC
    4 - REACTION PLATE
    NOTE: Before final assembly of transmission centerline, the 2C/4C clutch components should be installed into position and measured as follows:
  8. Install the 2C reaction plate (4) with the beveled edge down (rearward) into the transmission case. See Fig 6.
  9. Install the 2C clutch pack (2, 3) into the transmission case. See Fig 6.
  10. Install the flat 2C clutch snap-ring (1) into the transmission case. See Fig 6.
    Fig 7: Installing 4C Clutch Retainer/Bulkhead
    GC0005211Courtesy of CHRYSLER LLC
    1 - SNAP-RING
    2 - 4C CLUTCH RETAINER/BULKHEAD
  11. Install the 4C retainer/bulkhead (2) into the transmission case. Make sure that the oil feed holes are pointing toward the valve body area. See Fig 7.
  12. Install the 4C retainer/bulkhead tapered snap-ring (1) into the transmission case. Make sure that the open ends of the snap-ring are located in the case opening toward the valve body area.
  13. Using a feeler gauge through the opening in the rear of the transmission case, measure the 2C clutch pack clearance between the 2C reaction plate and the transmission case at four different points. The average of these measurements is the 2C clutch pack clearance. The correct clutch clearance is 0.455-1.335 mm (0.018-0.053 in.). The reaction plate is not selective. If the clutch pack clearance is not within specification, the reaction plate, all the friction discs, and steels must be replaced.
  14. Remove the 4C retainer/bulkhead and all of the 2C clutch components from the transmission case.
    Fig 8: Removing/Installing Low/Reverse Clutch Retainer
    GC0005217Courtesy of CHRYSLER LLC
    1 - LOW/REVERSE OVERRUNNING CLUTCH ASSEMBLY
    2 - SNAP-RING
  15. Install the low/reverse clutch assembly (1). Make sure that the oil feed hole points toward the valve body area and that the bleed orifice is aligned with the notch in the rear of the transmission case.
  16. Install the snap-ring (2) to hold the low/reverse clutch retainer into the transmission case. The snap-ring is tapered and must be installed with the tapered side forward. Once installed, verify that the snap-ring is fully seated in the snap-ring groove. See Fig 8.
  17. Air check the low/reverse clutch and verify correct overrunning clutch operation.
    Fig 9: Removing/Installing Input/Reverse Planetary Assembly
    GC0005216Courtesy of CHRYSLER LLC
    1 - INPUT/REVERSE PLANETARY ASSEMBLY
    2 - BEARING NUMBER 9
    3 - BEARING NUMBER 12
  18. Install the number 12 thrust bearing (3) over the output shaft and against the rear planetary gear set. The flat side of the bearing goes toward the planetary gearset and the raised tabs on the inner race should face the rear of the transmission.
  19. Install the reverse/input planetary assembly (1) through the low/reverse clutch assembly. See Fig 9.
    Fig 10: Removing/Installing Park Sprag Gear
    GC0005215Courtesy of CHRYSLER LLC
    1 - PARK SPRAG GEAR
  20. Install the park sprag gear (1) onto the output shaft. See Fig 10.
    Fig 11: Removing/Installing Park Sprag Snap Ring
    GC0005214Courtesy of CHRYSLER LLC
    1 - SNAP-RING
  21. Install the snap-ring (1) to hold the park sprag onto the output shaft. See Fig 11.
    Fig 12: Removing/Installing 2C Clutch Pack
    GC0005212Courtesy of CHRYSLER LLC
    1 - SNAP-RING
    2 - PLATE
    3 - DISC
    4 - REACTION PLATE
  22. Install the 2C reaction plate (4) with the beveled edge down (rearward) into the transmission case. See Fig 12.
  23. Install the 2C clutch pack (2, 3, 4) into the transmission case. See Fig 12.
    Fig 13: Removing/Installing Reaction Annulus and Carrier
    GC0005213Courtesy of CHRYSLER LLC
    1 - THRUST BEARING NUMBER 8 5 - THRUST BEARING NUMBER 7
    2 - THRUST BEARING NUMBER 9 6 - THRUST PLATE (SELECT)
    3 - REACTION PLANETARY CARRIER 7 - THRUST BEARING NUMBER 6
    4 - REACTION SUN GEAR 8 - REACTION ANNULUS
  24. Install the number 8 thrust bearing (1) inside the reaction carrier with the outer race against the reaction planetary carrier (3).
  25. Install the reaction planetary gear set and the number 9 thrust bearing (2), with the inner race against the reaction planetary carrier (3), into the transmission case. See Fig 13.
  26. Install the flat 2C clutch snap-ring into the transmission case. See Fig 12.
  27. Install the reaction sun gear (4) into the reaction planetary gear set. Make sure  the small shoulder is facing the front of the transmission. See Fig 13.
  28. Install the number 7 thrust bearing (5) onto the reaction sun gear (4) with the inner race against the sun gear. See Fig 13.
    Fig 14: Thrust Plate Alignment
    GC0005223Courtesy of CHRYSLER LLC
    1 - LOCATING LUG (3)
    2 - THRUST PLATE
  29. Install the output shaft selective thrust plate (2) onto the reaction annulus with the oil grooves facing the annulus gear and the lugs (1) and notches aligned as shown. See Fig 14.
    Fig 15: Removing/Installing Reaction Annulus and Carrier
    GC0005213Courtesy of CHRYSLER LLC
    1 - THRUST BEARING NUMBER 8 5 - THRUST BEARING NUMBER 7
    2 - THRUST BEARING NUMBER 9 6 - THRUST PLATE (SELECT)
    3 - REACTION PLANETARY CARRIER 7 - THRUST BEARING NUMBER 6
    4 - REACTION SUN GEAR 8 - REACTION ANNULUS
  30. Install the number 6 thrust bearing (7) against the output shaft selective thrust plate (6) with the flat side against the thrust plate and the raised tabs on the inner race facing the front of the transmission. See Fig 15.
  31. Install the reaction annulus (8) into the reaction planetary gear set. See Fig 15.
    Fig 16: Removing/Installing 4C Clutch Retainer/Bulkhead
    GC0005219Courtesy of CHRYSLER LLC
    1 - SNAP-RING
    2 - 4C CLUTCH RETAINER/BULKHEAD
  32. Install the 4C retainer/bulkhead (2) into the transmission case. Make sure that the oil feed holes are pointing toward the valve body area. Rotate the reaction annulus during the installation of the 4C retainer/bulkhead to ease installation.
  33. Install the 4C retainer/bulkhead tapered snap-ring (1) into the transmission case with the taper toward the front of the case. Make sure that the open ends of the snap-ring are located in the case opening toward the valve body area. See Fig 16.
  34. Air check the 2C and 4C clutch operation.
    Fig 17: Measuring Output Shaft End Play
    GC0005205Courtesy of CHRYSLER LLC
    1 - TOOL 10065
    2 - TOOL 8266-20
    3 - TOOL C-3339
  35. Using Alignment Plate 8261 (1), Adapter 8266-17 from End-Play Tool Set 8266 (2) and Dial Indicator C-3339 (3), measure and record the output shaft end-play. The correct output shaft end-play is 0.22-0.55 mm (0.009-0.021 in.). Adjust as necessary. Install the chosen output shaft selective thrust plate and re-measure end-play to verify selection. See Fig 17.

    Output Shaft End Play Selectable Bearing Spacer Thickness

    1. 09 = 2.18 mm (0.086 in.)
    2. 10 = 2.33 mm (0.092 in.)
    3. 11 = 2.48 mm (0.098 in.)
    4. 12 = 2.63 mm (0.103 in.)
    5. 13 = 2.78 mm (0.109 in.)
    6. 14 = 2.69 mm (0.115 in.)
    7. 43 = 3.08 mm (0.121 in.)
    8. 16 = 3.23 mm (0.127 in.)
    9. 17 = 3.38 mm (0.133 in.)
    10. 18 = 3.53 mm (0.139 in.)
    11. 19 = 3.68 mm (0.145 in.)
  36. Apply a bead of RTV silicone and install the extension/adapter housing onto the transmission case.
  37. Install and torque the bolts to hold the extension/adapter housing onto the transmission case. The correct torque is 54 N.m (40 ft.lbs.).
    Fig 18: Removing/Installing Input Clutch Assembly
    GC0005210Courtesy of CHRYSLER LLC
    1 - THRUST BEARING NUMBER 5
    2 - THRUST PLATE (SELECT)
    3 - INPUT CLUTCH ASSEMBLY
    4 - THRUST BEARING NUMBER 1
  38. Install the number 5 thrust bearing (1) and selective thrust plate (2) onto the 4C retainer/bulkhead. Be sure that the outer race of the bearing is against the thrust plate. See Fig 18.
  39. Install the input clutch assembly (3) into the transmission case. Make sure that the input clutch assembly is fully installed by performing a visual inspection through the input speed sensor hole. If the tone wheel teeth on the input clutch assembly are centered in the hole, the assembly is fully installed. See Fig 18.
  40. Install the number 1 thrust bearing (4) with the outer race up in the pocket of the input clutch assembly. See Fig 18
    Fig 19: Removing/Installing Oil Pump
    GC0005209Courtesy of CHRYSLER LLC
    1 - OIL PUMP TO CASE BOLT (6)
    2 - OIL PUMP
  41. Install the oil pump (2) into the transmission case making certain the oil pump is flush with the transmission case. See Fig 19.
  42. Install the bolts (1) to hold the oil pump into the transmission case. Tighten the oil pump bolts to 28 N.m (250 in. lbs.).
    Fig 20: Measuring Input Shaft End Play
    GC0005204Courtesy of CHRYSLER LLC
    1 - TOOL 8266
    2 - TOOL C-3339
    NOTE: When measuring the input shaft end-play, two "stops" will be felt. When the input shaft is pushed inward and the dial indicator zeroed, the first "stop" felt when the input shaft is pulled outward is the movement of the input shaft in the input clutch housing hub. This value should not be included in the end-play measured value and therefore must be recorded and subtracted from the dial indicator reading. If NO input shaft end play is noted, disassemble the input clutch assembly and check for the #2, #3, or #4 thrust bearing fallen out of position or cracked. Replace any cracked thrust bearing and reassemble using trans jell or petroleum jelly to retain the thrust bearings.
  43. Using Adapter 8266-1 from End-Play Tool Set 8266 (1) and Dial Indicator C-3339 (2), measure and record the input shaft end-play. The correct end-play is 0.46-0.89 mm (0.018-0.035 in.). Adjust as necessary. Install the chosen thrust plate on the number 5 thrust bearing and re-measure end-play to verify selection. See Fig 20.

    Input Shaft End Play Selectable Bearing Spacer Thickness

    1. 27 = 1.57 mm (0.062 in.)
    2. 28 = 1.71 mm (0.067 in.)
    3. 29 = 1.85 mm (0.073 in.)
    4. 30 = 1.99 mm (0.078 in.)
    5. 31 = 2.13 mm (0.084 in.)
    6. 32 = 2.27 mm (0.089 in.)
    7. 33 = 2.41 mm (0.095 in.)
    8. 34 = 2.55 mm (0.100 in.)
    9. 35 = 2.69 mm (0.106 in.)
    10. 36 = 2.83 mm (0.111 in.)
    11. 37 = 2.97 mm (0.117 in.)
    12. 38 = 3.11 mm (0.122 in.)
    13. 39 = 3.25 mm (0.128 in.)
    14. 40 = 3.39 mm (0.133 in.)
    15. 41 = 3.67 mm (0.144 in.)
    Fig 21: Front Cover
    GC0051664Courtesy of CHRYSLER LLC
    1 - Front Cover
    2 - Front Cover O-Ring
    3 - Snap Ring
    4 - Front Cover Seal
    NOTE: To avoid contamination and garter spring dislodgement, do not handle the front cover seal when installing the front cover into the transmission case. 
  44. Position the new front cover (1) onto transmission case.
    Fig 22: Front Cover Installation Tool
    GC0051665Courtesy of CHRYSLER LLC
    1 - Front Cover installation Tool 9955
  45. Using a dead-blow mallet and the Front Cover installation tool 9955, install the front cover into the transmission case.
  46. Install the snap ring into the transmission case.
    Fig 23: Removing/Installing Valve Body Assembly
    GC0005207Courtesy of CHRYSLER LLC
    1 - VALVE BODY TO CASE BOLT (6)
  47. Install the valve body. Verify that the pin on the manual lever has properly engaged the TRS selector plate. Tighten the valve body to transmission case bolts (1) to 12 N.m (105 in. lbs.). See Fig 23.
    Fig 24: Identifying Valve Body Assembly
    GC0051663Courtesy of CHRYSLER LLC
    1 - PRIMARY OIL FILTER
    2 - COOLER RETURN FILTER
    3 - VALVE BODY
    CAUTION: The primary oil filter seal MUST be fully installed flush against the oil pump body. DO NOT install the seal onto the filter neck and attempt to install the filter and seal as an assembly. Damage to the transmission will result.
  48. Install a new primary oil filter seal in the oil pump inlet bore. Seat the seal in the bore with the butt end of a hammer, or other suitable tool.
  49. Install the primary oil filter (1) and the oil cooler return filter (2). Tighten the screw to hold the primary oil filter to the valve body to 4.5 N.m (40 in. lbs.). Using Filter Wrench 8321, tighten the cooler return oil filter to the transmission case to 9.5 N.m (84 in. lbs.).
  50. Apply RTV silicone to the oil pan and install the transmission oil pan. Tighten the bolts to 12 N.m (105 in. lbs.).
    Fig 25: Locating Input Speed, Output Speed and Line Pressure Sensors
    GC0005202Courtesy of CHRYSLER LLC
    1 - OUTPUT SPEED SENSOR
    2 - LINE PRESSURE SENSOR
    3 - INPUT SPEED SENSOR
  51. Install the input (3), output (1), and line pressure sensors (2). See Fig 25. Tighten the bolts to 12 N.m (105 in. lbs.).