LEMON Manuals: Even more car manuals for everyone
Home >> Subaru >> 2020 >> Forester Base >> Repair and Diagnosis (Single Page) >> Accessories & Equipment >> Anti-Theft Systems >> Security And Locks - Keyless Access (W/Push Button Start) (Diagnostics) >> Diagnostic Procedure with Diagnostic Trouble Code (DTC) >> DTC B2285: Steering Lock Position Signal Correlation

DTC B2285: Steering Lock Position Signal Correlation

DTC detecting condition: 

When any of the following conditions is established with ignition switch ON.

Trouble symptom: 

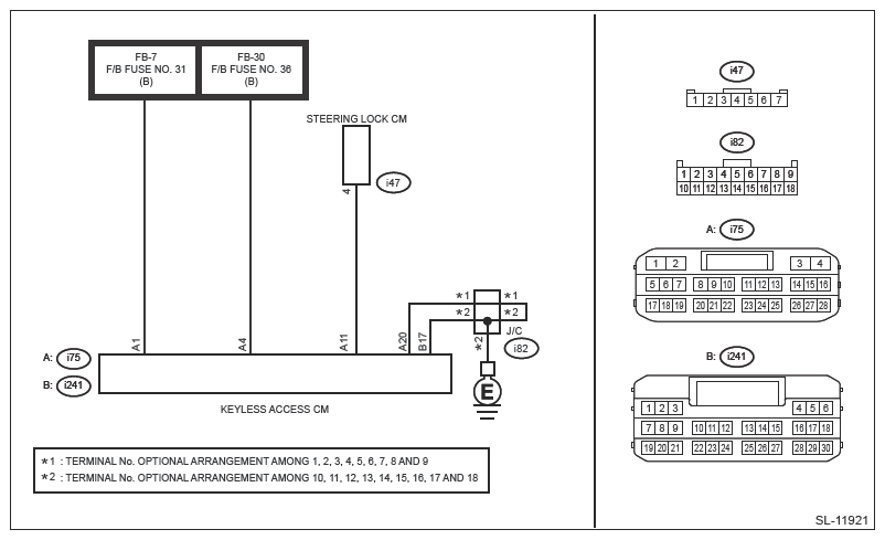
Wiring diagram: 

Keyless access with push button start system Ref. to WIRING SYSTEM>KEYLESS ACCESS WITH PUSH BUTTON START SYSTEM>WIRING DIAGRAM .

G13595793Courtesy of SUBARU OF AMERICA, INC.
CAUTION:
  1. CHECK LAN SYSTEM. 

    Perform the diagnosis for LAN system. Ref. to LAN SYSTEM (DIAGNOSTICS)>BASIC DIAGNOSTIC PROCEDURE>PROCEDURE .

    Is the check result OK?

    Yes:  Go to  2.

    No:  Perform the inspection according to the diagnosis for LAN system.

  2. CHECK DTC. 

    Read the DTC of [Keyless Access with Push Button Start] using the Subaru Select Monitor. Ref. to KEYLESS ACCESS WITH PUSH BUTTON START (DIAGNOSTICS)>DIAGNOSTIC TROUBLE CODE (DTC) .

    Is DJC B2785 displayed? (Current malfunction)

    Yes:  Perform the diagnosis of DTC B2785. Ref. to KEYLESS ACCESS WITH PUSH BUTTON START (DIAGNOSTICS)>DIAGNOSTIC PROCEDURE WITH DIAGNOSTIC TROUBLE CODE (DTC)>DTC B2785 LIN COMMUNICATION .

    No:  Go to  3.

  3. CHECK DATA MONITOR. 

    Using the Subaru Select Monitor, check the following items in the [Data Monitor] of [Keyless Access with Push Button Start]. Ref. to KEYLESS ACCESS WITH PUSH BUTTON START (DIAGNOSTICS)>DATA MONITOR .

    When locked:

    • Lock side sensor status: ON
    • Unlock side sensor status: OFF
    • Lock confirmation: Set
    • Unlock confirmation: Unconfirmed When unlocked:
    • Lock side sensor status: OFF
    • Unlock side sensor status: ON
    • Lock confirmation: Unconfirmed
    • Unlock confirmation: OK
      NOTE: To lock the steering lock, turn off the power, and open → close, or close → open the driver's door. To unlock the steering lock, turn the ignition switch to ACC ON or IGN ON.

    Is the display shown as above according to the steering lock status?

    Yes:  Go to  4.

    No:  Replace the steering lock Control Module. Ref. to SECURITY AND LOCKS>STEERING LOCK CONTROL MODULE>REPLACEMENT .

  4. CHECK DATA MONITOR. 

    Using the Subaru Select Monitor, check the following items in the [Data Monitor] of [Keyless Access with Push Button Start]. Ref. to KEYLESS ACCESS WITH PUSH BUTTON START (DIAGNOSTICS)>DATA MONITOR .

    When locked:

    • Steering unlock SW: OFF

    When unlocked:

    • Steering unlock SW: ON
    NOTE: To lock the steering lock, turn off the power, and open → close, or close → open the driver's door. To unlock the steering lock, turn the ignition switch to ACC ON or IGN ON.

    Is the display shown as above according to the steering lock status?

    Yes:  Replace the keyless access Control Module. Ref. to SECURITY AND LOCKS>KEYLESS ACCESS CONTROL MODULE>REMOVAL .

    No:  Go to  5.

  5. CHECK FUSE. 

    Check the fuse. Ref. to SECURITY AND LOCKS>RELAY AND FUSE>INSPECTION .

    Is the check result OK?

    Yes:  Go to  6.

    No:  Replace the fuse. When the replaced fuse is blown immediately, check the power supply circuit for short-circuited.

  6. CHECK HARNESS. 
    1. Disconnect the keyless access Control Module connector.
    2. Using a tester, measure the voltage between keyless access Control Module connectors.

      Connector & terminal 

      (i75) No. 1 (+) - Chassis ground (-):

      (i75) No. 4 (+) - Chassis ground (-):

    Is the voltage 9.5 - 16 V?

    Yes:  Go to  7.

    No:  Check the power supply circuit.

  7. CHECK HARNESS (OPEN CIRCUIT). 

    Using a tester, measure the resistance between the keyless access Control Module connector and chassis ground.

    Connector & terminal 

    (i241) No. 17 - Chassis ground:

    (i75) No. 20 - Chassis ground:

    Is the resistance less than 1 Ω?

    Yes:  Go to  8.

    No:  Repair or replace the open circuit of harness.

  8. CHECK STEERING LOCK CONTROL MODULE. 

    Using a tester, measure the resistance between the steering lock Control Module connector and chassis ground.

    Connector & terminal 

    (i47) No. 4 - Chassis ground:

    Does the following occur? Steering lock: 10 kΩ or more - Steering unlock: less than 1 Ω

    Yes:  Go to  9.

    No:  Replace the steering lock Control Module. Ref. to SECURITY AND LOCKS>STEERING LOCK CONTROL MODULE>REPLACEMENT .

  9. CHECK HARNESS (OPEN CIRCUIT). 
    1. Disconnect the keyless access Control Module connector.
    2. Disconnect the steering lock Control Module connector.
    3. Using a tester, measure the resistance between the keyless access Control Module connector and steering lock Control Module connector.

      Connector & terminal 

      (i75) No. 11 - (i47) No. 4:

    Is the resistance less than 1 Ω?

    Yes:  Go to  10.

    No:  Repair or replace the open circuit of harness.

  10. CHECK HARNESS (GROUND SHORT CIRCUIT). 

    Using a tester, measure the resistance between the keyless access Control Module connector and chassis ground.

    Connector & terminal 

    (i75) No. 11 - Chassis ground:

    Is the resistance 10 kΩ or more?

    Yes:  Replace the keyless access Control Module. Ref. to SECURITY AND LOCKS>KEYLESS ACCESS CONTROL MODULE>REMOVAL .

    No:  Repair or replace the short circuit of the harness.