LEMON Manuals: Even more car manuals for everyone
Home >> Subaru >> 2017 >> Crosstrek Base >> Repair and Diagnosis >> Body & Frame >> Door Locks >> Security And Locks - Keyless Access (W/Push Button Start) (Diagnostics) >> Diagnostic Procedure with Diagnostic Trouble Code (DTC) >> DTC B2788: IGN Signal Correlation (Steering Lock Control Module)

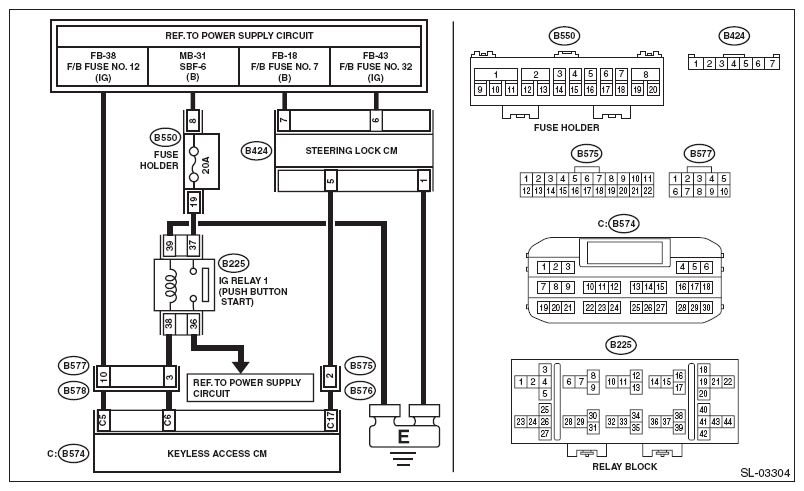
DTC B2788: IGN Signal Correlation (Steering Lock Control Module)

DTC detecting condition: 

When mismatch occurs in the IG1 input of the steering lock Control Module for both LIN communication line input (IG1 input value of keyless access Control Module) and solid line input.

Trouble symptom: 

The steering lock cannot be released.

CAUTION: For replacement procedure of steering lock Control Module, refer to the "REGISTRATION MANUAL FOR IMMOBILIZER" provided as a separate volume.

Wiring diagram: 

Push button start system Ref. to WIRING DIAGRAM , Push Button Start System.

Fig 1: IGN Signal Correlation (Steering Lock Control Module) - Wiring Diagram
G10219822Courtesy of SUBARU OF AMERICA, INC.
Step Check Yes No
1 CHECK FUSE. 
Check the fuse. Ref. to Relay and Fuse .
Is the fuse OK? Go to step . Replace the fuse. When the replaced fuse is blown immediately, check the power supply circuit for short-circuited.
2 CHECK CURRENT DATA. 
Check the current data display of «Keyless Access with Push Button Start» using Subaru Select Monitor. Ref. to READ CURRENT DATA .
  • «IGN SW»
Is the display normal according to the ignition switch operation? Go to step . Go to step .
3 CHECK HARNESS (OPEN CIRCUIT). 
  1. Disconnect the steering lock Control Module connector.
  2. Using a tester, measure the resistance between the steering lock Control Module connector and chassis ground.

Connector & terminal 
(B424) No. 1 - Chassis ground: 
Is the resistance less than 1 Ω? Go to step . Repair or replace the open circuit of harness.
4 CHECK HARNESS. 
  1. Connect the steering lock Control Module connector.
  2. Using the tester, measure the voltage between terminals.

    Connector & terminal 

    (B424) No. 6 (+) - (B424) No. 1 (-): 

Is the voltage 11 - 14 V with IG ON? Is the voltage less than 1 V with IG OFF? Replace the steering lock Control Module. Ref. to REMOVAL , Steering Lock Control Module.
Check the DC power supply circuit.
5 CHECK DTC. 
Read the DTC using Subaru Select Monitor. Ref. to READ DIAGNOSTIC TROUBLE CODE (DTC) .
Is DTC B2271 displayed? Perform the diagnosis according to DTC B2271. Ref. to DTC B2271 IGN RELAY CONTROL CIRCUIT , Diagnostic Procedure with Diagnostic Trouble Code (DTC). Replace the keyless access Control Module. Ref. to REMOVAL , Keyless Access Control Module.