LEMON Manuals: Even more car manuals for everyone
Home >> Jeep >> 2004 >> Wrangler SE, Automatic >> Repair and Diagnosis >> Engine Performance >> System >> Emissions Control System >> Leak Detection Pump >> Installation

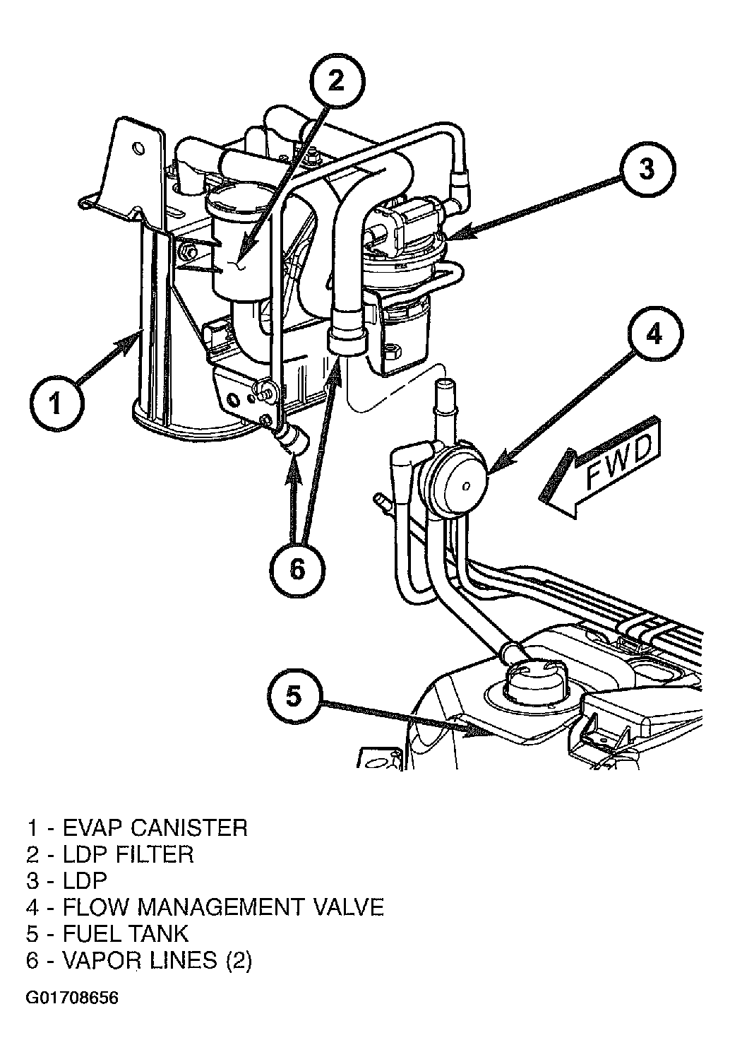
Leak Detection Pump: Installation

The Leak Detection Pump (LDP), LDP Filter, and EVAP canister are attached to a common support bracket. This support assembly is located to the rear of the right / rear tire under the plastic wheelhouse liner. See Figure. The LDP filter is also located near the EVAP canister. See Figure. The LDP and LDP filter are replaced (serviced) as one unit.

  1. Install LDP and 3 mounting bolts to common support bracket. Tighten bolts to 1 N.m (11 in. lbs.) torque.
  2. If necessary, install LDP filter to common support bracket. Tighten bolt to 7 N.m (65 in. lbs.) torque.
  3. Install EVAP canister to common support bracket and install 4 mounting nuts. See Figure.
  4. Carefully install vapor/vacuum lines to LDP, LDP filter and EVAP canister. The vapor/vacuum lines and hoses must be firmly connected. Check the vapor/vacuum lines at the LDP, LDP filter and EVAP canister purge solenoid for damage or leaks. If a leak is present, a Diagnostic Trouble Code (DTC) will be set. 
  5. Raise assembly into position while connecting electrical connector to LDP. Do not allow this assembly to hang from the wire harness. While assembly is still being supported, connect 2 vapor lines to fuel tank. This connection is made near the right/rear corner of the fuel tank. Carefully connect these 2 vapor lines near top of flow management valve. See Figure. Be very careful not to bend or kink the vapor lines. If lines leak, a Diagnostic Trouble Code (DTC) will be set. 
  6. Position common support bracket assembly to body. Install and tighten bolts.
  7. Install vertical support bracket. See Figure.
  8. Install wheelhouse liner at right/rear wheel.
  9. Install right/rear tire/wheel.