LEMON Manuals: Even more car manuals for everyone
Home >> Toyota >> 2004 >> Matrix Base, FWD, Automatic >> Repair and Diagnosis >> External Pages >> Different car >> Section 129 (Engine Control System Self Diagnostics) >> Diagnostic Tests >> DTC P0617: Starter Relay Circuit High >> Diagnosis & Repair

Diagnosis & Repair

WARNING: This page is about a different car, the 2003 Toyota Land Cruiser. However, it is still accessible from the selected car via links, so may be relevant.
NOTE: Using Toyota hand-held tester or scan tool, read FREEZE FRAME data. Freeze frame data records engine conditions when malfunction is detected.

For diagnosis and repair procedure with Toyota hand-held tester or Enhanced OBD II scan tool, see Fig 1.

For diagnosis and repair procedure with generic OBD II scan tool, see Fig 2.

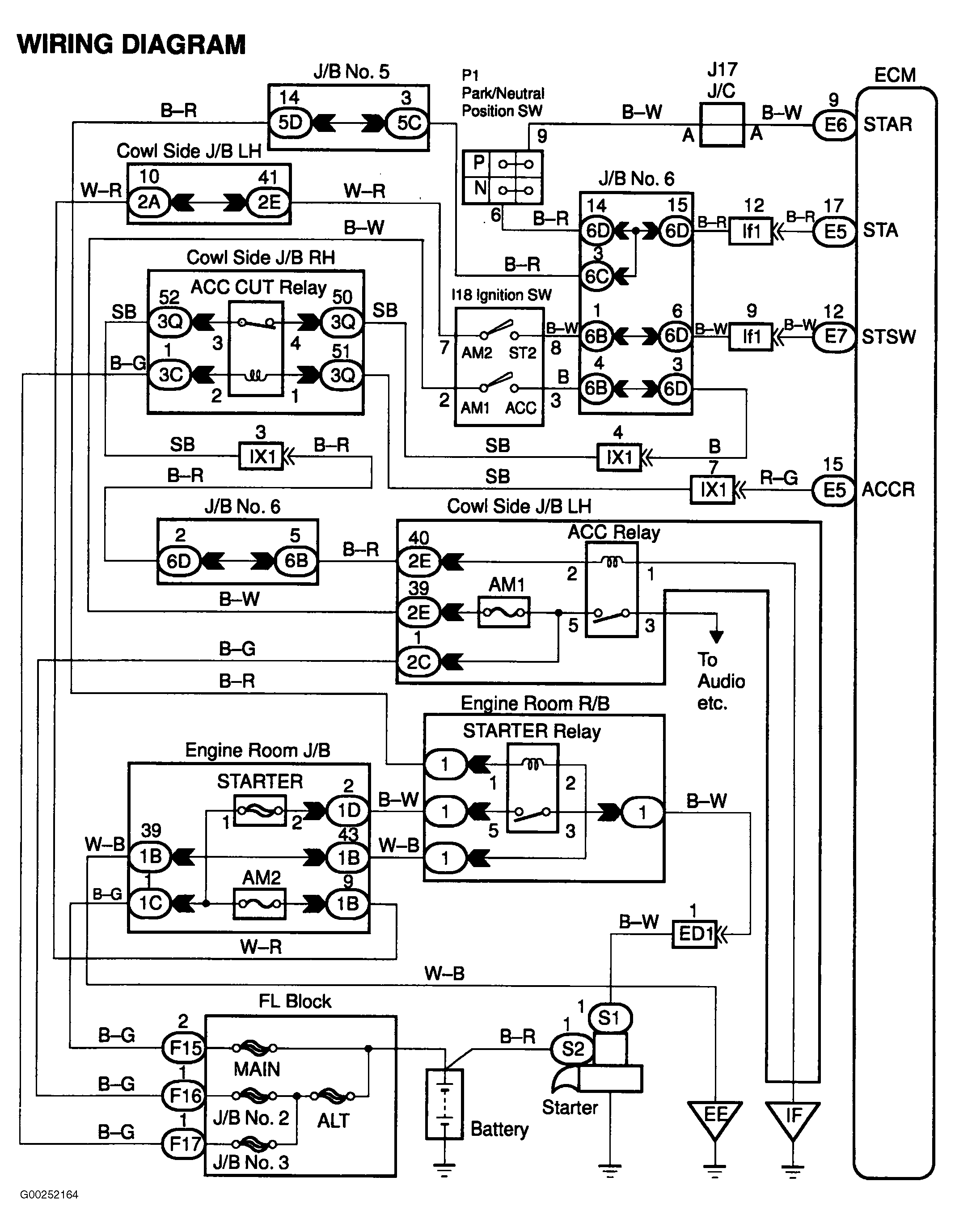
For ECM location, see Figure. For ECM connector terminal view, see Figure. For starter relay circuit wiring diagram, see Fig 3. For location of emission related components, see Figure.

For testing of systems or components, see SYSTEM & COMPONENT TESTING - V6 & V8 article. For adjustments, see ON-VEHICLE ADJUSTMENTS - V6 & V8 article. For removal and installation of components, see REMOVAL & INSTALLATION - V6 & V8 article.

Fig 1: DTC P0617 Diagnostic Procedure Using Hand Held Tester
G00247552Courtesy of © TOYOTA, LICENSE AGREEMENT TMS1002
Fig 2: DTC P0617 Diagnostic Procedure Using OBD II Scan Tool
G00247553Courtesy of © TOYOTA, LICENSE AGREEMENT TMS1002
Fig 3: Starter Relay Circuit Wiring Diagram
G00252164Courtesy of © TOYOTA, LICENSE AGREEMENT TMS1002