LEMON Manuals: Even more car manuals for everyone
Home >> Toyota >> 2004 >> Matrix Base, FWD, Automatic >> Repair and Diagnosis >> External Pages >> Different car >> Section 129 (Engine Control System Self Diagnostics) >> Diagnostic Tests >> DTC P0504: Brake Switch "A"/"B" Correlation >> Diagnosis & Repair

Diagnosis & Repair

WARNING: This page is about a different car, the 2003 Toyota Land Cruiser. However, it is still accessible from the selected car via links, so may be relevant.
NOTE: Using Toyota hand-held tester or scan tool, read FREEZE FRAME data. Freeze frame data records engine conditions when malfunction is detected.

For diagnosis and repair procedure, see Fig 1.

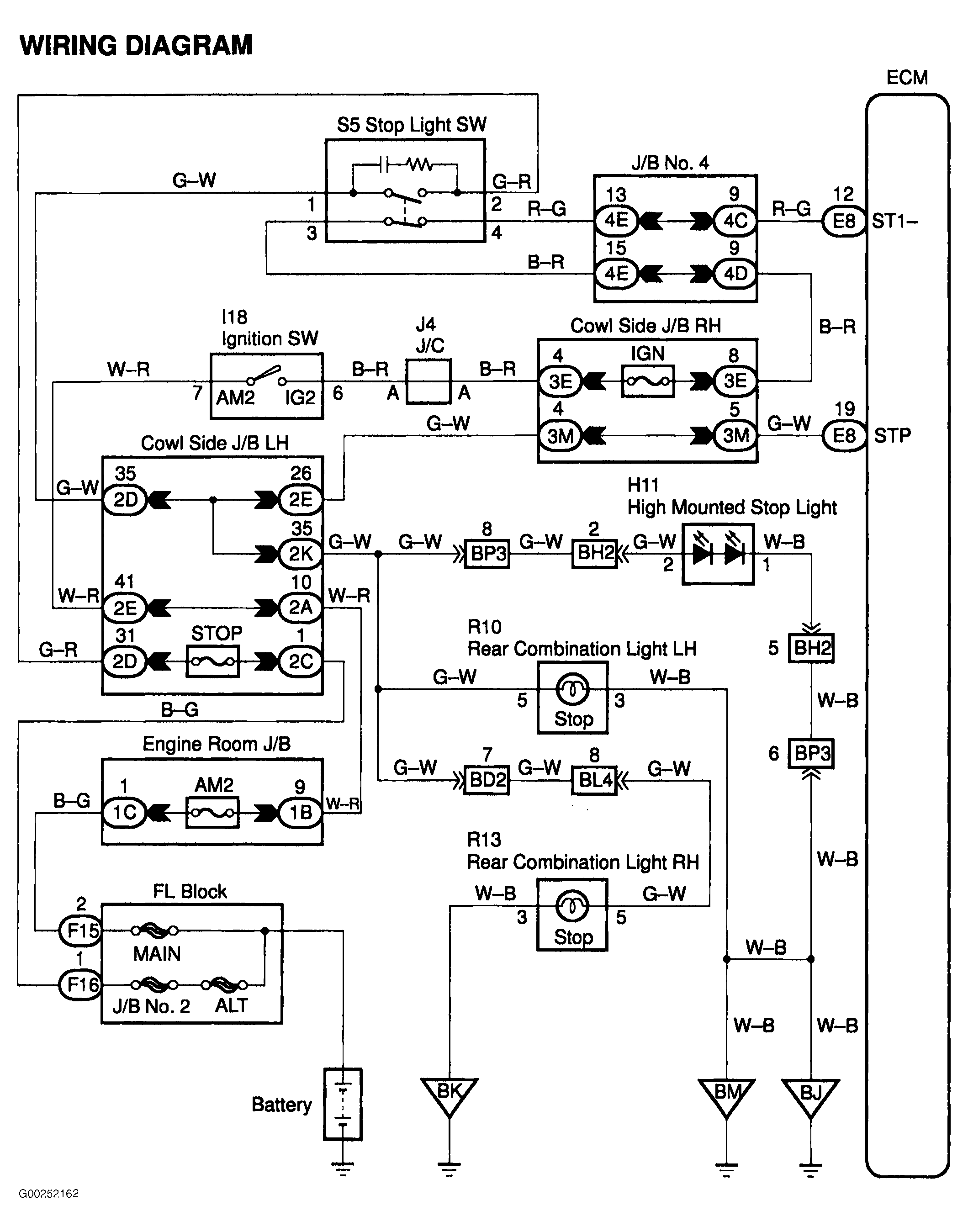
For ECM location, see Figure. For ECM connector terminal view, see Figure. For brake switch circuit wiring diagram, see Fig 2. For location of emission related components, see Figure.

For testing of systems or components, see SYSTEM & COMPONENT TESTING - V6 & V8 article. For adjustments, see ON-VEHICLE ADJUSTMENTS - V6 & V8 article. For removal and installation of components, see REMOVAL & INSTALLATION - V6 & V8 article.

Fig 1: DTC P0504 Diagnostic Procedure
G00247549Courtesy of © TOYOTA, LICENSE AGREEMENT TMS1002
Fig 2: Brake Switch Circuit Wiring Diagram
G00252162Courtesy of © TOYOTA, LICENSE AGREEMENT TMS1002