LEMON Manuals: Even more car manuals for everyone
Home >> Suzuki >> 2013 >> Kizashi Base, Standard Trans >> Repair and Diagnosis >> External Pages >> Different variant/trim >> Section 1 (Continuously Variable Transaxle (CVT)) >> Diagnostic Information and Procedures >> DTC P1824 : Learning Value Initialization Data Reading Error >> Circuit Diagram

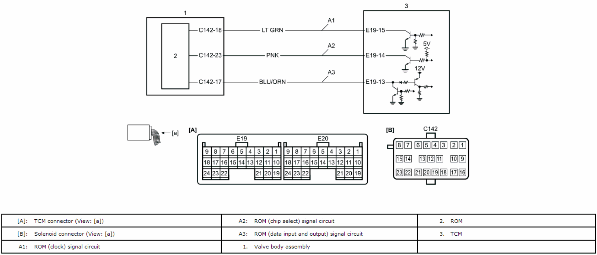
Circuit Diagram

WARNING: This page is about a different variant/trim than selected.
Fig 1: ROM Circuit Wiring Diagram
G00519722Courtesy of SUZUKI OF AMERICA CORP.