DTC B227B: Push Engine Start Switch Input Performance
DTC detecting condition:
When any of the following conditions is established.
- Judgment of Switch ON stuck is present. (When any of the following conditions is established)
- The status continues for 40 seconds where push button ignition switch input (SSW1 terminal) is ON ("L" level) and push button ignition switch input (SSW2 terminal) is OFF ("H" level).
- The status continues for 40 seconds where push button ignition switch input (SSW1 terminal) is OFF ("H" level) and push button ignition switch input (SSW2 terminal) is ON ("L" level).
- Judgment of OFF stuck is present. (When any of the following conditions is established 3 times in a row)
Only when a series of judgment is continuously made with the same judgment condition under either condition of 1 or 2.
- Push button ignition switch input (SSW1 terminal) is OFF ("H" level) → ON ("L" level) → OFF, and push button ignition switch input (SSW2 terminal) is OFF ("H" level).
- Push button ignition switch input (SSW1 terminal) is OFF ("H" level), and push button ignition switch input (SSW2 terminal) is OFF ("H" level) → ON ("L" level) → OFF.
Trouble symptom:
- Power supply cannot be turned ON.
- Power supply cannot be turned OFF.
- System alarm sounds.
Failure detection pattern:
- "Primary" (high-priority diagnosis)
Warning light/indicator light:
- Security indicator lightO
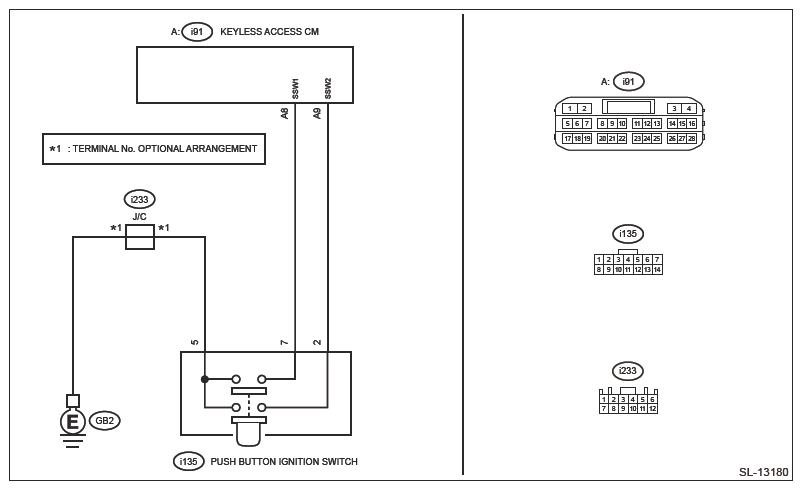
Wiring diagram:
Keyless access with push button start system Ref. to WIRING SYSTEM>KEYLESS ACCESS WITH PUSH BUTTON START SYSTEM>WIRING DIAGRAM .
- For replacement procedure of keyless access control module, refer to the "REGISTRATION MANUAL FOR IMMOBILIZER" provided as a separate volume.
- Before performing diagnosis, refer to "CAUTION" in "General Description". Ref. to KEYLESS ACCESS WITH PUSH BUTTON START (DIAGNOSTICS)>GENERAL DESCRIPTION>CAUTION .
- CHECK DTC
.
- Turn the ignition switch to ON.
- Using the Subaru Select Monitor, perform the clear memory of [Keyless Access with Push Button Start (Power Supply)]. Ref. to COMMON (DIAGNOSTICS)>CLEAR MEMORY .
- Press the push button ignition switch to perform OFF → ACC ON → IGN ON respectively for one minute.
- Turn the ignition switch to OFF.
- Disconnect the connector from the keyless access control module and reconnect it.
- Turn the ignition switch to ON.
- Read the DTC of [Keyless Access with Push Button Start (Power Supply)] using the Subaru Select Monitor. Ref. to KEYLESS ACCESS WITH PUSH BUTTON START (DIAGNOSTICS)>DIAGNOSTIC TROUBLE CODE (DTC) .
Is DTC B227B displayed? (Current code)
Yes : GO TO 2.
No : Even if DTC is displayed, the circuit has returned to a normal condition at this time. Reproduce the failure, and then perform the diagnosis again.
NOTE: In this case, temporary poor contact of connector, temporary open or short circuit of harness may be the cause. - CHECK HARNESS (OPEN CIRCUIT)
.
- Turn the ignition switch to OFF.
- Disconnect the connector from the push button ignition switch.
- Disconnect the connector from the keyless access control module.
- Using a tester, measure the resistance between the push button ignition switch connector and the keyless access control module connector and chassis ground.
Connector & terminal
(i135) No. 2 - (i91) No. 9:
(i135) No. 7 - (i91) No. 8:
(i135) No. 5 - Chassis ground
Is the resistance less than 1 Ω?
Yes : GO TO 3.
No : Repair or replace the open circuit of harness.
- CHECK PUSH BUTTON IGNITION SWITCH UNIT
.
Perform individual inspection of the push button ignition switch. Ref. to SECURITY AND LOCKS>PUSH BUTTON IGNITION SWITCH>INSPECTION .
Is the check result OK?
Yes : GO TO 4.
No : Replace the push button ignition switch. Ref. to SECURITY AND LOCKS>PUSH BUTTON IGNITION SWITCH .
- CHECK DATA MONITOR
.
- Connect the disconnected connectors.
- Turn the ignition switch to ON.
- Using the Subaru Select Monitor, check the following items in the [Data Monitor] of [Keyless Access with Push Button Start (Power Supply)]. Ref. to KEYLESS ACCESS WITH PUSH BUTTON START (DIAGNOSTICS)>DATA MONITOR .
- Push start SW 1
- Push start SW 2
Is it turned [ON] when pressing the push button ignition switch?
Yes : Even if DTC is displayed, the circuit has returned to a normal condition at this time. Reproduce the failure, and then perform the diagnosis again.
NOTE: In this case, temporary poor contact of connector, temporary open or short circuit of harness may be the cause.No : Replace the keyless access control module. Ref. to SECURITY AND LOCKS>KEYLESS ACCESS CONTROL MODULE>REMOVAL .