LEMON Manuals: Even more car manuals for everyone
Home >> Subaru >> 2021 >> Ascent Base >> Repair and Diagnosis >> Body & Frame >> Door Locks >> Security And Locks - Keyless Access (W/Push Button Start) (Diagnostics) >> Diagnostic Procedure with Diagnostic Trouble Code (DTC) >> DTC B227C: P Range Signal Performance

DTC B227C: P Range Signal Performance

DTC detecting condition: 

When any of the following conditions is established for CVT model.

Trouble symptom: 

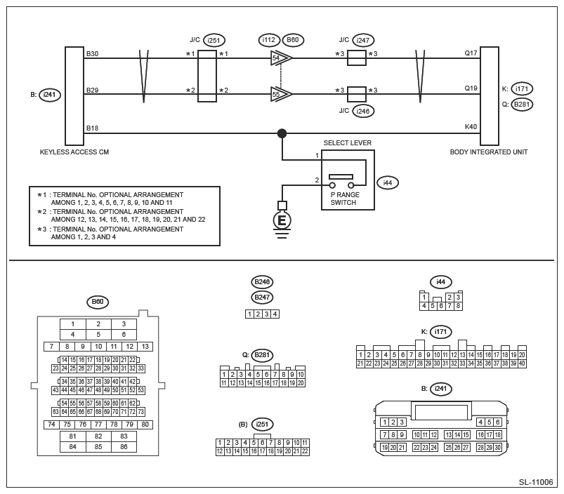
Wiring diagram: 

Keyless access with push button start system Ref. to WIRING SYSTEM>Keyless Access With Push Button Start System>WIRING DIAGRAM .

G13203356Courtesy of SUBARU OF AMERICA, INC.
CAUTION:
  • For replacement procedure of keyless access control module, refer to the "REGISTRATION MANUAL FOR IMMOBILIZER" provided as a separate volume.
  • Before performing diagnosis, refer to "CAUTION" in "General Description". Ref. to KEYLESS ACCESS WITH PUSH BUTTON START (DIAGNOSTICS)>General Description>CAUTION .
  1. CHECK DTC  .
    1. Disconnect and reconnect the keyless access control module connector.
    2. Using the Subaru Select Monitor, perform the clear memory of [Keyless Access with Push Button Start]. Ref. to COMMON (diag)>CLEAR MEMORY .
    3. Turn the IGN switch to ON.
    4. Place the shift lever in other than P and leave it for one minute.
    5. Read the DTC of [Keyless Access with Push Button Start] using the Subaru Select Monitor. Ref. to KEYLESS ACCESS WITH PUSH BUTTON START (DIAGNOSTICS)>Diagnostic Trouble Code (DTC) .

    Is DTC B227C displayed? (Current malfunction)

    Yes  : Go to  2.

    No  : Even if DTC is displayed, the circuit has returned to a normal condition at this time. Reproduce the failure, and then perform the diagnosis again.

    NOTE: In this case, temporary poor contact of connector, temporary open or short circuit of harness may be the cause.
  2. CHECK HARNESS (OPEN CIRCUIT)  .
    1. Disconnect the P range switch connector.
    2. Disconnect the keyless access control module connector.
    3. Using a tester, measure the resistance between the P range switch connector and the keyless access control module connector.

      Connector & terminal 

      (i44) No. 1 - (i241) No. 18:

    Is the resistance less than 1 Ω?

    Yes  : Go to  3.

    No  : Repair or replace the open circuit of harness.

  3. CHECK HARNESS (GROUND SHORT CIRCUIT)  .
    1. Disconnect the keyless access control module connector.
    2. Using a tester, measure the resistance between the keyless access control module connector and chassis ground.

      Connector & terminal 

      (i241) No. 18 - Chassis ground:

    Is the resistance 10 kΩ or more?

    Yes  : Go to  4.

    No  : Repair or replace the short circuit of the harness.

  4. CHECK HARNESS (OPEN CIRCUIT)  .
    1. Disconnect the body integrated unit connector.
    2. Using a tester, measure the resistance between body integrated unit connector and keyless access control module connector.

      Connector & terminal 

      (B281) No. 17 - (i241) No. 30

      (B281) No. 19 - (i241) No. 29

    Is the resistance less than 1 Ω?

    Yes  : Go to  5.

    No  : Repair or replace the open circuit of harness.

  5. CHECK P RANGE SWITCH  .

    Check the P range switch. Ref. to CONTROL SYSTEMS>Shift Lock Solenoid and P Range Switch>INSPECTION .

    Is the P range switch normal?

    Yes  : Go to  6.

    No  : Replace the P range switch. Ref. to CONTROL SYSTEMS>SHIFT LOCK SOLENOID AND P RANGE SWITCH .

  6. CHECK DATA MONITOR  .

    Using the Subaru Select Monitor, check the following items in the [Data Monitor] of [Keyless Access with Push Button Start]. Ref. to KEYLESS ACCESS WITH PUSH BUTTON START (DIAGNOSTICS)>DATA MONITOR .

    • Shift P signal (AT only)

    Is it turned ON when the shift position is "P"? Is it turned OFF when the shift position is other than "P"?

    Yes  : Even if DTC is displayed, the circuit has returned to a normal condition at this time. Reproduce the failure, and then perform the diagnosis again.

    NOTE: In this case, temporary poor contact of connector, temporary open or short circuit of harness may be the cause.

    No  : Replace the keyless access control module. Ref. to SECURITY AND LOCKS>KEYLESS ACCESS CONTROL MODULE .