LEMON Manuals: Even more car manuals for everyone
Home >> Subaru >> 2021 >> Ascent Base >> Repair and Diagnosis (Single Page) >> Accessories & Equipment >> Anti-Theft Systems >> Security And Locks - Keyless Access (W/Push Button Start) (Diagnostics) >> Diagnostic Procedure with Diagnostic Trouble Code (DTC) >> DTC B2274: Acc Relay Control Circuit

DTC B2274: Acc Relay Control Circuit

DTC detecting condition: 

When any of the following conditions is established.

Trouble symptom: 

Each function does not operate at the ACC position.

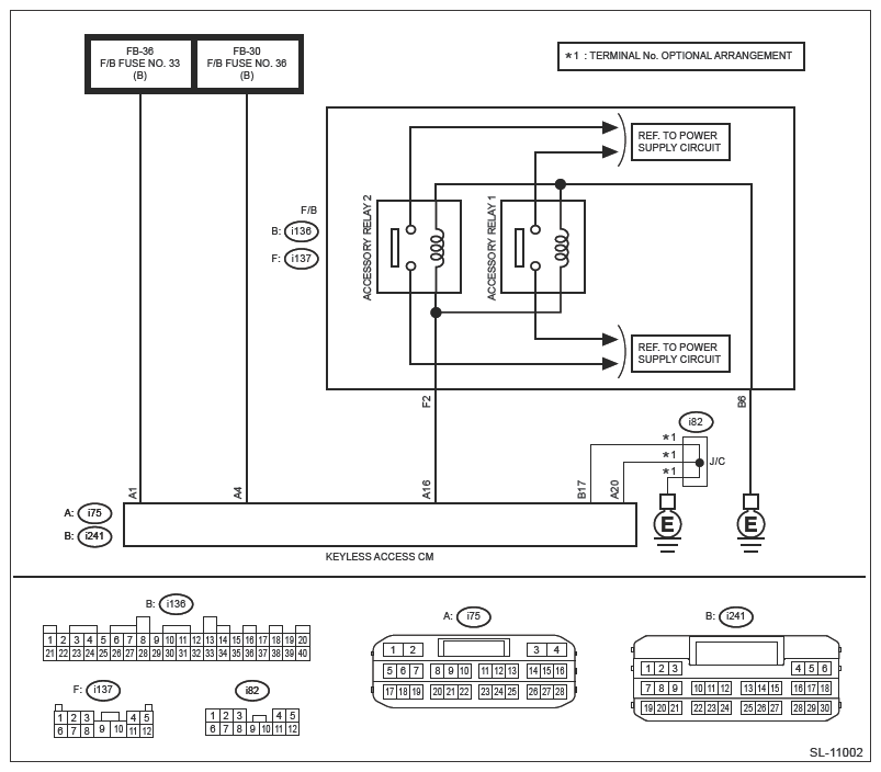
Wiring diagram: 

G13203352Courtesy of SUBARU OF AMERICA, INC.
CAUTION:
  • For replacement procedure of keyless access control module, refer to the "REGISTRATION MANUAL FOR IMMOBILIZER" provided as a separate volume.
  • Before performing diagnosis, refer to "CAUTION" in "General Description". Ref. to KEYLESS ACCESS WITH PUSH BUTTON START (DIAGNOSTICS)>General Description>CAUTION .
  1. CHECK LAN SYSTEM  .

    Inspect LAN system. Ref. to LAN SYSTEM (DIAGNOSTICS)>Basic Diagnostic Procedure>PROCEDURE .

    Is the check result OK?

    Yes  : Go to  2.

    No  : Perform the inspection according to the diagnosis for LAN system.

  2. CHECK FUSE  .

    Check the fuse. Ref. to SECURITY AND LOCKS>RELAY AND FUSE .

    Is the check result OK?

    Yes  : Go to  3.

    No  : Replace the fuse. When the replaced fuse is blown immediately, check the power supply circuit for short-circuited.

  3. CHECK HARNESS  .
    1. Disconnect the keyless access control module connector.
    2. Using a tester, measure the resistance between the keyless access control module connector and chassis ground.

      Connector & terminal 

      (i75) No. 1 (+) - Chassis ground (-):

      (i75) No. 4 (+) - Chassis ground (-):

    Is the voltage 9.5 - 16 V?

    Yes  : Go to  4.

    No  : Check the power supply circuit.

  4. CHECK HARNESS (OPEN CIRCUIT)  .

    Using a tester, measure the resistance between the keyless access control module connector and chassis ground.

    Connector & terminal 

    (i241) No. 17 - Chassis ground:

    (i75) No. 20 - Chassis ground:

    Is the resistance less than 1 Ω?

    Yes  : Go to  5.

    No  : Repair or replace the open circuit of harness.

  5. CHECK HARNESS  .
    1. Disconnect the keyless access control module connector.
    2. Using a tester, measure the resistance between the keyless access control module connector and chassis ground.

      Connector & terminal 

      (i75) No. 16 - Chassis ground:

    Is the resistance 152.61 - 216.5 Ω? (At 20°C (68°F))

    Yes  : Go to  7.

    No  : Go to  6.

  6. CHECK RELAY  .

    Perform inspection of ACC relay unit. Ref. to SECURITY AND LOCKS>RELAY AND FUSE .

    Is the relay OK?

    Yes  : Go to  7.

    No  : Replace the relay.

  7. CHECK HARNESS (OPEN CIRCUIT)  .

    Using a tester, measure the resistance between the keyless access control module connector and the accessory relay (push button start), and between the accessory relay (push button start) and chassis ground.

    Connector & terminal 

    (i75) No. 16 - (i137) No. 2:

    (i136) No. 6 - Chassis ground:

    Is the resistance less than 1 Ω?

    Yes  : Go to  8.

    No  : Repair or replace the open circuit of harness.

  8. CHECK KEYLESS ACCESS CONTROL MODULE  .
    1. Connect the keyless access control module connector.
    2. Using a tester, measure the voltage between keyless access control module connectors.

      Connector & terminal 

      (i75) No. 16 (+) - Chassis ground (-):

    Does the voltage change as 1 V or less → 9.5 - 16 V according to the operation of OFF → ACC ON?

    Yes  : Even if DTC is displayed, the circuit has returned to a normal condition at this time. Reproduce the failure, and then perform the diagnosis again.

    NOTE: In this case, temporary poor contact of connector, temporary open or short circuit of harness may be the cause.

    No  : Replace the keyless access control module. Ref. to SECURITY AND LOCKS>KEYLESS ACCESS CONTROL MODULE .