DTC B2229: MFD Flash Memory
DTC detecting condition:
When malfunction of backup operation still remains after restarting it 10 times.
Trouble symptom:
- It malfunctions in each operation.
- Backup is not possible. (When an interruption occurs, a screen which is different from the last displayed screen is shown in the return destination screen.)
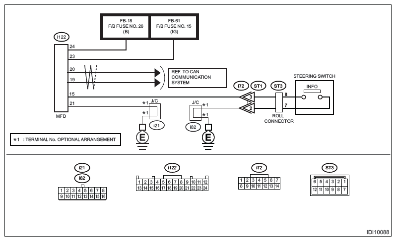
Wiring diagram:
- Except for hybrid model
Multi-function display (MFD) system Refer to WIRING SYSTEM (IMPREZA MODEL)>MULTI-FUNCTION DISPLAY (MFD) SYSTEM>WIRING DIAGRAM . Refer to WIRING SYSTEM (CROSSTREK MODEL (EXCEPT FOR HEV))>MULTI-FUNCTION DISPLAY (MFD) SYSTEM>WIRING DIAGRAM .
- Hybrid model
Multi-function display (MFD) system Refer to WIRING SYSTEM (CROSSTREK MODEL (HEV))>MULTI-FUNCTION DISPLAY (MFD) SYSTEM>WIRING DIAGRAM .
CAUTION: Before performing diagnosis, refer to "CAUTION" in "General Description". Refer to MULTI-FUNCTION DISPLAY (DIAGNOSTICS)>GENERAL DESCRIPTION>CAUTION .
- CHECK MFD LAST MEMORY.
- Turn the ignition switch to ON.
- Press MFD switch and select a screen other than the fuel economy screen.
- Turn the ignition switch to OFF. (ACC OFF)
- Turn the ignition switch to ON.
Is the MFD screen the same as the screen shown before the ignition switch is turned to OFF?
Yes: Go to 2.
No: Replace the MFD. Refer to INSTRUMENTATION/DRIVER INFO>MULTI-FUNCTION DISPLAY (MFD) .
- CHECK DTC.
- Using the Subaru Select Monitor, perform the clear memory of [Multi-Function Display]. Refer to COMMON (DIAG)>CLEAR MEMORY .
- Turn the ignition switch to OFF.
- Disconnect the MFD connector and reconnect it.
- Turn the ignition switch to ON.
- Read the DTC of [Multi-Function Display] using the Subaru Select Monitor. Refer to MULTI-FUNCTION DISPLAY (DIAGNOSTICS)>DIAGNOSTIC TROUBLE CODE (DTC) .
Is DTC B2229 displayed? (Current malfunction)
Yes: Go to 3.
No: Even if DTC (past malfunction) is displayed, the circuit has returned to a normal condition at this time. Reproduce the failure, and then perform the diagnosis again.
NOTE: In this case, temporary poor contact of connector, temporary open or short circuit of harness may be the cause. - CHECK HARNESS (GROUND SHORT CIRCUIT).
- Disconnect the MFD connector.
- Using a tester, measure the resistance between MFD connector and chassis ground.
Connector & terminal
(i122) No. 1 - 24 (other than No. 1, 6, 21) - Chassis ground:
Is the resistance 10 kΩ or more?
Yes: Replace the MFD. Refer to INSTRUMENTATION/DRIVER INFO>MULTI-FUNCTION DISPLAY (MFD) .
No: Even if DTC is displayed, the circuit has returned to a normal condition at this time. Reproduce the failure, and then perform the diagnosis again.
NOTE: In this case, temporary poor contact of connector, temporary open or short circuit of harness may be the cause.