LEMON Manuals: Even more car manuals for everyone
Home >> Subaru >> 2017 >> WRX Base >> Repair and Diagnosis >> External Pages >> Different car >> Section 49 (LAN Communication System (Diagnostics)) >> Diagnostic Procedure for Subaru Select Monitor Communication >> Inspection >> Check Using The Check Sheet Of Communication For Initializing

Check Using The Check Sheet Of Communication For Initializing

WARNING: This page is about a different car, the 2022 Subaru WRX. However, it is still accessible from the selected car via links, so may be relevant.
  1. MODULE INSTALLATION CHECK  .
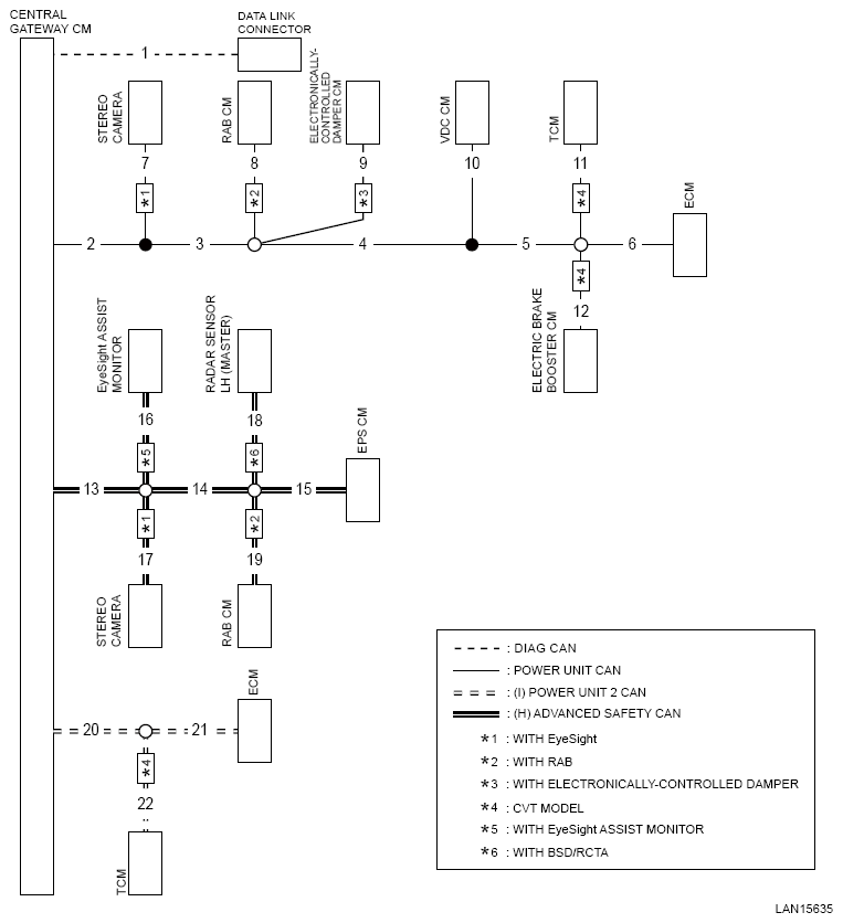
    1. Using the check sheet for communication for initializing, check the vehicle installation module (module targeted for CAN communication).
    2. Write "-" marks in the field for installation check (A) if the vehicle to be inspected does not have relevant module.
    3. Write "-" marks in all blank fields on the same row that the "-" mark has filled in.

    Was the module installation check above performed?

    Yes  : Go to  2.

    No  : Perform the module installation check, Go to  2.

  2. SUBARU SELECT MONITOR COMMUNICATION INITIALIZATION CHECK  .
    1. Connect the Subaru Select Monitor to the vehicle.
    2. Check if communication with the module installed on the vehicle is possible.
    3. Write " " marks in the field for communication initialization (B) if the module succeeded in the communication for initializing with Subaru Select Monitor. If the module failed in the communication, write a "x" mark.
    4. Write " " marks in all blank fields on the same row that the " " mark has filled in.
    5. When at least one field in a column of wiring location (C) is filled with the " " mark, then the wiring for that location is normal. Write " " marks in all blank fields on the same column that the " " mark has filled in under the circled number.

    Was the communication checked with all the modules installed on the vehicle?

    Yes  : Go to  3.

    No  : Perform the communication check, Go to  3.

  3. CHECK FIELD FOR COMMUNICATION FOR INITIALIZING (B)  .

    Check if communication with all the modules installed on the vehicle was possible.

    Is "x" written in all the fields for communication for initializing (B)? (The communication was not possible between all the modules and the Subaru Select Monitor.)

    Yes  : Go to  6.

    No  : Go to  4.

  4. CHECK WIRING LOCATION OF MODULE THAT CANNOT PERFORM COMMUNICATION  .

    Using the check sheet for communication for initializing, check open circuit of the modules which have no " " mark in their columns of the wiring location (C) in ascending order by referring to the network diagram.

    Is CAN communication line faulty?

    Yes  : Repair or replace the faulty portion of the harness.

    No  : Go to  5.

  5. CHECK POWER SUPPLY CIRCUIT OF CONTROL MODULE  .

    Check power supply circuit of the control module that cannot perform communication. (Check the harness between control module connector and battery, and check the fuse.)

    Is power supply circuit faulty?

    Yes  : Repair or replace the faulty portion of the power supply circuit.

    No  : Go to step  5 in the Basic Diagnostic Procedure. Ref. to LAN SYSTEM (DIAGNOSTICS)>BASIC DIAGNOSTIC PROCEDURE>PROCEDURE 

  6. CHECK CAN COMMUNICATION LINE  .

    Check for short circuit to ground of CAN communication line. Ref. to LAN SYSTEM (DIAGNOSTICS)>CAN COMMUNICATION CIRCUIT CHECK>INSPECTION>MORE THAN 52 Ω AND LESS THAN 62 Ω ((I) POWER UNIT 2 CAN) 

    Is CAN communication line faulty?

    Yes  : Repair or replace the faulty portion of the harness.

    No  : Go to  7.

  7. CHECK CAN COMMUNICATION LINE  .

    Check for short circuit to power supply of CAN communication line. Ref. to LAN SYSTEM (DIAGNOSTICS)>CAN COMMUNICATION CIRCUIT CHECK>INSPECTION>CHECK FOR SHORT TO POWER SUPPLY (POWER UNIT CAN) 

    Is CAN communication line faulty?

    Yes  : Repair or replace the faulty portion of the harness.

    No  : Go to  8.

  8. CHECK CAN COMMUNICATION LINE  .

    Check for short circuit between the CAN communication lines. Ref. to LAN SYSTEM (DIAGNOSTICS)>CAN COMMUNICATION CIRCUIT CHECK>INSPECTION > 52 Ω OR LESS ((I) POWER UNIT 2 CAN) 

    Is CAN communication line faulty?

    Yes  : Repair or replace the faulty portion of the harness.

    No  : Go to  9.

  9. CHECK CAN COMMUNICATION LINE  .

    Check the data link connector harness. (Check for open circuit of network diagram No. 1)

    Is CAN communication line faulty?

    Yes  : Repair or replace the faulty portion of the harness.

    No  : Go to  10.

  10. CHECK SUBARU SELECT MONITOR  .

    Connect the Subaru Select Monitor to another vehicle to check whether the communication can be executed normally.

    Is the Subaru Select Monitor OK?

    Yes  : It is possible that poor contact occurs at the data link connector.

    No  : The Subaru Select Monitor is faulty. Replace with a normal Subaru Select Monitor, and perform the diagnosis.