LEMON Manuals: Even more car manuals for everyone
Home >> Subaru >> 2017 >> WRX Base >> Repair and Diagnosis >> External Pages >> Different car >> Section 15 (Security And Locks - Keyless Access (W/Push Button Start) (Diagnostics)) >> Diagnostics with Phenomenon >> Inspection >> Access Key Lockout Protection Function In The Trunk Does Not Operate

Access Key Lockout Protection Function In The Trunk Does Not Operate

WARNING: This page is about a different car, the 2022 Subaru WRX. However, it is still accessible from the selected car via links, so may be relevant.

Trouble causes: 

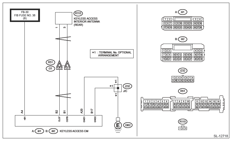
Wiring diagram: 

G14615311Courtesy of SUBARU OF AMERICA, INC.
G14615297Courtesy of SUBARU OF AMERICA, INC.
CAUTION:
  • Inspect LAN system according to the basic diagnostic procedure, and make sure that there is no fault. 
  • Check that the keyless access function is not stopped. 
  • When the access key or keyless access control module is replaced, registration of the immobilizer is required. For the relevant procedures, refer to the "REGISTRATION MANUAL FOR IMMOBILIZER" provided as a separate volume. 
  • Before performing diagnosis, refer to "CAUTION" in "General Description". Ref. to  KEYLESS ACCESS WITH PUSH BUTTON START (DIAGNOSTICS)>GENERAL DESCRIPTION>CAUTION  
  1. CHECK TRUNK OPENER SWITCH  .

    Check that the trunk opens with the driver's seat trunk opener switch.

    Does it open normally?

    Yes  : Go to  2.

    No  : Check the door lock circuit. Ref. to SECURITY AND LOCKS>DOOR LOCK CONTROL SYSTEM>INSPECTION

  2. CHECK KEYLESS OPERATION  .

    Check that the trunk opens when the trunk opener button of the access key is operated.

    Does it open normally?

    Yes  : Go to  7.

    No  : Go to  3.

  3. CHECK TRUNK UNLOCK OPERATION  .
    1. Turn the ignition switch to ON.
    2. Using the Subaru Select Monitor, check the following items in the [Active Test] of [Body Control]. Ref. to BODY CONTROL (DIAGNOSTICS)>ACTIVE TEST
      • R gate/trunk UNLOCK output
    3. Check that the trunk opens when [R gate/trunk UNLOCK output] is output.

    Does it open normally?

    Yes  : Go to  7.

    No  : Go to  4.

  4. CHECK HARNESS (OPEN CIRCUIT)  .
    1. Turn the ignition switch to OFF.
    2. Disconnect the connector from F/B.
    3. Disconnect the connector from the trunk lid lock actuator.
    4. Measure the resistance between the F/B connector and trunk lid lock actuator connector.

      Connector & terminal 

      (i4) No. 7 - (Td47) No. 1:

    Is the resistance less than 10 Ω?

    Yes  : Go to  5.

    No  : Repair or replace the open circuit of harness.

  5. CHECK HARNESS (OPEN CIRCUIT)  .

    Measure the resistance between the trunk lid lock actuator connector and chassis ground.

    Connector & terminal 

    (Td47) No. 2 - Chassis ground:

    Is the resistance less than 10 Ω?

    Yes  : Go to  6.

    No  : Repair or replace the open circuit of harness.

  6. CHECK TRUNK LID LOCK ACTUATOR  .

    Check the trunk lid lock actuator. Ref. to SECURITY AND LOCKS>TRUNK LID LATCH AND ACTUATOR ASSEMBLY>INSPECTION

    Is the check result OK?

    Yes  : Replace the body integrated unit. Ref. to BODY CONTROL/COMMUNICATION SYSTEM>BODY INTEGRATED UNIT>REMOVAL

    No  : Replace the trunk lid latch & actuator assembly. Ref. to SECURITY AND LOCKS>TRUNK LID LATCH AND ACTUATOR ASSEMBLY>REMOVAL

  7. CHECK ACCESS KEY  .
    1. Prepare all access keys registered to the vehicle.
    2. Check that the trunk opens with each access key.

    Does it open normally?

    Yes  : Go to  8.

    No  : Replace the access key. Ref. to SECURITY AND LOCKS>ACCESS KEY>REPLACEMENT

  8. CHECK HARNESS (OPEN CIRCUIT)  .
    1. Disconnect the interior rear antenna connector and the keyless access control module connector.
    2. Using a tester, measure the resistance between the interior rear antenna connector and keyless access control module connector.

      Connector & terminal 

      (R115) No. 1 - (i92) No. 2:

      (R115) No. 3 - (i92) No. 1:

    Is the resistance less than 10 Ω?

    Yes  : Go to  9.

    No  : Repair or replace the open circuit of harness.

  9. CHECK HARNESS (GROUND SHORT CIRCUIT)  .

    Using a tester, measure the resistance between the keyless access control module connector and chassis ground.

    Connector & terminal 

    (i92) No. 2 - Chassis ground:

    (i92) No. 1 - Chassis ground:

    Is the resistance 10 kΩ or more?

    Yes  : Go to  10.

    No  : Repair or replace the short circuit of the harness.

  10. CHECK PASSENGER ROOM REAR ANTENNA  .

    Replace the passenger room rear antenna with a new or properly functioning part. Ref. to SECURITY AND LOCKS>KEYLESS ACCESS INDOOR ANTENNA>REMOVAL

    Does it operate properly?

    Yes  : The passenger room rear antenna has a failure.

    No  : Go to  11.

  11. CHECK KEYLESS ACCESS SYSTEM CHECK  .
    1. Turn the ignition switch to ON.
    2. Using the Subaru Select Monitor, check the following items in the [Keyless Access with Push Button Start Check] of [Keyless Access with Push Button Start (Collation)]. Ref. to KEYLESS ACCESS WITH PUSH BUTTON START (DIAGNOSTICS)>WORK SUPPORT 
      • Trunk-internal transmitter - trunk-internal tuner
    3. Hold the access key 1 m or more away from the trunk opener button, and then come closer to within 0.8 m.

    Does the outside buzzer sound?

    Yes  : The circuit has returned to a normal condition at this time. Reproduce the failure, and then perform the diagnosis again.

    NOTE:

    In this case, temporary poor contact of connector, temporary open or short circuit of harness may be the cause. 

    No  : Replace the keyless access control module. Ref. to SECURITY AND LOCKS>KEYLESS ACCESS CONTROL MODULE>REMOVAL