LEMON Manuals: Even more car manuals for everyone
Home >> Subaru >> 2017 >> WRX Base >> Repair and Diagnosis >> External Pages >> Different car >> Section 15 (Security And Locks - Keyless Access (W/Push Button Start) (Diagnostics)) >> Diagnostic Procedure with Diagnostic Trouble Code (DTC) >> DTC B27A8: Trunk/Rear Gate External Antenna Open

DTC B27A8: Trunk/Rear Gate External Antenna Open

WARNING: This page is about a different car, the 2022 Subaru WRX. However, it is still accessible from the selected car via links, so may be relevant.

DTC detecting condition: 

When open circuit occurs in the harness between keyless access control module and rear exterior antenna.

Trouble symptom: 

Keyless access system does not function.

(Cannot unlock using trunk opener switch.)

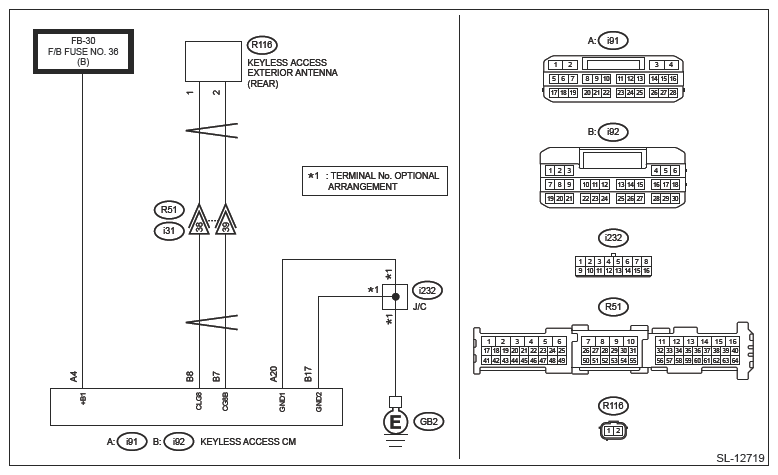
Wiring diagram: 

Keyless access with push button start system Ref. to WIRING SYSTEM>KEYLESS ACCESS WITH PUSH BUTTON START SYSTEM>WIRING DIAGRAM

G14615298Courtesy of SUBARU OF AMERICA, INC.
CAUTION:
  1. CHECK LAN SYSTEM  .

    Perform the diagnosis for LAN system. Ref. to LAN SYSTEM (DIAGNOSTICS)>BASIC DIAGNOSTIC PROCEDURE>PROCEDURE

    Is the check result OK?

    Yes  : Go to  2.

    No  : Perform the inspection according to the diagnosis for LAN system.

  2. CHECK CONNECTOR  .
    1. Disconnect the connector from the keyless access control module.
    2. Disconnect the connector from the rear exterior antenna.
    3. Check the connector.

    Is the check result OK?

    Yes  : Go to  3.

    No  : Repair or replace the connector.

  3. CHECK POWER SUPPLY CIRCUIT  .

    Using a tester, measure the voltage between the keyless access control module connector and chassis ground.

    Connector & terminal 

    (i91) No. 4 (+) - Chassis ground (-):

    Is the voltage 9.5 - 16 V?

    Yes  : Go to  4.

    No  : Check the power supply circuit.

  4. CHECK HARNESS (OPEN CIRCUIT)  .

    Using a tester, measure the resistance between the keyless access control module connector and rear exterior antenna connector, and between keyless access control module connector and chassis ground.

    Connector & terminal 

    (i92) No. 8 - (R116) No. 1:

    (i92) No. 7 - (R116) No. 2:

    (i92) No. 17 - Chassis ground:

    (i91) No. 20 - Chassis ground:

    Is the resistance less than 1 Ω?

    Yes  : Go to  5.

    No  : Repair or replace the open circuit of harness.

  5. CHECK HARNESS (GROUND SHORT CIRCUIT)  .

    Using a tester, measure the resistance between the keyless access control module connector and chassis ground.

    Connector & terminal 

    (i92) No. 8 - Chassis ground:

    (i92) No. 7 - Chassis ground:

    Is the resistance 10 kΩ or more?

    Yes  : Go to  6.

    No  : Repair or replace the short circuit of the harness.

  6. CHECK DTC  .
    1. Connect the disconnected connectors.
    2. Turn the ignition switch to ON.
    3. Using the Subaru Select Monitor, perform the clear memory of [Keyless Access with Push Button Start (Collation)]. Ref. to COMMON (DIAGNOSTICS)>CLEAR MEMORY
    4. Read the DTC of [Keyless Access with Push Button Start (Collation)] using the Subaru Select Monitor. Ref. to KEYLESS ACCESS WITH PUSH BUTTON START (DIAGNOSTICS)>DIAGNOSTIC TROUBLE CODE (DTC) 

    Is DTC B27A8 displayed? (Current code)

    Yes  : Go to  7.

    No  : Even if DTC is displayed, the circuit has returned to a normal condition at this time. Reproduce the failure, and then perform the diagnosis again.

    NOTE:

    In this case, temporary poor contact of connector, temporary open or short circuit of harness may be the cause. 

  7. CHECK KEYLESS ACCESS CONTROL MODULE  .
    1. Turn the ignition switch to OFF.
    2. Short the terminals of the rear exterior antenna connector (R116).

      Connector & terminal 

      (R116) No. 1 - (R116) No. 2:

    3. Turn the ignition switch to ON.
    4. Using the Subaru Select Monitor, perform the clear memory of [Keyless Access with Push Button Start (Collation)]. Ref. to COMMON (DIAGNOSTICS)>CLEAR MEMORY
    5. Read the DTC of [Keyless Access with Push Button Start (Collation)] using the Subaru Select Monitor. Ref. to KEYLESS ACCESS WITH PUSH BUTTON START (DIAGNOSTICS)>DIAGNOSTIC TROUBLE CODE (DTC) 

    Is DTC B27A8 displayed? (Current code)

    Yes  : Replace the keyless access control module. Ref. to SECURITY AND LOCKS>KEYLESS ACCESS CONTROL MODULE>REMOVAL

    No  : Malfunction occurred in the rear external antenna.