LEMON Manuals: Even more car manuals for everyone
Home >> Subaru >> 2017 >> WRX Base >> Repair and Diagnosis >> External Pages >> Different car >> Section 15 (Security And Locks - Keyless Access (W/Push Button Start) (Diagnostics)) >> Diagnostic Procedure with Diagnostic Trouble Code (DTC) >> DTC B2284: Brake Signal Correlation

DTC B2284: Brake Signal Correlation

WARNING: This page is about a different car, the 2022 Subaru WRX. However, it is still accessible from the selected car via links, so may be relevant.

DTC detecting condition: 

The status continues for 20 seconds where brake signals (ON/OFF) between direct line and CAN do not match with ignition switch ON.

Trouble symptom: 

If the hard-wired brake signal is faulty, the engine will not start with a normal operation.

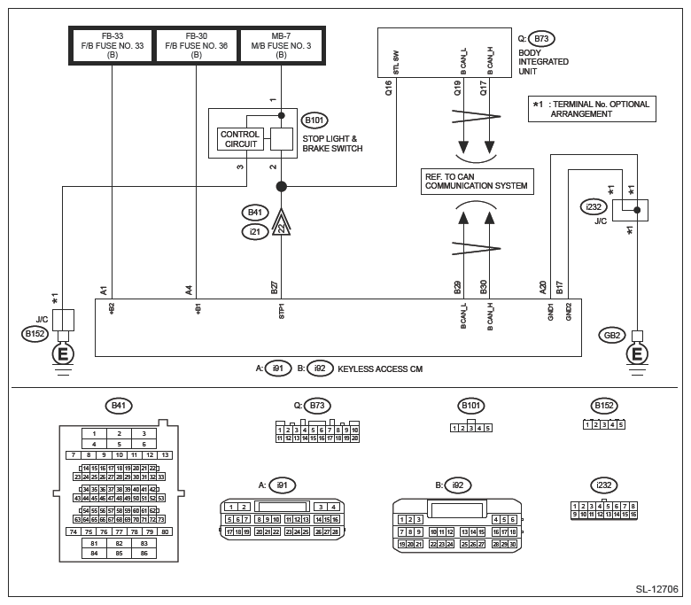
Wiring diagram: 

G14615280Courtesy of SUBARU OF AMERICA, INC.
CAUTION:
  1. CHECK LAN SYSTEM  .

    Perform the diagnosis for LAN system. Ref. to LAN SYSTEM (DIAGNOSTICS)>BASIC DIAGNOSTIC PROCEDURE>PROCEDURE

    Is the check result OK?

    Yes  : Go to  2.

    No  : Perform the inspection according to the diagnosis for LAN system.

  2. CHECK DATA MONITOR  .
    1. Turn the ignition switch to ON.
    2. Using the Subaru Select Monitor, check the following items in the [Data Monitor] of [Keyless Access with Push Button Start (Power Supply)]. Ref. to KEYLESS ACCESS WITH PUSH BUTTON START (DIAGNOSTICS)>DATA MONITOR 
      • Stop Light Switch

    Does the display change correctly according to the brake pedal operation?

    Yes  : Go to  3.

    No  : Check the stop light system. Ref. to LIGHTING SYSTEM>STOP LIGHT SYSTEM>INSPECTION

  3. CHECK DATA MONITOR  .

    Using the Subaru Select Monitor, check the following items in the [Data Monitor] of [Body Control]. Ref. to BODY CONTROL (DIAGNOSTICS)>DATA MONITOR

    • Stop Light Switch

    Does the display change correctly according to the brake pedal operation?

    Yes  : Go to  4.

    No  : Check body integrated unit. Ref. to BODY CONTROL (DIAGNOSTICS)>BASIC DIAGNOSTIC PROCEDURE>PROCEDURE And check the stop light switch circuit. Ref. to LIGHTING SYSTEM>STOP LIGHT SYSTEM>INSPECTION

  4. CHECK FUSE  .
    1. Turn the ignition switch to OFF.
    2. Check the fuse. Ref. to WIRING SYSTEM>KEYLESS ACCESS WITH PUSH BUTTON START SYSTEM>WIRING DIAGRAM

    Is the check result OK?

    Yes  : Go to  5.

    No  : Replace the fuse. When the replaced fuse is blown immediately, check the power supply circuit for short-circuited.

  5. CHECK HARNESS  .
    1. Disconnect the connector from the keyless access control module.
    2. Using a tester, measure the voltage between the keyless access control module connector and chassis ground.

      Connector & terminal 

      (i91) No. 1 (+) - Chassis ground (-):

      (i91) No. 4 (+) - Chassis ground (-):

    Is the voltage 9.5 - 16 V?

    Yes  : Go to  6.

    No  : Check the power supply circuit.

  6. CHECK HARNESS (OPEN CIRCUIT)  .

    Using a tester, measure the resistance between the keyless access control module connector and chassis ground.

    Connector & terminal 

    (i92) No. 17 - Chassis ground:

    (i91) No. 20 - Chassis ground:

    Is the resistance less than 1 Ω?

    Yes  : Go to  7.

    No  : Repair or replace the open circuit of harness.

  7. CHECK HARNESS (OPEN CIRCUIT)  .
    1. Disconnect the connector from stop light switch.
    2. Using a tester, measure the resistance between the keyless access control module connector and stop light switch connector.

      Connector & terminal 

      (i92) No. 27 - (B101) No. 2:

    Is the resistance less than 1 Ω?

    Yes  : Go to  8.

    No  : Repair or replace the open circuit of harness.

  8. CHECK HARNESS (GROUND SHORT CIRCUIT)  .

    Using a tester, measure the resistance between the keyless access control module connector and chassis ground.

    Connector & terminal 

    (i92) No. 27 - Chassis ground:

    Is the resistance 10 kΩ or more?

    Yes  : Go to  9.

    No  : Repair or replace the short circuit of the harness.

  9. CHECK HARNESS  .
    1. Connect the disconnected connectors.
    2. Using a tester, measure the voltage between the keyless access control module connector and chassis ground when the brake pedal is depressed.

      Connector & terminal 

      (i92) No. 27 (+) - Chassis ground (-):

    Does the voltage change as follows? Brake pedal not depressed: voltage of 1 V or less → Brake pedal depressed: voltage of 11 - 14 V

    Yes  : Replace the keyless access control module. Ref. to SECURITY AND LOCKS>KEYLESS ACCESS CONTROL MODULE>REMOVAL

    No  : Check the power supply circuit of stop light switch.