DTC B2282: Vehicle Speed Signal Correlation
DTC detecting condition:
When any of the following conditions is established with ignition switch ON.
- The status continues for 20 seconds where a vehicle speed signal on direct line is less than 5 km/h (3 MPH) and a vehicle speed signal on CAN is 25 km/h (16 MPH) or more.
- The status continues for 20 seconds where a vehicle speed signal on direct line is 25 km/h (16 MPH) or more and a vehicle speed signal on CAN is less than 5 km/h (3 MPH).
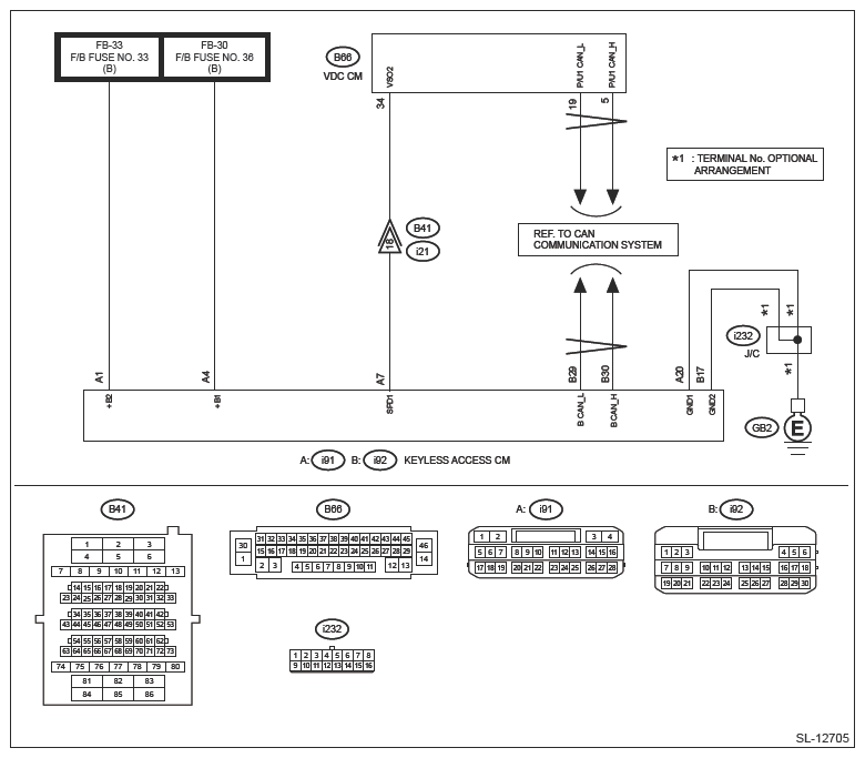
Wiring diagram:
- Keyless access with push button start system Ref. to WIRING SYSTEM>KEYLESS ACCESS WITH PUSH BUTTON START SYSTEM>WIRING DIAGRAM
- CAN communication system Ref. to WIRING SYSTEM>CAN COMMUNICATION SYSTEM>WIRING DIAGRAM
- For replacement procedure of keyless access control module, refer to the "REGISTRATION MANUAL FOR IMMOBILIZER" provided as a separate volume.
- Before performing diagnosis, refer to "CAUTION" in "General Description". Ref. to KEYLESS ACCESS WITH PUSH BUTTON START (DIAGNOSTICS)>GENERAL DESCRIPTION>CAUTION
- CHECK LAN SYSTEM
.
Perform the diagnosis for LAN system. Ref. to LAN SYSTEM (DIAGNOSTICS)>BASIC DIAGNOSTIC PROCEDURE>PROCEDURE
Is the check result OK?
Yes : Go to 2.
No : Perform the inspection according to the diagnosis for LAN system.
- CHECK COMBINATION METER
.
Check that the speedometer is displayed normally.
Is the check result OK?
Yes : Go to 3.
No : Perform the diagnosis for VDC. Ref. to BRAKE CONTROL (DIAGNOSTICS)>BASIC DIAGNOSTIC PROCEDURE
- CHECK DATA MONITOR
.
- Turn the ignition switch to ON.
- Using the Subaru Select Monitor, check the following items in the [Data Monitor] of [Keyless Access with Push Button Start (Power Supply)]. Ref. to KEYLESS ACCESS WITH PUSH BUTTON START (DIAGNOSTICS)>DATA MONITOR
- Vehicle speed signal
Is the display normal according to [Stopped status] or [Drive status]?
Yes : Even if DTC is displayed, the circuit has returned to a normal condition at this time. Reproduce the failure, and then perform the diagnosis again.
NOTE:In this case, temporary poor contact of connector, temporary open or short circuit of harness may be the cause.
No : Go to 4.
- CHECK HARNESS (OPEN CIRCUIT)
.
- Turn the ignition switch to OFF.
- Disconnect the connector from the keyless access control module.
- Disconnect the connector from VDC Control Module.
- Using a tester, measure the resistance between the keyless access control module connector and VDC Control Module connector.
Connector & terminal
(i91) No. 7 - (B66) No. 34:
Is the resistance less than 1 Ω?
Yes : Go to 5.
No : Repair or replace the open circuit of harness.
- CHECK HARNESS (GROUND SHORT CIRCUIT)
.
Using a tester, measure the resistance between the keyless access control module connector and chassis ground.
Connector & terminal
(i91) No. 7 - Chassis ground:
Is the resistance 30 kΩ or more?
Yes : Go to 6.
No : Repair or replace the short circuit of the harness.
- CHECK KEYLESS ACCESS CONTROL MODULE
.
- Connect the disconnected connectors.
- Using an oscilloscope, measure the waveform between the keyless access control module connector and chassis ground.
Connector & terminal
(i91) No. 7 - Chassis ground:
Is 3.54 Hz displayed when the vehicle is driven approx. at 5 km/h (3 MPH)? Or does the value change from 3.54 Hz when the vehicle stops?
Yes : Replace the keyless access control module. Ref. to SECURITY AND LOCKS>KEYLESS ACCESS CONTROL MODULE>REMOVAL
No : Perform the diagnosis for VDC. Ref. to BRAKE CONTROL (DIAGNOSTICS)>BASIC DIAGNOSTIC PROCEDURE