LEMON Manuals: Even more car manuals for everyone
Home >> Subaru >> 2017 >> Outback 2.5i >> Repair and Diagnosis >> Body & Frame >> Door Locks >> Security And Locks - Keyless Access (W/Push Button Start) (Diagnostics) >> Diagnostic Procedure with Diagnostic Trouble Code (DTC) >> DTC B2271: IGN Relay Control Circuit

DTC B2271: IGN Relay Control Circuit

DTC detecting condition: 

Trouble symptom: 

Not all functions operate at IGN ON.

CAUTION: For replacement procedure of keyless access Control Module, refer to the "REGISTRATION MANUAL FOR IMMOBILIZER" provided as a separate volume.

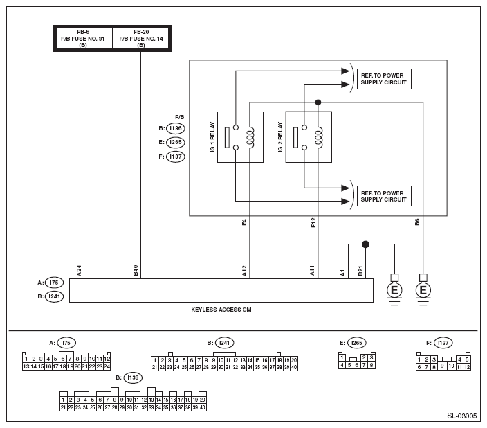
Wiring diagram: 

NOTE: For the coupling connector, refer to "WIRING SYSTEM".

Keyless access with push button start system Ref. to WIRING DIAGRAM , Keyless Access With Push Button Start System.

Fig 1: IGN Relay Control Wiring Diagram
G10277426Courtesy of SUBARU OF AMERICA, INC.
Step Check Yes No
1 CHECK LAN SYSTEM. 
Inspect LAN system. Ref. to PROCEDURE , Basic Diagnostic Procedure.
Is the check result OK? Go to step Perform the inspection according to the diagnosis for LAN system.
2 CHECK FUSE. 
Check the fuse. Ref. to INSPECTION , Relay and Fuse.
Is the check result OK? Go to step Replace the fuse. When the replaced fuse is blown immediately, check the power supply circuit for short-circuited.
3 CHECK HARNESS. 
  1. Disconnect the keyless access Control Module connector.
  2. Using a tester, measure the voltage between the keyless access Control Module connector and chassis ground.

    Connector & terminal 

    (i75) No. 24 (+) - Chassis ground (-): 

    (i241) No. 40 (+) - Chassis ground (-): 

Is the voltage 9.5 - 16 V? Go to step Check the power supply circuit
4 CHECK HARNESS (OPEN CIRCUIT) 
Using a tester, measure the resistance between the keyless access Control Module connector and chassis ground
Connector & terminal 
(i241) No 21 - Chassis ground: 
(i75) No 1 - Chassis ground: 
Is the resistance less than 1 Ω? Go to step Repair or replace the open circuit of harness
5 CHECK HARNESS 
  1. Disconnect the keyless access Control Module connector
  2. Using a tester, measure the resistance between the keyless access Control Module connector and chassis ground

    Connector & terminal 

    (i75) No 11 - Chassis ground: 

Is resistance 74 15 - 460 88 Ω? (20°C) Go to step Check IG relay 2 Go to step
6 CHECK HARNESS 
  1. Disconnect the keyless access Control Module connector
  2. Using a tester, measure the resistance between the keyless access Control Module connector and chassis ground

    Connector & terminal 

    (i75) No 12 - Chassis ground: 

Is resistance 50 87 - 72 17 Ω? (20°C) Go to step Check IG relay 1 Go to step
7 CHECK RELAY 
Perform unit inspection of IG relay 1 and IG relay 2 Ref to CHECK RELAY , INSPECTION, Relay and Fuse
Is the check result OK? Go to step Replace the relay Ref to RELAY AND FUSE
8 CHECK KEYLESS ACCESS CONTROL MODULE. 
  1. Connect the keyless access Control Module connector.
  2. Using a tester, measure the voltage between the keyless access Control Module connector and chassis ground.

    Connector & terminal 

    (i75) No. 11 (+) - Chassis ground (-): 

    (i75) No. 12 (+) - Chassis ground (-): 

Is the voltage 1 V or less → 9.5 - 16 V when ACC → IGN ON? Even if DTC is displayed, the circuit has returned to a normal condition at this time. Reproduce the failure, and then perform the diagnosis again.
NOTE: In this case, temporary poor contact of connector, temporary open or short circuit of harness may be the cause.
Replace the keyless access Control Module. Ref. to REMOVAL , Keyless Access Control Module.