LEMON Manuals: Even more car manuals for everyone
Home >> Subaru >> 2009 >> Outback Limited >> Repair and Diagnosis >> Transmission >> Transmission Control Systems >> A/T & M/T Control Systems >> AT Shift Lock Control System >> Inspection >> Select Lever Cannot Be Locked Or Released

Select Lever Cannot Be Locked Or Released

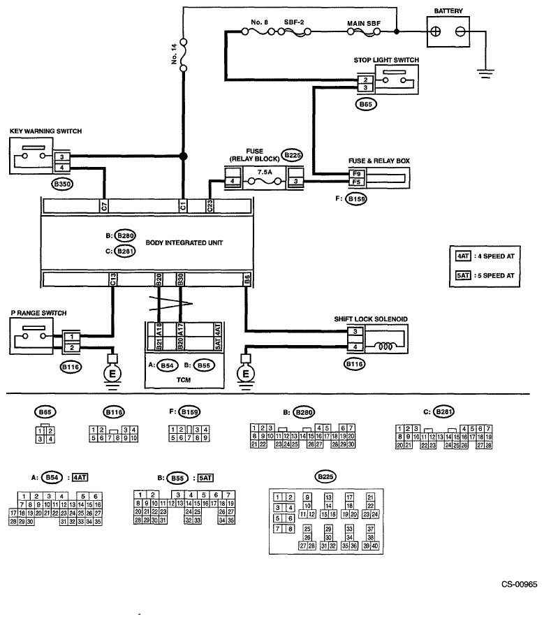
Fig 1: Shift Lock Control System - Wiring Diagram
G06336919Courtesy of SUBARU OF AMERICA, INC.
DIAGNOSIS PROCEDURE

Step Check Yes No
1 CHECK BODY INTEGRATED UNIT POWER SUPPLY AND GROUND CIRCUIT. 
Ref. to BODY INTEGRATED UNIT POWER SUPPLY AND GROUND CIRCUIT , INSPECTION, AT Shift Lock Control System.
Is there an abnormal condition? Follow the procedures to perform inspection and repair. Go to step 2. 
2 CHECK CURRENT DATA. 
  1. Connect the Subaru Select Monitor.
  2. Shift the select lever to the "P" range.
  3. Turn the ignition switch to ON.
  4. Display the current data display and display "P SW". Ref. to OPERATION , Subaru Select Monitor.
Is the display "ON" in the P range and "OFF" in ranges other than P? Go to step 3.  Go to step 8. 
3 CHECK CURRENT DATA. 
Display the current data display and display "Stop Light Switch". Ref. to OPERATION , Subaru Select Monitor.
Is "ON" displayed when the brake pedal is depressed and "OFF" displayed when the brake pedal is released? Go to step 4.  Go to step 11. 
4 CHECK BODY INTEGRATED UNIT DTC. 
Check the DTC of the body integrated unit when the brake pedal is pressed and when it is released.
(Hold each condition for 5 seconds or more.)
Is there a DTC of a current malfunction? Follow the DTC to perform inspection and repair. Go to step 5. 
5 CHECK CURRENT DATA. 
Select the current data display and display "Shift Lock Solenoid". Ref. to OPERATION , Subaru Select Monitor.
Is "ON" displayed when the brake pedal is depressed and "OFF" displayed when the brake pedal is released? Go to step 6.  Replace the body integrated unit.
6 CHECK CURRENT DATA. 
Select the current data display and display "Shift Position". Ref. to OPERATION , Subaru Select Monitor.
Is the display "7" in the P range and other than "7" in ranges other than P? Go to step 7.  Check the following items.
  • Inhibitor switch
  • Harness between inhibitor switch and TCM
  • TCM input signal
  • TCM CAN communication
  • Body integrated unit CAN receive
7 CHECK CURRENT DATA. 
  1. Select the current data display and display "Front Wheel Speed". Ref. to OPERATION , Subaru Select Monitor.
  2. Start the engine.
  3. Raise vehicle speed gradually up to approximately 20 km/h.
Is a figure equivalent to the speedometer being indicated? Go to step 12.  Check the following items.
  • Wheel speed sensor
  • VDC/ABS CAN communication
  • Body integrated unit CAN receive Replace the wheel speed sensor, VDC/ABS, or body integrated unit, or both.
8 CHECK HARNESS BETWEEN BODY INTEGRATED UNIT AND "P" RANGE SWITCH. 
  1. Disconnect the connector from body integrated unit.
  2. Disconnect the connector of "P" range switch.
  3. Check for open circuit of harness, short circuit to battery or short circuit to ground between the body integrated unit and "P" range switch.

    Connector & terminal 

    (B281) No. 13 - (B116) No. 1: 

Is the harness normal? Go to step 9.  Repair or replace the harness between the body integrated unit and the "P" range switch.
9 CHECK HARNESS BETWEEN "P" RANGE SWITCH AND CHASSIS GROUND. 
Measure the resistance of harness between "P" range switch and chassis ground.
Connector & terminal 
(B116) No. 2 - Chassis ground: 
Is it less than 10 Ω? Go to step 10.  Repair the harness between the "P" range switch and chassis ground.
10 CHECK "P" RANGE SWITCH. 
Measure the resistance between "P" range switch connector terminals.
Terminals 
No. 2 - No. 1: 
Is it less than 10 Ω in the "P" range, and 1 MΩ or more in ranges other than "P"? Replace the body integrated unit. Replace the "P" range switch.
11 CHECK STOP LIGHT SWITCH INPUT SIGNAL. 
  1. Disconnect the connector from body integrated unit.
  2. Measure the voltage between the body integrated unit connector terminal and chassis ground.

    Connector & terminal 

    (B281) No. 23 (+) - Chassis ground (-): 

Is the voltage 9 V or more when the brake pedal is depressed, and less than approximately 1.5 V when not pressed? Replace the body integrated unit. Check the stop light system.
12 CHECK SHIFT LOCK SOLENOID OPERATION. 
Connect the battery to the shift lock solenoid unit connector terminal, and operate the solenoid.
Terminals 
No. 3 (+) - No. 4 (-): 
Does the shift lock solenoid operate normally? Check the lock mechanism of the select lever body. Replace the shift lock solenoid.