LEMON Manuals: Even more car manuals for everyone
Home >> Subaru >> 2009 >> Forester XT >> Repair and Diagnosis >> Transmission >> Transmission Control Systems >> A/T & M/T Control Systems >> AT Shift Lock Control System >> Inspection >> Key Interlock Cannot Be Locked Or Released

Key Interlock Cannot Be Locked Or Released

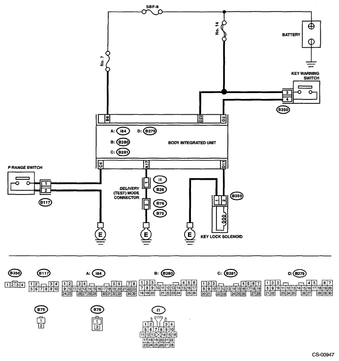
Fig 1: Key Interlock - Circuit Schematic
G05955782Courtesy of SUBARU OF AMERICA, INC.
KEY INTERLOCK INSPECTION PROCEDURE

Step Check Yes No
1 CHECK DELIVERY (TEST) MODE CONNECTOR  .
Check that the delivery (test) mode connector is disconnected.
Is the delivery (test) mode connector disconnected? Go to step . Disconnect the delivery (test) mode connector.
2 CHECK BODY INTEGRATED UNIT POWER SUPPLY AND GROUND CIRCUIT 
Refer to BODY INTEGRATED UNIT POWER SUPPLY AND GROUND CIRCUIT , INSPECTION, AT Shift Lock Control System .
Is there an abnormal condition? Follow the procedures to inspect and repair. Go to step .
3 CHECK CURRENT DATA  .
  1. Connect the Subaru Select Monitor.
  2. Shift the select lever to "P" range.
  3. Turn the ignition switch to ON.
  4. Display the current data display and display "P SW". Refer to OPERATION , Subaru Select Monitor .
Is the display "ON" in the P range and "OFF" in ranges other than P? Go to step . Go to step .
4 CHECK CURRENT DATA  .
  1. Select the current data display and display the "Key-lock warning SW". Refer to OPERATION , Subaru Select Monitor .
  2. Turn the ignition switch to OFF.
Does the display change from "ON" to "OFF" when the key is inserted and removed? Go to step . Go to step 10  .
5 CHECK CURRENT DATA  .
  1. Turn the ignition switch to ON.
  2. Select the current data display and display "Key locking output". Refer to OPERATION , Subaru Select Monitor .
Is the display "ON" in the P range and "OFF" in ranges other than P? Go to step 12  . Go to step .
6 CHECK DTC OF BODY INTEGRATED UNIT  .
  1. Set the select lever to other than "P" range.
  2. Check DTC of body integrated unit.
Is B1105 (key interlock circuit malfunction) a current malfunction? Follow the DTC to perform inspection and repair. Go to step 11  .
7 CHECK HARNESS BETWEEN BODY INTEGRATED UNIT AND "P" RANGE SWITCH  .
  1. Disconnect the connector from body integrated unit.
  2. Disconnect the connector of the "P" range switch.
  3. Measure the resistance of harness between the body integrated unit and the "P" range switch.

Connector & terminal 
(B281) No. 4 - (B117) No. 1: 
Is it less than 10 Ω? Go to step . Repair or replace the harness between the body integrated unit and the "P" range switch.
8 CHECK HARNESS BETWEEN "P" RANGE SWITCH AND CHASSIS GROUND  .
Measure the resistance of harness between "P" range switch and chassis ground.
Connector & terminal 
(B117) No. 2 - Chassis ground: 
Is it less than 10 Ω? Go to step . Repair the harness between the "P" range switch and chassis ground.
9 CHECK "P" RANGE SWITCH  .
Measure the resistance between "P" range switch connector terminals.
Terminals 
No. 2 - No. 1: 
Is it less than 10 Ω in the "P" range, and 1 MΩ or more in ranges other than "P"? Replace the body integrated unit. Replace the "P" range switch.
10 CHECK HARNESS BETWEEN BATTERY AND KEY WARNING SWITCH AND BODY INTEGRATED UNIT  .
  1. Disconnect the connector from body integrated unit.
  2. Measure the voltage between body integrated unit and chassis ground.

Connector & terminal 
(B279) No. 2 - Chassis ground: 
Is the display 9 V or more when the key is inserted, and less than 1.5 V with the key removed? Replace the body integrated unit. Check the following items.
  • Key warning switch
  • Harness/fuse
  • Ignition circuit
11 CHECK DELIVERY (TEST) MODE CONNECTOR HARNESS  .
  1. Disconnect the connector of body integrated unit.
  2. Measure the resistance between the body integrated unit connector and delivery (test) mode connector.

Connector & terminal 
(I84) No. 17 - (I1) No. 1: 
Is it less than 10 Ω? Go to step 12  . Repair or replace the harness between the body integrated unit connector and delivery (test) mode connector.
12 CHECK HARNESS BETWEEN KEY LOCK SOLENOIDS AND BODY INTEGRATED UNIT  .
  1. Disconnect the connector from body integrated unit.
  2. Disconnect the connector from the key lock solenoid.
  3. Measure the harness resistance between the body integrated unit and key lock solenoid.

Connector & terminal 
(B279) No. 11 - (B350) No. 2: 
Is it less than 10 Ω? Go to step 13  . Repair or replace the harness between the body integrated unit and the key lock solenoid.
13 CHECK HARNESS BETWEEN KEY LOCK SOLENOID AND CHASSIS GROUND  .
Measure the resistance of harness between key lock solenoid and chassis ground.
Connector & terminal 
(B350) No. 1 - Chassis ground: 
Is it less than 10 Ω? Go to step 14  . Repair or replace the harness between the key lock solenoid and chassis ground.
14 CHECK KEY LOCK SOLENOID OPERATION  .
Connect the battery to the key lock solenoid connector terminal, and operate the solenoid.
Does the key lock solenoid operate normally? Go to step 15  . Replace the key lock solenoid.
15 CHECK OUTPUT OF BODY INTEGRATED UNIT  .
  1. Connect all connectors.
  2. Press the key.
  3. Measure the voltage between body integrated unit and chassis ground.

Connector & terminal 
(B279) No. 11 - Chassis ground: 
Is it 5 V or more in ranges other than "P", and less than 1.5 V in the "P" range? Check the lock mechanism of the steering lock body. Replace the body integrated unit.