LEMON Manuals: Even more car manuals for everyone
Home >> Subaru >> 2009 >> Forester XT >> Repair and Diagnosis >> Transmission >> Transmission Control Systems >> A/T & M/T Control Systems >> AT Shift Lock Control System >> Inspection >> Body Integrated Unit Power Supply And Ground Circuit

Body Integrated Unit Power Supply And Ground Circuit

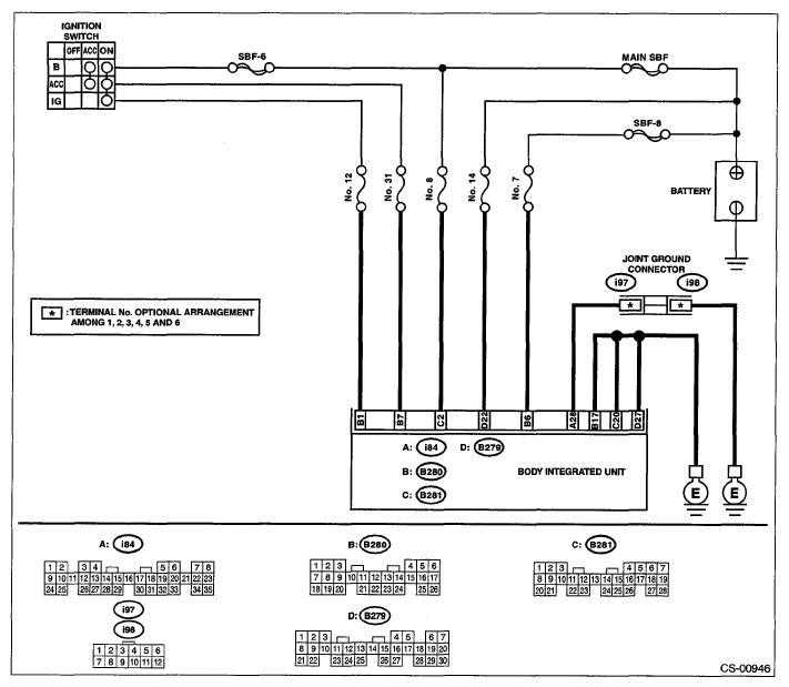
Fig 1: Body Integrated Unit Power Supply And Ground Circuit Schematic
G05955780Courtesy of SUBARU OF AMERICA, INC.
BODY INTEGRATED UNIT POWER SUPPLY INSPECTION PROCEDURE

Step Check Yes No
1 CHECK DTC OF BODY INTEGRATED UNIT  .
Check DTC of body integrated unit. Refer to OPERATION , Subaru Select Monitor .
Is the DTC of power line displayed on body integrated unit? Repair or replace it according to the DTC. Go to step .
2 CHECK HARNESS CONNECTOR BETWEEN BODY INTEGRATED UNIT AND CHASSIS GROUND  .
  1. Turn the ignition switch to ON.
  2. Measure the voltage between body integrated unit and chassis ground.

Connector & terminal 
(B280) No. 1 (+) - Chassis ground (-): 
(B280) No. 6 (+) - Chassis ground (-): 
(B280) No. 7 (+) - Chassis ground (-): 
(B281) No. 2 (+) - Chassis ground (-): 
(B279) No. 22 (+) - Chassis ground (-): 
Is the voltage 9 - 16 V? Go to step . Check harness for open circuit between the body integrated unit and the battery or a blown fuse.
3 CHECK HARNESS CONNECTOR BETWEEN BODY INTEGRATED UNIT AND CHASSIS GROUND  .
  1. Turn the ignition switch to OFF.
  2. Measure the harness resistance between the body integrated unit and chassis ground.

Connector & terminal 
(i84) No. 28 - Chassis ground: 
(B279) No. 27 - Chassis ground: 
(B280) No. 17 - Chassis ground: 
(B281) No. 20 - Chassis ground: 
Is the resistance less than 1 Ω? Go to step . Repair the open circuit of harness between the body integrated unit and chassis ground.
4 CHECK POOR CONTACT  . Is there poor contact in connector? Repair the poor contact. Check the body integrated unit.