LEMON Manuals: Even more car manuals for everyone
Home >> Oldsmobile >> 2002 >> Intrigue GL >> Repair and Diagnosis (Single Page) >> Engine Performance >> Remove, Overhaul & Install >> Engine Controls - Removal, Overhaul & Installation >> Computerized Engine Controls >> Powertrain Control Module >> Removal (4.0L)

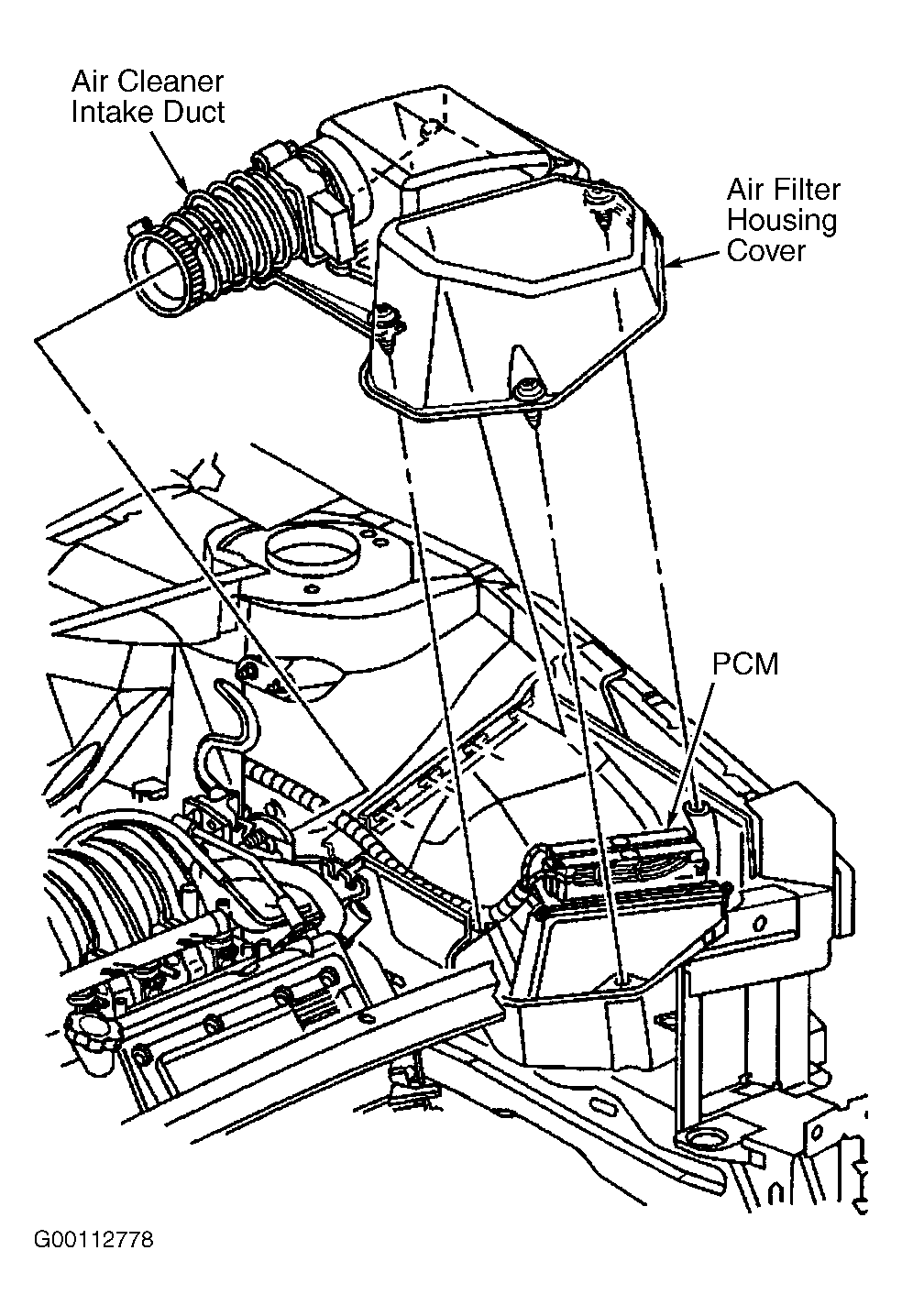
Removal (4.0L)

Record the Transaxle Fluid and Engine Oil Life Indexes from the Driver Information Center (DIC). Turn ignition off. Remove rear seat cushion to access battery. Disconnect the negative battery cable. Disconnect the Mass Airflow/Intake Air Temperature (MAF/IAT) sensor electrical connector. Loosen the intake air duct clamp at the throttle body. Loosen the air filter housing cover screws. Remove the air filter cover, the MAF/IAT sensor and the intake air duct. Disconnect both PCM connectors. Remove the PCM. See Figure.