LEMON Manuals: Even more car manuals for everyone
Home >> Mitsubishi >> 2003 >> Lancer Evolution >> Repair and Diagnosis >> External Pages >> Different car >> Section 85 (Engine Controls - System & Component Testing) >> Ignition System >> Ignition Signal Circuits >> 350Z

Ignition Signal Circuits: 350Z

WARNING: This page does not describe the selected car, but rather 8 other vehicles, including the 2003 Nissan Xterra, 2003 Nissan Sentra, 2003 Nissan Pathfinder, 2003 Nissan Murano, and 2003 Nissan Maxima. However, it is still accessible from the selected car via links, so may be relevant.

For ignition signal circuit system and component testing, see Fig 1-Fig 11 . For diagnosis of ECM power supply circuit, see POWER & GROUND CIRCUITS (350Z) . For intermittent problem, see INTERMITTENTS in TROUBLE SHOOTING - NO CODES article.

Fig 1: Ignition Signal Circuit System & Component Testing Procedure (350Z - 1 Of 11)
G00272731Courtesy of NISSAN MOTOR CO., U.S.A.
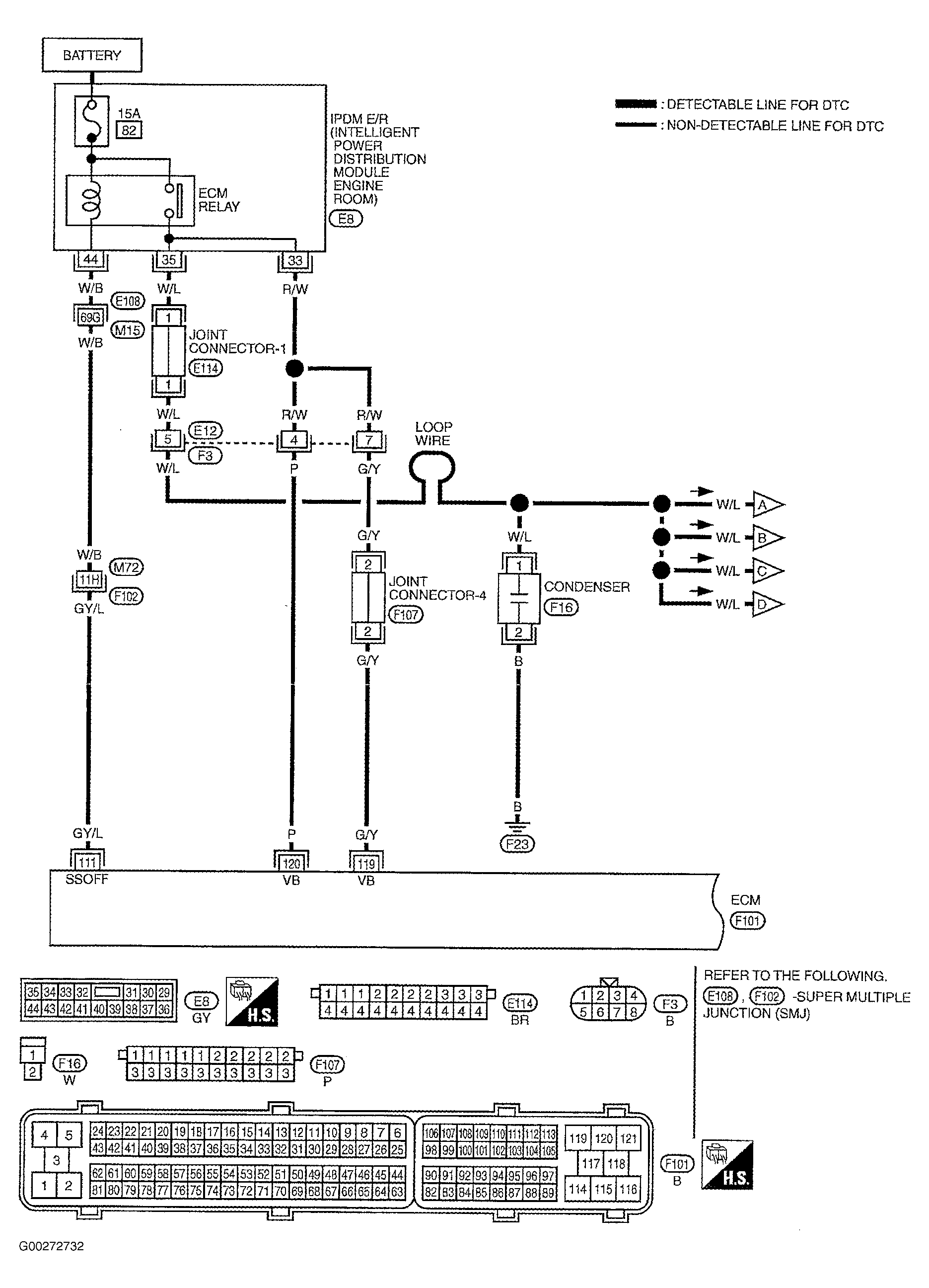
Fig 2: Ignition Signal Circuit System & Component Testing Procedure (350Z - 2 Of 11)
G00272732Courtesy of NISSAN MOTOR CO., U.S.A.
Fig 3: Ignition Signal Circuit System & Component Testing Procedure (350Z - 3 Of 11)
G00272733Courtesy of NISSAN MOTOR CO., U.S.A.
Fig 4: Ignition Signal Circuit System & Component Testing Procedure (350Z - 4 Of 11)
G00272734Courtesy of NISSAN MOTOR CO., U.S.A.
Fig 5: Ignition Signal Circuit System & Component Testing Procedure (350Z - 5 Of 11)
G00272735Courtesy of NISSAN MOTOR CO., U.S.A.
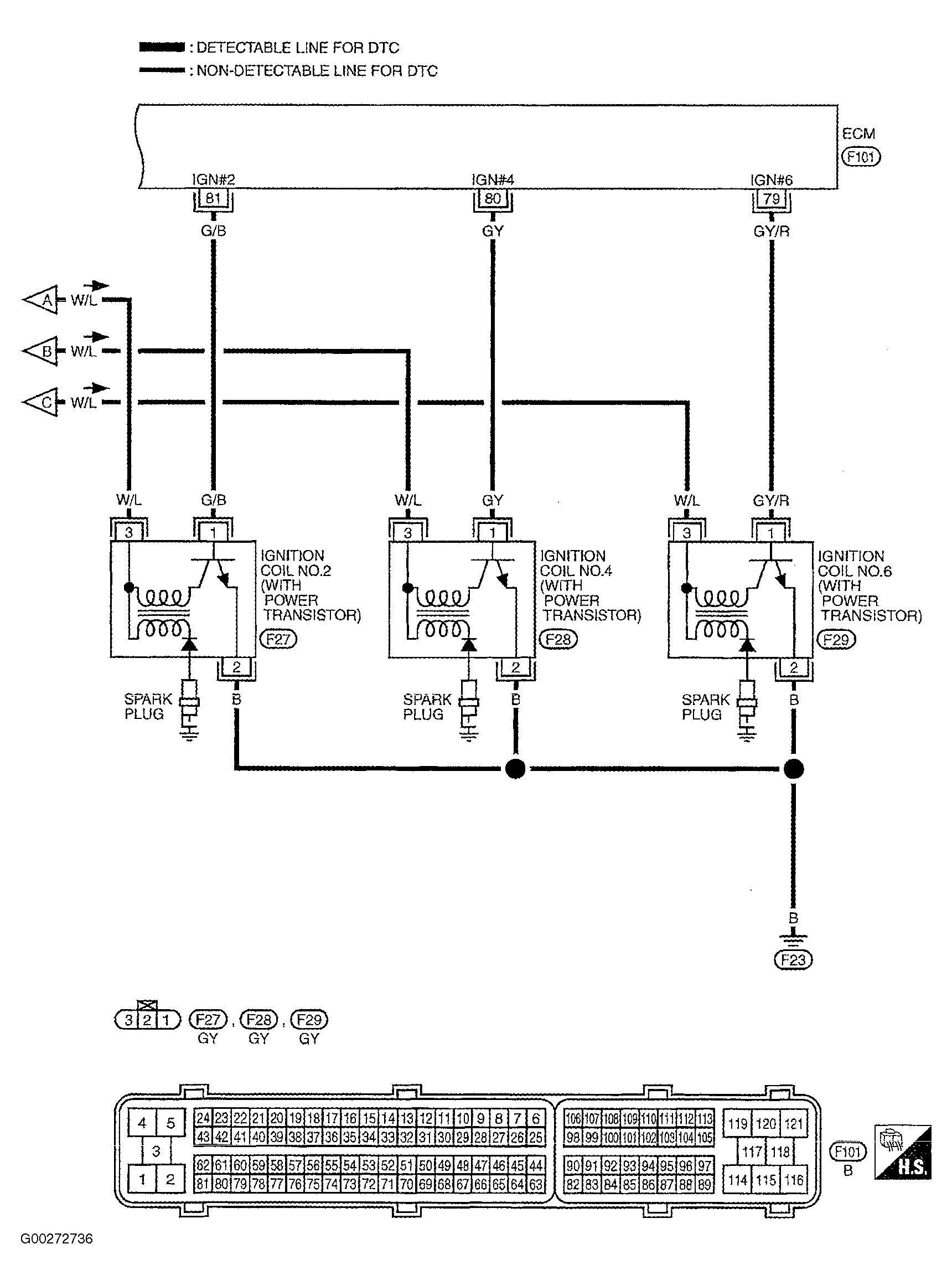
Fig 6: Ignition Signal Circuit System & Component Testing Procedure (350Z - 6 Of 11)
G00272736Courtesy of NISSAN MOTOR CO., U.S.A.
Fig 7: Ignition Signal Circuit System & Component Testing Procedure (350Z - 7 Of 11)
G00272737Courtesy of NISSAN MOTOR CO., U.S.A.
Fig 8: Ignition Signal Circuit System & Component Testing Procedure (350Z - 8 Of 11)
G00272738Courtesy of NISSAN MOTOR CO., U.S.A.
Fig 9: Ignition Signal Circuit System & Component Testing Procedure (350Z - 9 Of 11)
G00272739Courtesy of NISSAN MOTOR CO., U.S.A.
Fig 10: Ignition Signal Circuit System & Component Testing Procedure (350Z - 10 Of 11)
G00272740Courtesy of NISSAN MOTOR CO., U.S.A.
Fig 11: Ignition Signal Circuit System & Component Testing Procedure (350Z - 11 Of 11)
G00272741Courtesy of NISSAN MOTOR CO., U.S.A.