LEMON Manuals: Even more car manuals for everyone
Home >> Mitsubishi >> 2003 >> Lancer Evolution >> Repair and Diagnosis >> External Pages >> Different car >> Section 85 (Engine Controls - System & Component Testing) >> Computerized Engine Controls >> Engine Control Module >> Power & Ground Circuits (350Z)

Power & Ground Circuits (350Z)

WARNING: This page does not describe the selected car, but rather 8 other vehicles, including the 2003 Nissan Xterra, 2003 Nissan Sentra, 2003 Nissan Pathfinder, 2003 Nissan Murano, and 2003 Nissan Maxima. However, it is still accessible from the selected car via links, so may be relevant.

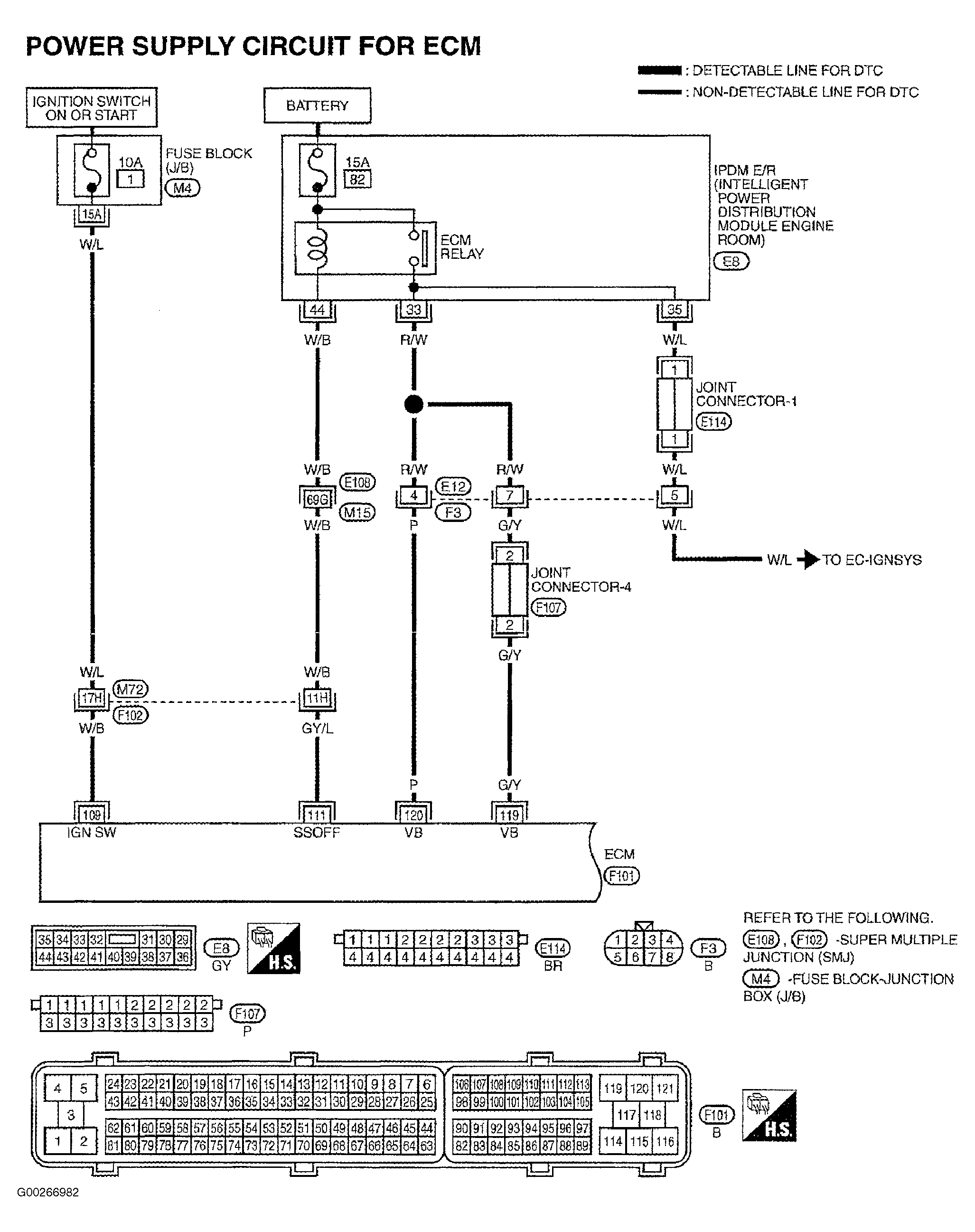
For ECM power and ground circuit wiring diagram and diagnostic procedure, see Fig 1-Fig 8 . If no problem is found, check ignition signal circuit. See IGNITION SIGNAL CIRCUITS  under IGNITION SYSTEM. For intermittent diagnosis, see INTERMITTENTS in TROUBLE SHOOTING - NO CODES article.

For engine control system component locations, see Figure-Figure . For ECM location, connector and terminal view, see Fig 9. For removal and installation of components, see appropriate REMOVAL & INSTALLATION article.

Fig 1: ECM Power Supply Circuit Diagnostic Procedure (350Z - 1 Of 8)
G00266982Courtesy of NISSAN MOTOR CO., U.S.A.
Fig 2: ECM Power Supply Circuit Diagnostic Procedure (350Z - 2 Of 8)
G00266983Courtesy of NISSAN MOTOR CO., U.S.A.
Fig 3: ECM Power Supply Circuit Diagnostic Procedure (350Z - 3 Of 8)
G00266984Courtesy of NISSAN MOTOR CO., U.S.A.
Fig 4: ECM Power Supply Circuit Diagnostic Procedure (350Z - 4 Of 8)
G00266985Courtesy of NISSAN MOTOR CO., U.S.A.
Fig 5: ECM Power Supply Circuit Diagnostic Procedure (350Z - 5 Of 8)
G00266986Courtesy of NISSAN MOTOR CO., U.S.A.
Fig 6: ECM Power Supply Circuit Diagnostic Procedure (350Z - 6 Of 8)
G00266987Courtesy of NISSAN MOTOR CO., U.S.A.
Fig 7: ECM Power Supply Circuit Diagnostic Procedure (350Z - 7 Of 8)
G00266988Courtesy of NISSAN MOTOR CO., U.S.A.
Fig 8: ECM Power Supply Circuit Diagnostic Procedure (350Z - 8 Of 8)
G00266989Courtesy of NISSAN MOTOR CO., U.S.A.
Fig 9: Locating Engine Control Module & Connector Terminal Layout (350Z)
G00266974Courtesy of NISSAN MOTOR CO., U.S.A.