Purging System With Leak Test Function - GF47.30-P-3016MMK
Engine 276.8 in model 222.163/173
with code 494 (US version)
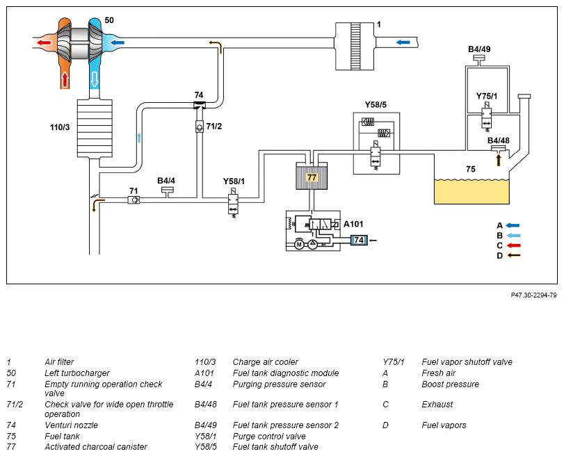
Schematic diagram of purge system
Purge system function requirements with leak test general
- Combustion engine switched off
- Circuit 15 OFF
- Min 10 min operating time after a cold start
- Ambient temperature between 4 and 35°C
- Air pressure >780 hPa (which means that no test takes place above an altitude of about 2500 meters)
- Fuel level in the fuel tank < 85%
- Tank cap closed
- Low loading of activated charcoal canister
- No fault at involved actuators or sensors
- On-board electrical system voltage > 11 V
Purge system with leak test general
The leak test takes place during the computer run-on of the ME-SFI [ME] control unit (N3/10) which can take up to 20 minutes.
The leak test of the purge system takes place in two stages and must recognize the following leak:
- Leak equal to or greater than 1 mm dia.
- Leak equal to or greater than 0 5 mm dia.
Purge system with leak test function sequence
The leaktightness of the fuel tank is measured from the ME-SFI [ME] control unit after a cold start. To do this, the fuel tank inner pressure measured by the fuel tank pressure sensor 1 is compared with the atmospheric pressure.
If the difference is greater than 10 hPa one can assume that the fuel tank is sealed. A pressure test for a "small spray cabinet" is carried out after switching off the vehicle and switching off the ignition (circuit 15 OFF). The "small spray cabinet" includes the activated charcoal canister, its aeration and vent lines as well as the fuel tank leakage diagnostic module.
If the difference is less than 10 hPa a pressure test for a "large spray cabinet" consisting of the small spray cabinet and the fuel tank is carried out.
In order to perform the pressure test the ME-SFI [ME] control unit compares the power consumption of the fuel tank diagnostic module during generation of an overpressure over a reference leak with the power consumption during generation of an overpressure in the respective spray cabinet.
The reference leak is heated in order to avoid false measurements through the presence of condensation or build up of ice.
Sequence of the test for the reference leak measurement:
- Vehicle parked and ignition switched off.
- The purging switchover valve is closed (switchover valve not actuated = purging inhibited).
- ME-SFI control unit enables diagnosis.
- The fuel tank diagnostic module is actuated by the ME-SFI [ME] control unit The internal valve in the diagnostic module is switched to the internal reference leak.
The internal pump in the diagnostic module pumps air through the internal reference leak and measures the current required for the pump.
Sequence of the test for the "small spray cabinet":
- The fuel tank shutoff valve is deenergized and closed and closes off the aeration and ventilation of the fuel tank.
- The valve in the diagnostic module switches over and the air pump pumps a reference pressure into the activated charcoal canister. During this operation, the current is also measured.
- If, during measurement, the value of the current for the reference leak is exceeded, the activated charcoal canister and its ventilation system are leaktight, otherwise there is a leak present.
The magnitude of the leak is recognized by the time the pump has to operate before a defined reference current is reached.
Sequence of the test for the "large spray cabinet":
- The fuel tank system shutoff valve is actuated by the ME-SFI [ME] control unit and it opens off the aeration and ventilation of the fuel tank.
- The valve in the diagnostic module switches over and the air pump pumps a reference pressure over the activated charcoal canister into the fuel tank. During this operation, the current is also measured.
- If the value of the current taken for the reference leak is exceeded during measurement then the activated charcoal canister, the aeration and ventilation system as well as the fuel tank and their aeration and ventilation system are leaktight.
If the value of the current measured is less then a leak has been determined. The magnitude of the leak is recognized by the time the pump has to operate before a defined reference current is reached.
Any leaks detected, are stored in the fault memory of the ME-SFI control unit. After a second occurrence of a fault, the engine diagnosis indicator lamp illuminates in the instrument cluster (A1).
The pressure buildup depends on the fuel level in the fuel tank.
This is determined by the fuel tank fuel level indicator fill level sensor and is used by the ME-SFI [ME] control unit for evaluation.
| Electrical function schematic for system purging with leak test | PE47.30-P-2051-97SEC | ||
| Overview of system components for gasoline injection and ignition system with direct injection | GF07.70-P-9998MMT |