Purge system with leak test function - GF47.30-P-3016L
MODEL 129 as of 1.9.97
with ENGINE 104.943 /991 as of 1.8.96,
112.923/943,113.961,119.982,120.983 with CODE (494a) USA version
MODEL 140
with ENGINE 104.944 /994 as of 1.8.96,
119.980 /981,120.982 with CODE (494a) USA version
MODEL 163 with ENGINE 112.942/970,113.942 /965 with CODE (494a) USA version MODEL 170
with ENGINE 111.943,
111.946 as of 1.6.98,
111.973 /983,112.947 with CODE (494a) USA version
MODEL 202 as of 1.10.97
with ENGINE 104.941 as of 1.8.96,
111.921 as of 1.9.98,
111.944/945/974,
111.975 as of 1.8.96,
112.910 /920 with CODE (494a) USA version
MODEL 203 with ENGINE 112.912/946 /953 with CODE (494a) USA version
MODEL 208 with ENGINE 111.944/945/975 /112.940,113.943 with CODE (494a) USA version
MODEL 209 with ENGINE 112.912/955, 113.968 with CODE (494a) USA version
MODEL 210
with ENGINE 104.995,
111.942 as of 1.9.98,
111.947,112.911 /921 /941,113.940,119.985 with CODE (494a) USA version
MODEL 211 with ENGINE 112.913 /917 /949 /954,113.967 /969 with CODE (494a) USA version
MODEL 215 with ENGINE 113.960,137.970 with CODE (494a) USA version
MODEL 220 with ENGINE 112.922 /944 /972 /975, 113.941 /948 /960 /966, 137.970 with CODE (494a) USA version
MODEL 230 with ENGINE 112.973,113.963 with CODE (494a) USA version
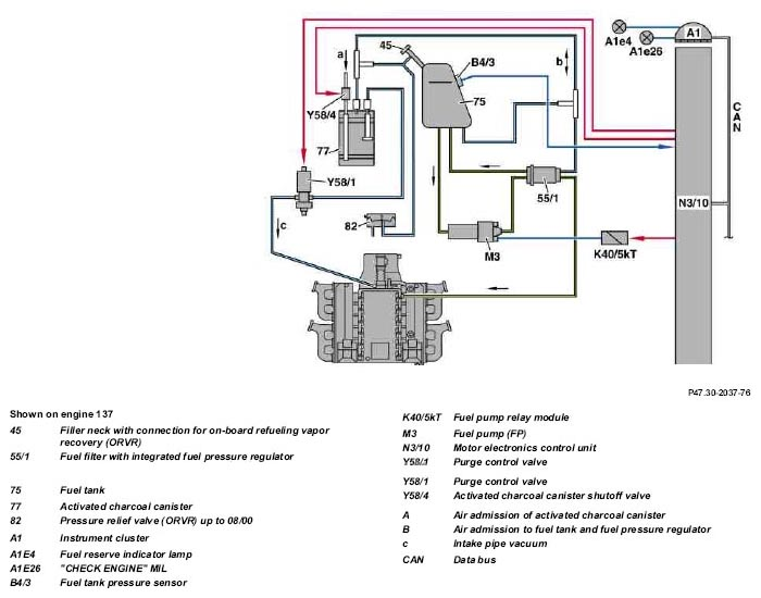
Shown on ENGINE 119
The US legislature (
) requires that no fuel vapors are released into the atmosphere.
The leak test of the fuel evaporation control system must be able to detect leaks with a diameter of approximately 1 mm and above, and from the model year 2000, leaks with a diameter of approximately 0.5 mm and above.
The leak test (function chain) takes place in three stages (if the prerequisites for testing have been fulfilled):
- Test for major leaks
- Test for a minor leak (equal to or greater than 1 mm)
- Test for a very fine leak (equal to or greater than 0.5 mm)
Test for major leaks
The activated charcoal canister shut-off valve (Y58/4) is closed and the purge control valve (Y58/1) opened. The vacuum in the intake manifold (c) reaches the fuel tank (75). As a result, a vacuum builds up in the fuel tank.
This is detected by the fuel tank pressure sensor (B4/3).
If there is no vacuum build-up in the fuel tank
(around - 6 mbar within about 12 seconds), there is a major leak (e.g. filler cap open, loose hose line).
The diagnosis is aborted and the "major leak" fault is stored.
If the motor electronics control unit (N3/10) detects a system with a substantial major leak, the fuel reserve indicator lamp (A1e4) in the instrument cluster (A1) blinks, or the message "CHECK FILLER CAP" appears in the multifunction display.
Test for a minor leak
The purge control valve (Y58/1) is closed once a certain vacuum exists (approx. - -6 mbar). The system is now likewise closed. Finally the vacuum is evaluated for approx. 30 seconds. It must not drop any faster than 0.3 to 0.5 mbar per second (depending on the level of fuel in the tank). If the vacuum drops more rapidly, there is a minor leak. The "minor leak" fault is stored.
Test for micro leak (not engine 137.970)
If no minor leak has been detected, the purge system is briefly enabled and a vacuum of approx. - 6 mbar is built up again. The vacuum must not drop any faster than 0.1 to 0.15 mbar per second for a closed system (depending on the level of fuel in the tank).
If the vacuum builds up more rapidly, the "micro leak" fault is stored.
The reduction in the vacuum depends on the level in the fuel tank and on the degassing of the fuel. Degassing of the fuel is measured for a short time prior to the test and is allowed for in the fault statement. No test is conducted during the driving cycle if the fuel tank is filled to less than 1/4.
The activated charcoal canister shut-off valve (Y58/4) is reopened after the tests have been conducted.
Test requirements
- Engine at idling speed
- Vehicle stationary
- Blocking time after starting the engine has expired (around 16 minutes) or Mixture adaptation is complete
- Lambda control enabled
- Intake air temperature less than +45°C
- Coolant temperature at engine start less than +100°C -engine 112, 113: driving position D or R engaged
- Secondary air injection not active
- Air pressure more than around 780 hPa (i.e. above a height of approximately 2500 m, there is no test)
- Low loading of activated charcoal canister
- Fuel level in fuel tank between approx. 1/4 and 3/4
- No fault in activated charcoal canister shut-off valve
- No fault in the fuel tank pressure sensor
- No fault in the purge control valve
- Battery voltage higher than 11 V
- No leak in the pressure relief valve (ORVR)
- The test for "minor and micro leaks" is aborted if, during the vacuum build-up, a very high lean correction of the lambda control is performed.
- The purge control valve (Y58/1) is simultaneously checked for its functioning
by actuating it. If the
closed valve jams, the "major leak" fault is stored.
- In engine 120, there are two purge control valves. (Y58/2, Y58/3) These are actuated alternatively.
- If no leakage for the "major leak" fault is found (there is a clear hissing sound in case of a leak greater than 3 mm), replace the fuel tank pressure sensor (B4/3). The fuel tank pressure sensor can be defective in such a manner that the signal is constant, but still plausible. (Sensor hangs).
- If, due to a detective fuel level sensor, the fill level is implausible, the tests are not stopped.
| Fuel tank pressure sensor location/task/function | Model 140, 163, 170, 203, 208, 209, 210, 211, 215, 220, 230 Model 129 as of 9/97 Model 202 as of 10/97 |
GF47.30-P-4032L | |
| Activated charcoal canister shutoff valve location/task/design/function | Model 140, 163, 170, 203, 208, 209, 210, 211, 215, 220, 230 Model 129 as of 9/97 Model 202 as of 10/97 |
GF47.30-P-4033L | |
| Purge control valve, location/task/design/ function | GF47.30-P-4030L | ||
| Motor electronics control unit, location/task/ design/function | GF07.61-P-5000F | ||
| Fuel gage sensor, location/task/design/function | GF47.10-P-3001B | ||
| Fuel tank, location/design/function | Model 129 | GF47.10-P-3000A | |
| Model 140 | GF47.10-P-3000C | ||
| Model 168 | GF47.10-P-3000GC | ||
| Model 170 | GF47.10-P-3000D | ||
| Model 202, 208 | GF47.10-P-3000E | ||
| Model 203, 209 | GF47.10-P-3000P | ||
| Model 210 | GF47.10-P-3000B | ||
| Model 211 | GF47.10-P-3000T | ||
| Model 215, 220 | GF47.10-P-3000K | ||
| Model 230 | GF47.10-P-3000R |