LEMON Manuals: Even more car manuals for everyone
Home >> Lincoln >> 2013 >> MKX AWD >> Repair and Diagnosis >> External Pages >> Different car >> Section 249 (Starting System) >> Diagnosis And Testing >> Starting System >> Component Tests >> Starter Motor - Feed Circuit Test

Starter Motor - Feed Circuit Test

WARNING: This page is about a different car, the 2014 Lincoln MKX and 2014 Ford Edge. However, it is still accessible from the selected car via links, so may be relevant.
  1. Make sure the battery is fully charged. BATTERY, MOUNTING AND CABLES .
  2. Perform a battery drain test. BATTERY, MOUNTING AND CABLES .
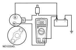
  3. Connect a remote starter switch between starter solenoid "S" terminal and the battery positive terminal.
    Fig 1: Connecting Remote Starter Switch Between Starter Solenoid Terminal And Battery Positive Terminal
    G06258730Courtesy of FORD MOTOR CO.
  4. Connect the Digital Multimeter positive lead to the battery positive post. Connect the negative lead to the starter solenoid "M" terminal.
  5. Place the gear select lever in Park or Neutral.
  6. Engage the remote starter switch. Read and record the voltage. The voltage reading should be 0.5 volt or less.
  7. If the voltage reading is 0.5 volt or less, go to the STARTER MOTOR - GROUND CIRCUIT TEST  .
  8. A voltage reading greater than 0.5 volt is an indication of excessive resistance in the starter connections, the positive battery cable or in the starter solenoid. Remove the cables from solenoid "B", "S", and "M" terminals. Clean the cable connections and reinstall the cables to the correct terminals. Repeat Steps  3 through 7.
  9. If the voltage reading is still greater than 0.5 volt when checked at the "M" terminal, move the Digital Multimeter negative lead to the starter solenoid "B" terminal.
  10. With the gear select lever in Park or Neutral, engage the remote starter switch. Read and record the voltage.
  11. If the voltage reading at the "B" terminal is lower than 0.5 volt, the concern is in the connections at the starter solenoid or in the solenoid contacts. Install a new starter motor. Refer to STARTER MOTOR - 2.0L GTDI  or STARTER MOTOR - 3.5L, 3.7L 
  12. If the voltage reading taken at the solenoid "B" terminal is still greater than 0.5 volt after cleaning the cables and connections at the solenoid, the concern is either in the positive battery cable connections or in the positive battery cable itself.
  13. Clean the positive battery cable connections and retest. If this does not solve the problem, install a new positive battery cable. BATTERY, MOUNTING AND CABLES