LEMON Manuals: Even more car manuals for everyone
Home >> Kia >> 2015 >> Soul Base, Automatic Trans >> Repair and Diagnosis >> External Pages >> Different car >> Section 129 (Body Control Module (BCM) Diagnosis) >> DTC B1629-00: LIN Channel 1 Reception Error >> Wiring Inspection >> Terminal And Connector Inspection

Terminal And Connector Inspection

WARNING: This page is about a different car, the 2016 Kia Soul EV. However, it is still accessible from the selected car via links, so may be relevant.
  1. Many malfunctions in the electrical system are caused by poor harness and terminals. Faults can also be caused by interference from other electrical systems, and mechanical or chemical damage.
  2. Thoroughly check all connectors (and connections) for looseness, bending, corrosion, contamination, deterioration, and/or damage.
  3. Has a problem been found?
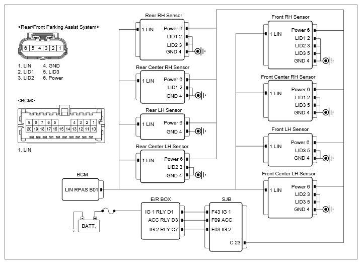
    Fig 1: Rear RH Sensor Circuit Diagram
    G11934857Courtesy of KIA MOTORS AMERICA, INC.

    YES 

    NO