LEMON Manuals: Even more car manuals for everyone
Home >> Honda >> 2007 >> Element SC, Standard >> Repair and Diagnosis (Single Page) >> Engine Performance >> System >> PGM-FI System >> ECM/PCM Replacement

ECM/PCM Replacement

Special Tools Required 

Any one of the above updating tools can be used.

  1. Connect the HDS to the data link connector (DLC) (A) located under the driver's side of the dashboard.
    Fig 1: Identifying Data Link Connector (DLC)
    G06267524Courtesy of AMERICAN HONDA MOTOR CO., INC.
  2. Turn the ignition switch to ON (II).
  3. Make sure the HDS communicates with the ECM/PCM and other vehicle systems. If it doesn't, go to the DLC circuit troubleshooting (see DLC CIRCUIT TROUBLESHOOTING ). If you are returning from DLC circuit troubleshooting, skip steps 4 through 7,21 through 23, and 26 and 27, then do this after replacing the ECM/PCM:
  4. Select the PGM-FI system with the HDS.
  5. Select the INSPECTION MENU with the HDS.
  6. Select the ETCS TEST, then select the TP POSITION CHECK, and follow the screen prompts.
    NOTE: If the TP POSITION CHECK indicates FAILED, continue with this procedure.
  7. Select the REPLACE ECM/PCM MENU, then select READ DATA and follow the screen prompts.
    NOTE:
    • Doing this step copies (READS) the engine oil life data from the original ECM/PCM so you can later download (WRITE) it into the new ECM/PCM.
    • If READ DATA indicates FAILED, continue with this procedure.
  8. Turn the ignition switch to LOCK (0).
  9. Jump the SCS line with the HDS.
  10. Remove the passenger's dashboard undercover (see GLOVE BOX REMOVAL/INSTALLATION ), the side kick panel (see TRIM REMOVAL/INSTALLATION - DOOR AREAS ), and the glove box (see GLOVE BOX REMOVAL/INSTALLATION ).
  11. Cut the plastic cross brace in the glove box opening with diagonal cutters in the area shown, and discard it.
    Fig 2: Identifying Plastic Cross Brace Cutting Area
    G06267525Courtesy of AMERICAN HONDA MOTOR CO., INC.
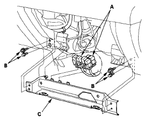
  12. Remove the relays (A), then remove the bolts (B), and the glove box frame (C).
    Fig 3: Identifying Relays, Bolts And Glove Box Frame
    G06267526Courtesy of AMERICAN HONDA MOTOR CO., INC.
  13. Remove the gray 20P ECM/PCM wire harness connector (A) from the ECM/PCM mounting bracket.
    Fig 4: 20P ECM/PCM Wire Harness Connector, ECM/PCM Connector, ECM/PCM Mounting Bolt And ECM/PCM With Torque Specifications
    G06267527Courtesy of AMERICAN HONDA MOTOR CO., INC.
  14. Disconnect the ECM/PCM connectors (B).
  15. Remove the ECM/PCM mounting bolt (C) and the bracket.
  16. Remove the nuts (D), then remove the ECM/PCM (E)
  17. Install the parts in the reverse order of removal.
  18. Open the SCS line with the HDS.
  19. Turn the ignition switch to ON (II).
  20. Manually input the VIN to the ECM/PCM with the HDS.
    NOTE: DTC P0630 VIN Not Programmed or Mismatch may be stored because the VIN has not been programmed into the ECM/PCM; ignore it, and continue this procedure.
  21. If the READ DATA (engine oil life) failed in step  7, go to step  24. Otherwise, go to step 22.
  22. Select the PGM-FI system with the HDS.
  23. Select the REPLACE ECM/PCM MENU, then select WRITE DATA and follow the screen prompts.
    NOTE: If the WRITE DATA indicates FAILED, continue with this procedure.
  24. Select the IMMOBI system with the HDS.
  25. Enter the immobilizer code that you got from iN, and use the ECM/PCM replacement procedure in the HDS; it allows you to start the engine.
  26. If the TP POSITION CHECK failed in step  6, clean the throttle body (see THROTTLE BODY CLEANING ), then go to step 27.
  27. If the READ DATA failed in step 7 or the WRITE DATA failed in step 23, replace the engine oil (see ENGINE OIL REPLACEMENT ) and the engine oil filter (see ENGINE OIL FILTER REPLACEMENT ), ), then go to step 28.
  28. Select the PGM-FI system, and reset the ECM/PCM with the HDS.
  29. Update the ECM/PCM if it does not have the latest software (see ECM/PCM UPDATE ).
  30. Do the ECM/PCM idle learn procedure (see ECM/PCM IDLE LEARN PROCEDURE ).
  31. Do the CKP pattern clear/CKP pattern learn procedure (see CRANK (CKP) PATTERN CLEAR/CRANK (CKP) PATTERN LEARN ).