LEMON Manuals: Even more car manuals for everyone
Home >> Volvo >> 2013 >> XC90 Base, AWD >> Repair and Diagnosis >> Steering >> Steering Column >> Electrical Components - Design And Function >> The Controller Area Network (Can) (2005-2014) >> Construction Of The Network >> Resistance Measurement In High-Speed Net HS Can (High Speed), Example

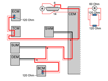
Resistance Measurement In High-Speed Net HS Can (High Speed), Example

Fig 1: Checking Resistance In CAN Lines
GLL169889Courtesy of VOLVO CARS CORPORATION