LEMON Manuals: Even more car manuals for everyone
Home >> Volvo >> 2013 >> S60 T-6 R-Design >> Repair and Diagnosis >> Engine Performance >> Engine Control Systems >> Ignition And Control Systems - Design And Function >> Engine Control Module >> Engine Control Module (ECM) [2011-2012, B5254T5] >> Function >> Camshaft Control (CVVT)

Camshaft Control (CVVT)

GLL128493Courtesy of VOLVO CARS CORPORATION

When the camshaft (A) is set at the factory, it is aligned with the position of the crankshaft (B). The position of the camshaft in relation to the crankshaft is designated the camshaft 0 position  . During camshaft (CVVT) control, the 0 position of the camshaft is advanced so that the opening and closing of the intake and exhaust valves can be changed to match the camshaft. Engine performance can be increased, idle quality increased and emissions reduced by regulating the camshaft timing changes.

There are diagnostics for this function. Also refer to: CAMSHAFT DIAGNOSTICS (CVVT)

Detecting the position of the camshaft (camshaft timing changes) 

GLL139918Courtesy of VOLVO CARS CORPORATION

In order to detect the position of the camshaft (camshaft timing) in relation to the crankshaft, the engine control module (ECM) uses the signals from the engine speed (RPM) sensor (the position of the crankshaft) and from the camshaft position (CMP) sensor (the position of the camshaft). The control module uses these two signals to determine the position of the camshaft in relation to the position of the crankshaft.

GLL128638Courtesy of VOLVO CARS CORPORATION

Detecting the camshaft flanks 

The camshaft is divided into four flanks per revolution of the camshaft (flanks 1-4). The flanks are detected by the camshaft position (CMP) sensor. The signal affects the shape of the camshaft rotor. Also refer to: DESIGN  

The teeth on the camshaft pulse wheel for camshaft flanks 1 and 4 are shorter than the other teeth. This enables the control module to determine the position of the camshaft. The control module is able to establish which combustion cycle the cylinders are in.

GLL139681Courtesy of VOLVO CARS CORPORATION

Detecting the reference positions of the camshaft 

The crankshaft has four reference positions, one for each camshaft flank. The reference positions are predetermined points on the flywheel. The reference positions are detected using the signal from the engine speed (RPM) sensor. Also refer to: DESIGN  

The camshaft turns at half the speed of the crankshaft. This means that two reference positions are detected for each turn of the crankshaft. Therefore two engine revolutions are required to detect all flanks on the camshaft.

The positions on the flywheel are designated °CA (Crank angle). 0°CA = Top dead center cylinder 1.

Flanks 3 and 4 are detected during the second revolution of the engine.

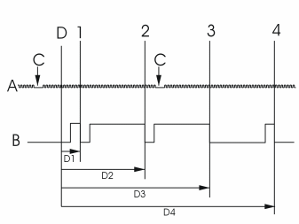
GLL128485Courtesy of VOLVO CARS CORPORATION

Detecting the position of the camshaft in relation to the position of the crankshaft 

Each camshaft flank aligns with pre-defined positions on the crankshaft when the camshaft is in its 0 position. These positions on the crankshaft are called reference positions for the flanks.

The illustration shows how the signals relate to each other when the camshaft is in its 0 position (the camshaft is not deployed).

A:  Engine speed (RPM) sensor signal.

B:  Camshaft position (CMP) sensor signal. From high to low signal when the teeth on the camshaft pulley leave the camshaft position (CMP) sensor.

C:  Low engine speed (RPM) sensor signal because of the holes in the flywheel/carrier plate.

D:  Top dead center (TDC) cylinder 1, 0°CA (84°CA after hole "C" in the flywheel/carrier plate).

1:  Detection of flank 1, reference position 47°CA "D1".

2:  Detection of flank 2, reference position 227°CA "D2".

3:  Detection of flank 3, reference position 407°CA "D3".

4:  Detection of flank 4, reference position 587°CA "D4".

If the flanks do not correspond to the reference positions on the crankshaft when the camshaft is in the 0 position (not deployed), the engine control module (ECM) will store the difference. There may be a difference from the camshaft 0 position if the timing belt is incorrectly seated or the camshaft are not correctly set for example. A mechanically damaged camshaft reset valve may prevent the camshaft moving to the 0 position when the engine control module (ECM) stores the adaptation value for the deviation of the camshaft. This may result in high deviation and a diagnostic trouble code (DTC) being stored.

Deviations can be read out in the diagnostic tool.

Regulating the camshaft position 

GLL128487Courtesy of VOLVO CARS CORPORATION

The engine control module (ECM) controls the camshaft reset valve steplessly. The valve controls the flow of engine oil to the continuous variable valve timing (CVVT) unit which is affected by the oil pressure that builds up. This allows the CVVT unit to change the position of the camshaft. Also see Control, CVVT unit and. Refer to DESIGN  .

When deploying the camshaft by for example 10°CA (the engine control module (ECM) deploys the camshaft), the detection of the camshaft flanks will be offset by 10°CA from the reference positions for the crankshaft.

The illustration shows how the signals relate to each other when the camshaft is controlled (deployed camshaft), D1 - D4 is reduced.

The engine control module (ECM) is then able to calculate the °CA (crankshaft degrees from top dead center (TDC)) that the intake valve opens and the exhaust valve closes for each cylinder. This is because the opening and closing angles are fixed and predefined in relation to the flanks on the camshaft rotor.

Intake valve's closing angle and exhaust valve's opening angle can be read off in the diagnostic tool.

The following applies when the camshafts are in their 0 position  (no deployment) :

The following applies when the camshaft is fully deployed  :

The total of the closing angle of the intake valve - (minus) the opening of the exhaust valve = the valve overlap.

Control, CVVT unit 

GLL1036414Courtesy of VOLVO CARS CORPORATION

HINT: The illustration is a view of the CVVT unit from the side and from the rear. 

1:  Timing belt pulley

2:  Lock pin with spring

3:  Rotor

4:  Rotor wings

A1:  Chamber A

B1:  Chamber B

The continuous variable valve timing (CVVT) unit allows the position of the camshaft to be adjusted relative to the crankshaft.

The camshaft is secured to the rotor (3). The rotor (and with it the camshaft) rotates in relation to the timing belt pulley (1) within set angles.

When the camshaft is in its 0 position, the timing belt pulley and the rotor are locked together by the lock pin (2). A spring-loaded lock pin slides into a hole on the inside of the end of the timing belt pulley to secure it.

Camshaft reset valve 

GLL1020887Courtesy of VOLVO CARS CORPORATION

5:  Piston with slits

6:  Return spring

A:  Channel leading to chamber A1 in the CVVT unit

B:  Channel leading to chamber B1 in the CVVT unit

C:  Channel for oil (pressure)

D:  Channel for oil (return)

The camshaft reset valve controls the oil flow to the continuous variable valve timing (CVVT) unit. The engine control module (ECM) uses a pulse width modulation (PWM) signal to control the valve. Also refer to: DESIGN  

Control takes place as follows when deploying the camshaft 

GLL1031034Courtesy of VOLVO CARS CORPORATION

HINT: The illustration is a view of the CVVT unit from the side and from the rear. 

Control takes place as follows when returning the camshaft 

GLL139690Courtesy of VOLVO CARS CORPORATION

HINT: The illustration is a view of the CVVT unit from the side and from the rear. 

The reset valve is controlled by the engine control module (ECM) at high frequency. The frequency changes for deployment and return. This ensures rapid and precise control. The extent of camshaft control (the angle of the camshaft) varies depending on the engine variant.

"Wide Range" concept 

GLL139687Courtesy of VOLVO CARS CORPORATION

Ignition timing 

The combustion of the fuel film on the cylinder walls is improved by retarding the ignition.

Retarded ignition reduces the efficiency of the engine and the heat energy which is generated is released with the exhaust gases. This is used to heat the three-way catalytic converters (TWC).

Exhaust camshaft 

By opening the exhaust valve late, combustion takes place over a relatively long period. The film of fuel on the cylinder walls combusts, reducing the exhaust emissions.

Intake camshaft 

By opening and closing the intake valve late:

Double continuous variable valve timing (CVVT) 

The CVVT on both the intake camshaft and the exhaust camshaft means that the valve overlap can be changed to a greater degree than on engines where only one of the camshafts is controlled. Valve overlap is the extent to which the intake and exhaust valves (on the same cylinder) are open at the same time.

The advantages of continuous variable valve timing (CVVT) are used in different operating conditions: