LEMON Manuals: Even more car manuals for everyone
Home >> Volvo >> 2013 >> C70 >> Repair and Diagnosis >> Steering >> Electronic Steering >> Electronics - Design And Function - 3 Of 4 >> Engine Control Module (ECM) (B5254T3; 2006-2007) >> Function >> Turbocharger (TC) Control System

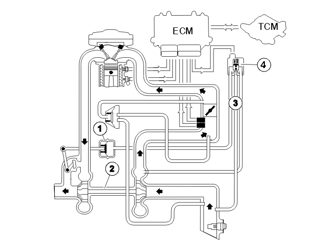
Turbocharger (TC) Control System

Fig 1: Identifying Turbocharger (TC) Control System
GLL117529Courtesy of VOLVO CARS CORPORATION

The boost pressure in the intake manifold is controlled by the boost pressure control (BPC) valves, whose pressure regulators (1) are affected by the pressure from the turbocharger (TC) (2).

The Engine Control Module (ECM) receives information about the actual throttle position via the throttle position sensor (TP) for the throttle unit (3), engine load, knocking etc. This affects the boost pressure that is permitted. The boost pressure is measured by the boost pressure sensor.

The control module regulates the control pressure using the turbocharger (TC) control valve (4), which controls the pressure to the boost pressure control (BPC) valves so that the control is adapted to the required pressure. See also: TURBOCHARGER (TC) CONTROL VALVE

The pressure regulators in the boost pressure control (BPC) valves are affected when the pressure rises. When the boost pressure has increased to the maximum permissible value, the boost pressure control (BPC) valves open. Some of the exhaust gases pass the turbine in the turbocharger (TC), limiting the boost pressure.

Turbocharger (TC) control is governed continually by the engine control module (ECM).

When a higher boost pressure is permitted, the control module opens the turbocharger (TC) control valve further. Some of the boost pressure which affects the pressure regulators for the boost pressure control (BPC) valves is released back into the turbocharger (TC) intake. This lowers the control pressure, the boost pressure control (BPC) valves open later and the boost pressure increases.

Because the control module calculates the boost pressure using the signal from the boost pressure sensor and the intake temperature sensor, there is automatic compensation of boost pressure control when driving at altitude and at different temperatures. As a result engine power will not be noticeably affected by the air density or temperature.

The engine control module (ECM) can diagnose the turbocharger (TC) control function.