LEMON Manuals: Even more car manuals for everyone
Home >> Volvo >> 2009 >> S40 T-5, AWD >> Repair and Diagnosis >> Accessories & Equipment >> Drivers Assistance Systems - ADAS >> Parking Assistance Module And Engine Control Module - Signal Specifications (544 Body) >> Fault Tracing >> Signal Missing >> Checking Resistance In Can-Net

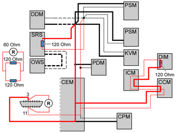
Checking Resistance In Can-Net

Fig 1: Checking Resistance In CAN-NET
GLL101080Courtesy of VOLVO CARS OF NORTH AMERICA.

Was a fault detected?