Terminating Resistor
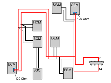
High-speed net HS CAN (High Speed), example
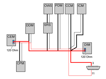
Middle speed net MS CAN (Middle Speed), example
To prevent electrical reflections and interference in the CAN-network, there are terminating resistors which bridge CAN H (High) and CAN L (Low), one at each end (main line) on both the high and middle-speed sides of the network. Each terminating resistor has a resistance of 120 ohm.
- For the HS CAN (High Speed) the terminating resistor is in the Central electronic module (CEM) and the engine control module (ECM).
- For MS CAN (Middle Speed) the terminating resistor is in the Central electronic module (CEM) and the Driver information module (DIM).
Resistance measurement of parallel circuit with terminating resistor
Both the terminating resistors create a parallel circuit The following resistors can be measured under specified conditions:
- When the control area network (CAN) is intact the resistance on each side of the network is approximately 60 ohm.
- In case of open circuits on the cables, so that 1 terminating resistor is not included in the circuit, the resistance in the net is approx. 120 ohm (only one main line is used).
- An open circuit on the cables to control modules located "outside" the measured circuit cannot be detected with this measurement.
- In case of short-circuiting between the communication cables, the resistance is approx. 0 ohm between the cables, regardless of where the short-circuiting is located.