LEMON Manuals: Even more car manuals for everyone
Home >> Volvo >> 2008 >> XC70 >> Repair and Diagnosis >> Engine Performance >> Engine Control Systems >> Electrical Modules And Components - Design And Function - 5 Of 5 >> The Controller Area Network (Can) >> Construction Of The Network >> Resistance Measurement In Middle-Speed Net Ms Can (Middle Speed), Example

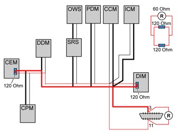
Resistance Measurement In Middle-Speed Net Ms Can (Middle Speed), Example

Fig 1: Identifying CAN-Net
GLL169920Courtesy of VOLVO CARS CORPORATION