LEMON Manuals: Even more car manuals for everyone
Home >> Volvo >> 2007 >> V70 Base, 2.4 64 >> Repair and Diagnosis >> Engine Performance >> Engine Control Systems >> Engine, Fuel & Ignition Control Systems - Removal & Installation, Specifications >> Ignition And Control Systems >> Specifications, Mechanical >> Valves

Specifications, Mechanical: Valves

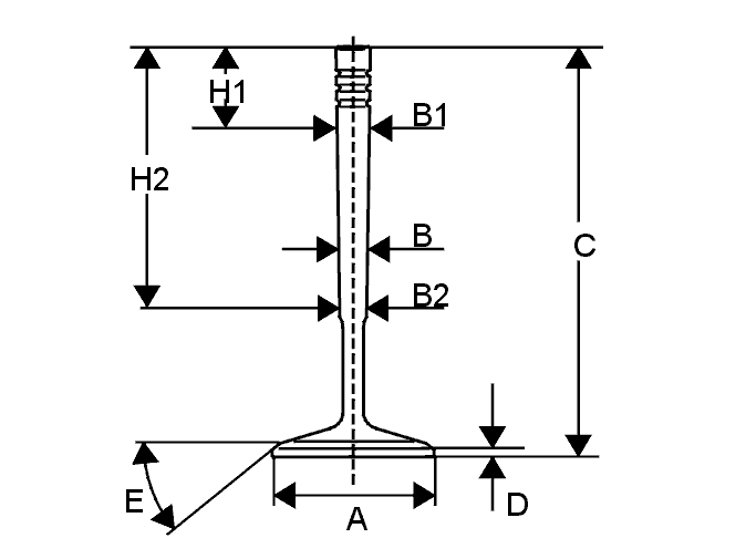
Fig 1: Valves Specifications
GLL102648Courtesy of VOLVO CARS OF NORTH AMERICA.
Valve crown diameter (A)

Inlet........31.00 0.15 mm
Exhaust........27.00 0.15 mm
Valve stem diameter (B)

Inlet........6.970 +0/-0.015mm
Valve stem diameter (B1)

Exhaust
H1 = 17.40 mm........6.963 0.007 mm
Valve stem diameter (B2)

Exhaust
H2 = 70.40 mm........6.953 0.007 mm
Total valve length (C)

Inlet........104.25 0.25 mm
Exhaust........103.30 0.25 mm
Disc edge height (D)

Inlet and exhaust........1.50 mm
Minimum height after grinding........1.20 mm
Mating surface angle (E)

Inlet and exhaust........44.5°
Fig 2: Camshaft Adjustment Tool
GLL108970Courtesy of VOLVO CARS OF NORTH AMERICA.
Valve stem vertical position

Valve stem height........48.4 0.5 mm
Maximum machining of the valve stem........0.5 mm