LEMON Manuals: Even more car manuals for everyone
Home >> Volvo >> 1984 >> 760 Base >> Repair and Diagnosis (Single Page) >> Engine Performance >> Ignition System >> Ignition System - BOSCH Hall Effect >> Testing >> Ignition System Test >> Engine Cannot Be Started

Engine Cannot Be Started

  1. Ensure that starting problem is due to ignition system malfunction. Disconnect each spark plug lead, in turn, and attach a spark plug. Ground spark plug and crank engine. If spark is present, check for fuel system or engine mechanical malfunctions.
  2. If no spark is present, check for spark at ignition coil by installing a spark plug wire and spark plug to coil tower. Ground spark plug and crank engine.
  3. If spark is present, check distributor, distributor cap, rotor, and spark plug wires. If no spark is present, check ground points (twin Black leads) on intake manifold. Make sure that connections are clean, tight, and free from corrosion. Clean or repair as necessary.
  4. Turn ignition on and measure voltage between coil (terminal 15) and ground. Voltmeter reading should be 12 volts. If voltmeter reading is zero, check wiring to ignition coil. Repair wiring as necessary.
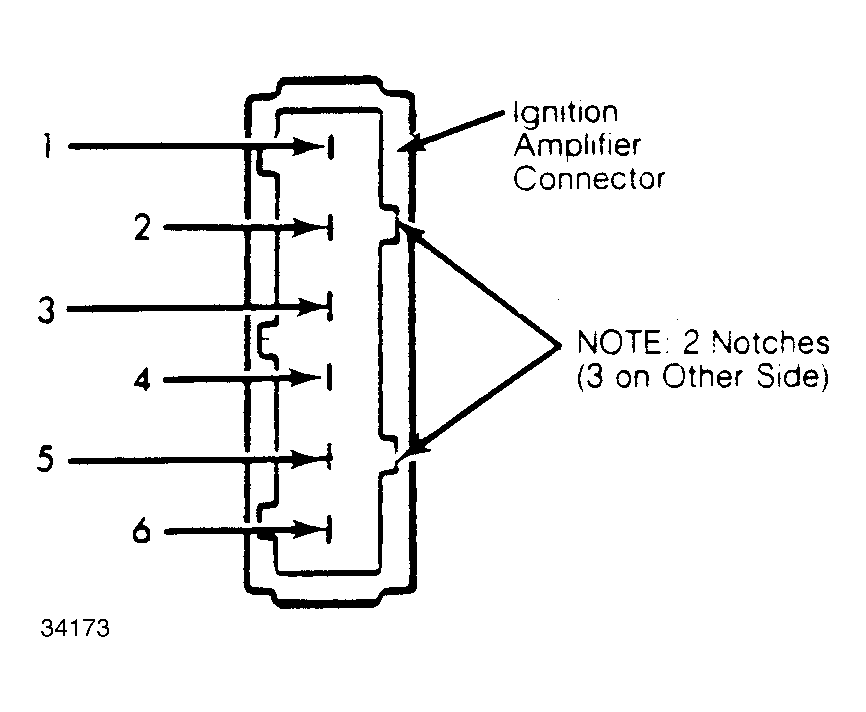
  5. Disconnect ignition amplifier. Move dust cover to one side and connect voltmeter between terminal 1 and ground, then between terminal 4 and ground. Connect probes to rear side of connector. Connector can be damaged if probes are inserted into terminals.
    Fig 1: Ignition Amplifier Connector
    G34173
  6. Voltmeter reading should be 12 volts in both terminals. If reading is correct, go to next step. If voltmeter reading is zero, check wiring to ignition amplifier. Repair wiring as necessary.
  7. Turn ignition off. Connect ohmmeter across terminal 1 and 4 to check coil primary circuit resistance. See Fig 1. Ohmmeter reading should be 0.6-0.9 ohms at 68°F (20°C). If reading is incorrect, check resistance between coil terminals (1 and 15).
    COIL RESISTANCE SPECIFICATIONS (at 68°F (20°C)

    Circuit Measure Between Terminals Resistance
    Primary 1 & 4 0.6-0.9 ohms
    Secondary 1 & Coil Tower 6500-9000 ohms
  8. If reading is now correct, repair wiring between ignition amplifier and ignition coil. If reading is still incorrect, replace ignition coil.
  9. Connect ohmmeter across terminal 1 and coil tower to check coil secondary circuit resistance. Ohmmeter reading should be 6500-9000 ohms. If reading is incorrect, replace ignition coil.
  10. Connect ohmmeter between ground and terminal 2 of ignition amplifier. See Fig 1. Ohmmeter reading should be zero ohms. If reading is incorrect, check ignition amplifier ground wire. Ground wire is connected to intake manifold.
  11. Check ignition amplifier terminal 5 shielding by making sure that shielding is connected to terminal 3. Disconnect Red/White wire and Blue wire from ignition coil terminals (1 and 15).
  12. Connect voltmeter between ground and terminal 5 of amplifier terminal. Crank engine. Voltmeter reading should be 2 volts. If okay, connect coil wires and ignition amplifier. If reading is zero volts, see step 24).
  13. Disconnect distributor 3-pin connector. Turn ignition on and measure voltage between positive terminal (Red wire) and ground. Voltmeter reading should be 12 volts. If reading is zero volts, check ignition control unit terminals 4 and 6.
    NOTE: Ignition control unit terminals 4 and 6 may be checked using steps 20) through 23) of this test.
  14. Measure voltage between center terminal (Blue wire) and ground. Voltmeter reading should be 4-6 volts. If reading is zero volts, see step 24). If any other voltage is displayed, ignition control unit is defective. Turn ignition off.
  15. Measure resistance between negative terminal (Black wire) and ground. Ohmmeter reading should be zero ohms. If ohmmeter indicates infinity, check wiring between connector and terminal 10 of ignition control unit. Also check for defective control unit ground (terminal 20). Reconnect distributor.
    NOTE: Ignition control unit ground may be checked using steps 20) and 21) of this test.
  16. Remove panel, to right of pedals, in footwell. Remove ignition control unit. Disconnect ignition control unit. Remove connector cover and side cover plates from connector. Carefully reconnect ignition control unit.
  17. Disconnect Red/White wire and Blue wire from ignition coil to prevent arcing. Turn ignition on. Connect voltmeter between ground and terminal 24 (Blue wire) at rear of ignition control unit. See Fig 2.
    Fig 2: Testing Hall Effect Switch Voltage
    G34276
  18. Turn engine crankshaft (in normal direction of rotation) with a wrench. Each time trigger wheel vane passes Hall Effect pick-up coil, voltmeter reading should be more than 1.8 volts.
  19. Voltage should drop to 0-0.7 volts between vanes. If voltage readings are incorrect, Hall Effect pick-up coil is defective. Replace pick-up coil. Turn ignition off and disconnect voltmeter.
  20. Disconnect ignition control unit. Turn ignition on. Measure voltage between terminal 6 and ground. DO NOT insert voltmeter probe into terminal, use holes on side of connector. Use only enough pressure to make a good electrical contact. Voltmeter reading should be 12 volts.
  21. Measure voltage between terminals 6 and 20. Voltmeter reading should be 12 volts. If voltage reading is zero, check ground connections at intake manifold.
    NOTE: If distributor connector is okay, it is not necessary to perform steps 22) or 23).
  22. Turn ignition off. Check continuity between terminal 1 of distributor connector and terminal 10 of ignition control unit connector. See Fig 3. Check continuity between terminal 2 of distributor connector and terminal 24 of ignition control unit connector.
  23. Check continuity between terminal 3 of distributor connector and terminal 4 of ignition control unit connector. Ohmmeter reading should be zero ohms for all 3 checks. If readings are incorrect, repair wiring as necessary.
    Fig 3: Testing Distributor-To-Ignition Control Unit Wiring
    G34175
    NOTE: If correct voltmeter reading was obtained when checking terminal 5 of ignition amplifier (step 12), it is not necessary to perform step 24).
  24. Turn ignition off. Connect ohmmeter between terminal 5 of ignition amplifier connector and terminal 16 of ignition control unit connector. If ohmmeter reading is zero ohms, wiring is okay. Replace ignition control unit.
  25. Connect ohmmeter between ground and terminal 3 of ignition control unit connector. Ohmmeter should indicate infinity. If not, terminal 3 of ignition control unit is shorted to ground. Repair wiring as necessary.
  26. Connect ohmmeter between ground and terminal 7 of ignition control unit connector. Ohmmeter reading should be zero ohms. Slightly depress accelerator pedal, ohmmeter resistance reading should increase. If not, check resistance at throttle switch to see if switch or wiring are defective.
    NOTE: Ohmmeter should never indicate infinity as throttle switch is connected in parallel with fuel system control unit.
  27. Disconnect knock sensor. Install a jumper wire at rear of connector terminals, taking care not to damage them. Check continuity between terminals 12 and 13 of ignition control unit connector. Ohmmeter reading should be zero ohms. If circuit is shorted, check each knock sensor wire separately.
    NOTE: Ensure that input wire is connected to terminal 13 and shield wire to terminal 12 of ignition control unit connector. Reversed wires will retard ignition timing which results in reduced engine performance.
  28. Connect voltmeter between ground and terminal 8 of ignition control unit connector. Turn ignition on. Voltmeter reading should be 11 volts. If voltage is zero, repair fuel system wiring or replace defective fuel system control unit.
  29. Turn ignition off. Install side plates on ignition control connector. Install rubber seal and carefully reconnect ignition control unit. Install ignition control unit and panel.
  30. If ignition system test did not reveal any faults in ignition system, install a new ignition control unit and/or ignition amplifier.