LEMON Manuals: Even more car manuals for everyone
Home >> Volkswagen >> 2004 >> GTI Base, Standard >> Repair and Diagnosis >> External Pages >> Different variant/trim >> Section 1 (2.8L & 3.2L - Generic Scan Tool, Engine Code(S): AFP, BDF, BJS [A4 Platform] (28 Ignition/Glow Plug System - St Generic Scan Tool)) >> 28 Ignition/Glow plug system >> Ignition, servicing >> Parts of the ignition (vehicles with engine code AFP), removing and installing

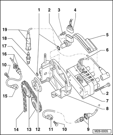
Parts of the ignition (vehicles with engine code AFP), removing and installing

WARNING: This page is about a different variant/trim than selected.
Fig 1: Overview Of Ignition Components (Vehicles With Engine Code AFP)
GW00001236Courtesy of VOLKSWAGEN UNITED STATES, INC.
NOTE:

Motronic Engine Control Module (ECM) -J220- with harness connectors. Refer to  Parts of the fuel injection (vehicles with engine code AFP), removing and installing  , item 5 

1 - O-ring 

2 - Camshaft Position (CMP) Sensor -G40-* 

3 - 10 Nm 

4 - Connector 

5 - Wire routing 

6 - Connector 

7 - Ignition Coil -N152-* 

8 - Cover piece 

9 - 3-pin harness connector 

10 - 20 Nm 

11 - Knock Sensor (KS) 2 -G66-* 

12 - Sensor wheel 

13 - Camshaft chain sprocket 

14 - Camshaft roller chain 

15 - Knock Sensor (KS) 1 -G61-* 

16 - 3-pin harness connector 

17 - 100 Nm 

18 - Spark plug, 25 Nm 

19 - Spark plug connector with ignition wire and interference suppression connector