LEMON Manuals: Even more car manuals for everyone
Home >> Volkswagen >> 1993 >> Fox Base, 1.8 A >> Repair and Diagnosis >> Engine Performance >> Remove, Overhaul & Install >> Engine Controls - Remove/Install/Overhaul >> Fuel System >> Fuel Rail & Injectors >> Installation

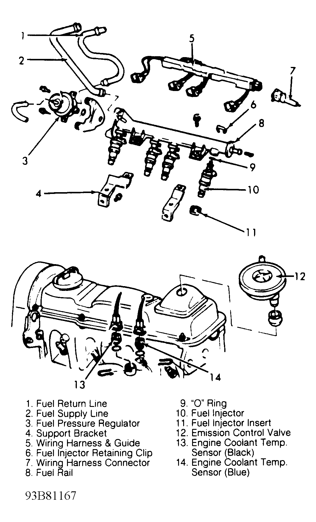
Fuel Rail & Injectors: Installation

To install injector, reverse removal procedure. Use new "O" ring when installing injector. Check for fuel leaks.

Fig 1: Exploded View Of Fuel Rail Assembly (Fox)
G93B81167Courtesy of VOLKSWAGEN UNITED STATES, INC.