LEMON Manuals: Even more car manuals for everyone
Home >> VinFast >> 2023 >> VF9 Plus >> Repair and Diagnosis (Single Page) >> Drivelines & Axles >> Wheel Hubs >> Front Suspension System And Wheel Hubs >> Description And Function >> Front Suspension Description And Function (Including Level Sensor System)

Front Suspension Description And Function (Including Level Sensor System)

Components: 

G16030905Courtesy of VINFAST, LLC
G16030906Courtesy of VINFAST, LLC

Technical Description: 

FRONT AXLE - OVERVIEW

G16030907Courtesy of VINFAST, LLC

Smart Axle:

Subframe with crash elements

G16030908Courtesy of VINFAST, LLC
G16030909Courtesy of VINFAST, LLC

Front Subframe

  1. Welded front subframe
  2. Traverse bridge
  3. Crash support brackets
G16030910Courtesy of VINFAST, LLC

Coil-Sprung Strut:

  1. Upper strut mounting assembly
  2. Steel coil spring
  3. Damper housing
  4. Stabilizer mount
  5. Damper dirt cover
G16030911Courtesy of VINFAST, LLC

Front Coil Spring:

Progressive characteristic (variable winding diameter)

G16030912Courtesy of VINFAST, LLC

Lower Control Arm:

  1. Tension front bush
  2. Tension strut
  3. LCA rear bush
  4. Lower control arm - LCA
  5. Yoke bush
  6. LCA ball joint
  7. Tension strut ball joint
G16030913Courtesy of VINFAST, LLC

Front Yoke Assembly:

  1. Front yoke
G16030914Courtesy of VINFAST, LLC

Front Knuckle:

  1. Upper control arm
  2. Upper ball joint
  3. Front knuckle
  4. Tension strut
  5. Lower control arm
  6. Front yoke
G16030915Courtesy of VINFAST, LLC

Front Stabilizer:

Reduces vehicle's roll angle created when cornering

  1. Front subframe
  2. Stabilizer link (RH)
  3. Anti roll bar
  4. Stabilizer link (LH)

Schematic Diagram: 

G16030916Courtesy of VINFAST, LLC
G16030917Courtesy of VINFAST, LLC

Air spring suspension system VFe36

Operation: 

Front Suspension

The front suspension is a double wishbone independent suspension type. The front suspension is composed of a front subframe assembly, front strut assemblies (including damping and springs), upper control arms, lower control arms, tension struts, front knuckles, stabilizer bar, stabilizer links and other accessories. The upper control arm connects to the chassis (with 2 bushings) and to the front knuckle through a ball joint.

The lower control arm and the tension strut are connected to the subframe on one end via bushing, and to the front knuckle via ball joints.

The strut assembly is supported at the upper installation point by the upper strut mounting assembly installed on the strut tower. The lower end is connected to the lower control arm. The coil spring is installed between the two spring seats of the strut assembly.

The damper is equipped with a dirt cover to prevent dirt or water from entering.

The front subframe assembly is welded by several stamped steel plates. It connects to the car body through bolts.

The front stabilizer bar connects to the subframe through mounting clamps, bushings and four bolts. The end links at both ends connect to the strut assembly. The jolting and rebound movement that affects one wheel is partially transmitted to the other wheel of the vehicle to stabilize the body rotation.

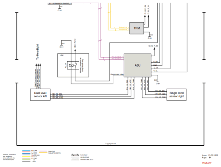
Level Sensor System

Through the connection to the chassis, the sensor detects a difference in level between the front axle and rear axle, by means of which the headlamp levelling is automatically adjusted.

G16030918Courtesy of VINFAST, LLC

Level sensor