LEMON Manuals: Even more car manuals for everyone
Home >> VinFast >> 2023 >> VF9 Plus >> Repair and Diagnosis (Single Page) >> Accessories & Equipment >> Wiper/Washer Systems >> Wipers And Washers >> Description And Function >> Wiper/Washer System Description And Function >> Schematic Diagram

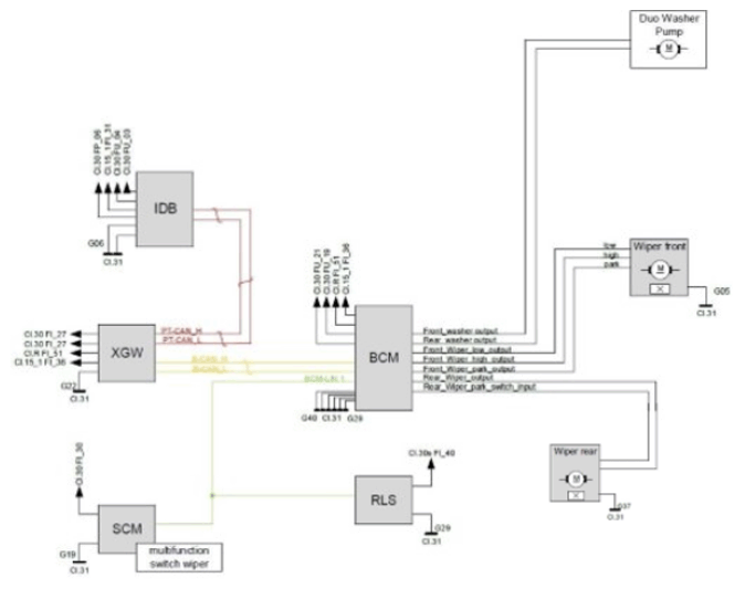
Schematic Diagram

Wipers: Electrical interface

G16023948Courtesy of VINFAST, LLC