Body Control And Data Link System Description And Function
This is an electronic control unit that manages the main body functions of the vehicle thus performing gateway functions between high and low speed CAN and between LIN and CAN networks.
Body Control Module Components:
- Body control module (BCM)
- Driver's door handle microswitch with door antenna (key fob unlocks)
- M6 nuts holding the BCM to the BMC mounting bracket
0.
Technical Description:
The BCM is one of the core control modules in the vehicle, and controls main functions such as the door lock and electrical states.
The BCM contains two CPUs, one for security and one for body control.
The same microchip type is used for both function blocks.
- Two hardware versions depending on region/market-specific radio frequencies (315 MHz or 434 MHz)
- BCM_315 (VN/NA): EEP30009011
- BCM_434 (EU): EEP30009898
- The same hardware version supports all market variants
- The BCM is located on the right-hand side below the dashboard in the passenger's footwell
Function Overview
Body control module - the BCM is the main control unit for body electrical functions:
- Lighting
- Wiper/washer
- Mirrors
- Power distribution
The integrated security module covers:
- Vehicle access (locking/unlocking)
- Secure alarm
- Immobilization
- Electrical states
Function Overview
The BCM is the core control module in the vehicle, it mainly controls the following sub functional systems:
| Functions | ECO | PLUS |
|---|---|---|
| Exterior lighting | X | X |
| Interior light | X | X |
| Ambient light | X | X |
| Front wiper | X | X |
| Rear wiper | X | X |
| Washer | X | X |
| Outside mirror function | X | X |
| TPMS | X | X |
| Wireless charger | ◦ | X |
| Sunroof control | ◦ | X |
| Foot kick sensor | ◦ | X |
| Door lock control | X | X |
| Antitheft system | X | X |
| PEPS | X | X |
| Immobilizer | X | X |
| Fail safe and Limp home mode | X | X |
| Voltage mode Management | X | X |
| Power mode management | X | X |
| Energy management | X | X |
| Controlled clamp | X | X |
| Horn | X | X |
| Rear defroster/mirror heating | X | X |
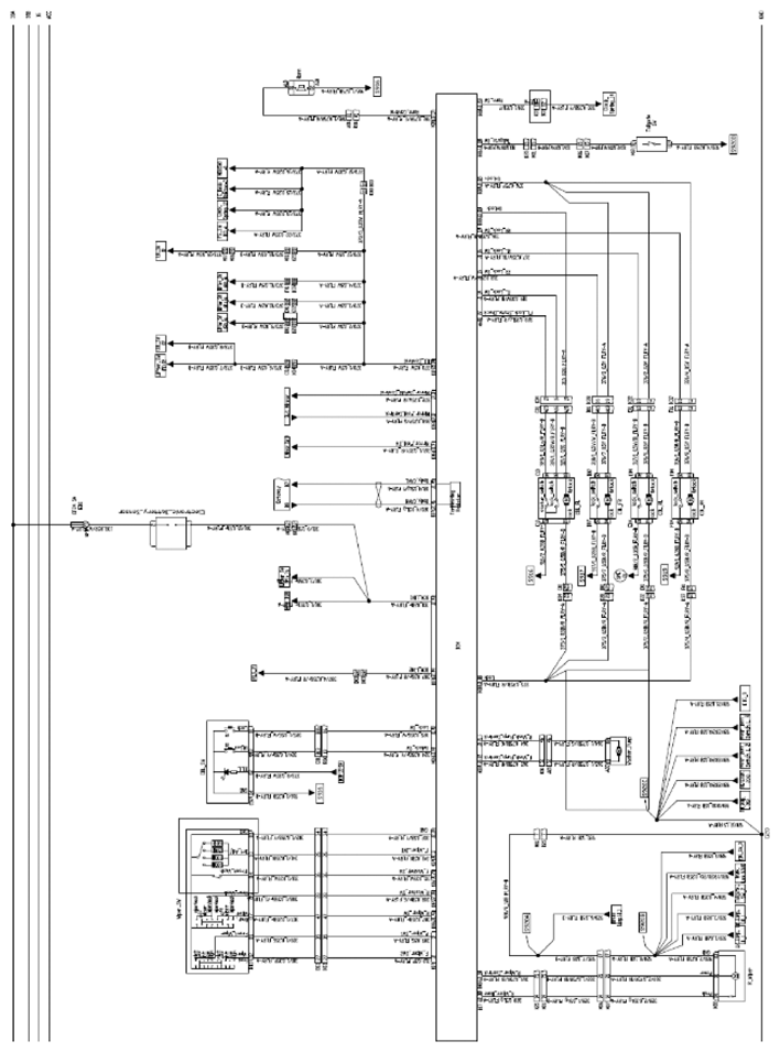
Example of Circuit Diagram (current status will be submitted later for VFe 35)
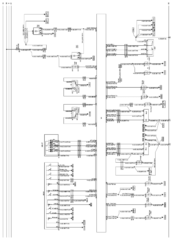
Example of Circuit Diagram (current status will be submitted later for VFe 35)
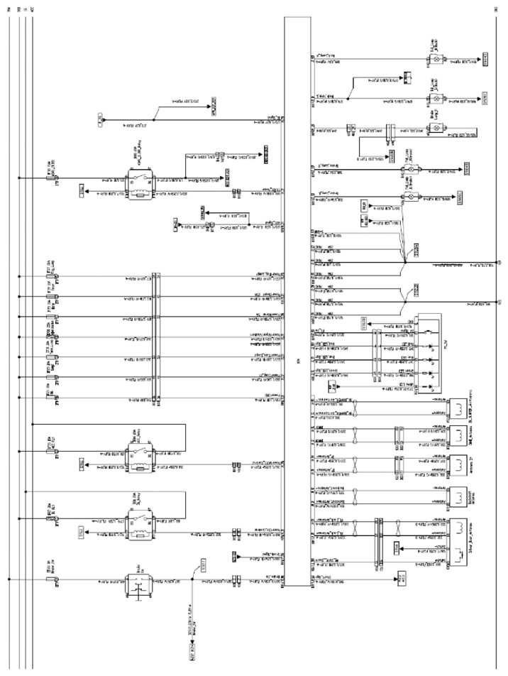
Example of Circuit Diagram (current status will be submitted later for VFe 35)
Overview/Network Position - CAN
Serial data communication networks provide a reliable, cost effective way for various components of the vehicle to "talk" to one another and share information.
The vehicle uses a number of different communication buses to insure the timely and efficient exchange of information between devices.
- Body control module - BCM is part of the body CAN and contains a CAN terminal resistor
- It receives input via CAN bus, hardwired signals and integrated antennas
- Output signals are sent to the subordinated components via CAN bus, LIN buses and hardwired cable connections
Local Interconnect Network LIN
Body control module - the BCM also uses local interconnect network - LIN to control subsidiary modules.
3 separate LIN busses are controlled
- BCM-LIN1
- BCM-LIN2
- BCM-LIN3
| Abbr | Module | LIN |
|---|---|---|
| BCM | Body control module | LIN-MASTER |
| BAS | Battery sensor (12V) | BCM-LIN1 |
| SCM | Steering column module | BCM-LIN1 |
| RLS | Rain light sensor | BCM-LIN1 |
| SRBM | Sunroof blind motor | BCM-LIN2 |
| SRGM | Sunroof glass motor | BCM-LIN2 |
| WLC | Wireless charge port | BCM-LIN2 |
| FKS | Foot kick sensor | BCM-LIN2 |
| ALM1 | Ambient light module 1 | BCM-LIN3 |
| ALM2 | Ambient light module 2 | BCM-LIN3 |
| ALM3 | Ambient light module 3 | BCM-LIN3 |
| ALM4 | Ambient light module 4 | BCM-LIN3 |
| ALM5 | Ambient light module 5 | BCM-LIN3 |