LEMON Manuals: Even more car manuals for everyone
Home >> Toyota >> 2021 >> Prius XLE AWD-e >> Repair and Diagnosis >> Engine Performance >> System >> Engine Control System - Diagnostics - Introduction (1 Of 4) >> SFI System >> System Diagram [11/2015 - 08/2019] >> System Diagram [11/2015 - 08/2019]

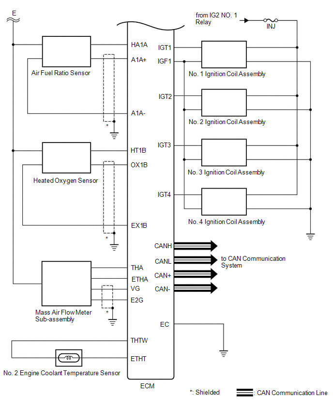
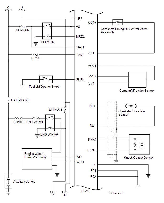
System Diagram [11/2015 - 08/2019]

GTY702368Courtesy of © TOYOTA, LICENSE AGREEMENT TMS1002
GTY596533Courtesy of © TOYOTA, LICENSE AGREEMENT TMS1002
GTY719951Courtesy of © TOYOTA, LICENSE AGREEMENT TMS1002
GTY551362Courtesy of © TOYOTA, LICENSE AGREEMENT TMS1002