LEMON Manuals: Even more car manuals for everyone
Home >> Toyota >> 2019 >> RAV4 LE, AWD >> Repair and Diagnosis >> External Pages >> Different variant/trim >> Section 133 (Engine Control System (A25A-FXS) (W/ Canister Pump Module) - Diagnostic Codes (03 Of 13)) >> SFI SYSTEM (w/ Canister Pump Module) >> DTC P0115-11: Engine Coolant Temperature Sensor 1 Circuit Short to Ground [02/2019 - 06/2020] >> Procedure

DTC P0115-11: Engine Coolant Temperature Sensor 1 Circuit Short to Ground [02/2019 - 06/2020]: Procedure

WARNING: This page is about a different variant/trim than selected.
  1. READ VALUE USING TECHSTREAM (CHECK FOR SHORT IN WIRE HARNESS) 
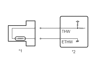
    GTY929215Courtesy of © TOYOTA, LICENSE AGREEMENT TMS1002
    *1 Engine Coolant Temperature Sensor
    *2 ECM
    1. Disconnect the engine coolant temperature sensor connector.
    2. Connect the Techstream to the DLC3.
    3. Turn the ignition switch to ON.
    4. Turn the Techstream on.
    5. Enter the following menus: Powertrain / Engine / Data List / Coolant Temperature.

      Powertrain > Engine > Data List 

      Tester Display
      Coolant Temperature
    6. According to the display on the Techstream, read the Data List.

      OK

      Techstream Display Specified Condition
      Coolant Temperature -40°C (-40°F)

      HINT: 

      Perform "Inspection After Repair" after replacing the engine coolant temperature sensor.

      Refer to INITIALIZATION [02/2019 - 10/2019] , or refer to INITIALIZATION [10/2019 - 08/2020]

      Result

      Proceed to
      OK
      NG

    Result: 

    OK 

    REPLACE ENGINE COOLANT TEMPERATURE SENSOR 

    Refer to REMOVAL [02/2019 - 08/2020]

    Result: 

    NG 

    See step  2

  2. CHECK HARNESS AND CONNECTOR (ENGINE COOLANT TEMPERATURE SENSOR - ECM) 
    1. Disconnect the engine coolant temperature sensor connector.
    2. Disconnect the ECM connector.
    3. Measure the resistance according to the value(s) in the table below.

      Standard Resistance

      Tester Connection Condition Specified Condition
      C24-2 or C45-125 (THW) - Body ground and other terminals Always 10 kΩ or higher

      Result

      Proceed to
      OK
      NG

    Result: 

    OK 

    REPLACE ECM 

    Refer to REMOVAL [02/2019 - 08/2020]

    Result: 

    NG 

    REPAIR OR REPLACE HARNESS OR CONNECTOR