LEMON Manuals: Even more car manuals for everyone
Home >> Toyota >> 2019 >> RAV4 LE, AWD >> Repair and Diagnosis >> External Pages >> Different variant/trim >> Section 115 (Engine Control System (A25A-FXS) (W/ Canister Pump Module) - Diagnostic Codes (02 Of 13)) >> SFI SYSTEM (w/ Canister Pump Module) >> DTC P00B1-11: Radiator Coolant Temperature Sensor Circuit Short to Ground [02/2019 - 06/2020] >> Procedure

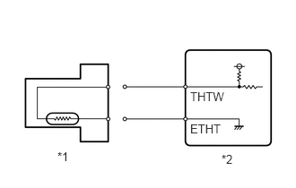
DTC P00B1-11: Radiator Coolant Temperature Sensor Circuit Short to Ground [02/2019 - 06/2020]: Procedure

WARNING: This page is about a different variant/trim than selected.
  1. READ VALUE USING TECHSTREAM (CHECK FOR SHORT IN WIRE HARNESS) 
    GTY908144Courtesy of © TOYOTA, LICENSE AGREEMENT TMS1002
    *1 No. 2 Engine Coolant Temperature Sensor
    *2 ECM
    1. Disconnect the No. 2 engine coolant temperature sensor connector.
    2. Connect the Techstream to the DLC3.
    3. Turn the ignition switch to ON.
    4. Turn the Techstream on.
    5. Enter the following menus: Powertrain / Engine / Data List / Radiator Coolant Temperature.

      Powertrain > Engine > Data List 

      Tester Display
      Radiator Coolant Temperature
    6. According to the display on the Techstream, read the Data List.

      OK

      Techstream Display Specified Condition
      Radiator Coolant Temperature -40°C (-40°F)

      Result

      Proceed to
      OK
      NG

    Result: 

    OK 

    REPLACE NO. 2 ENGINE COOLANT TEMPERATURE SENSOR. Refer to  REMOVAL [02/2019 - 08/2020] 

    Result: 

    NG 

    See step  2

  2. CHECK HARNESS AND CONNECTOR (NO. 2 ENGINE COOLANT TEMPERATURE SENSOR - ECM) 
    1. Disconnect the No. 2 engine coolant temperature sensor connector.
    2. Disconnect the ECM connector.
    3. Measure the resistance according to the value(s) in the table below.

      Standard Resistance

      Tester Connection Condition Specified Condition
      A38-2 or C45-129 (THTW) - Body ground and other terminals Always 10 kΩ or higher

      Result

      Proceed to
      OK
      NG

    Result: 

    OK 

    REPLACE ECM. Refer to  REMOVAL [02/2019 - 08/2020] 

    Result: 

    NG 

    REPAIR OR REPLACE HARNESS OR CONNECTOR