LEMON Manuals: Even more car manuals for everyone
Home >> Toyota >> 2019 >> RAV4 LE, AWD >> Repair and Diagnosis >> Engine Performance >> System >> Engine Control System (A25A-FKS) (W/O Canister Pump Module) - Diagnostics - Introduction (1 Of 2) >> SFI SYSTEM (w/o Canister Pump Module) >> System Diagram [10/2019 - 08/2020] >> System Diagram [10/2019 - 08/2020]

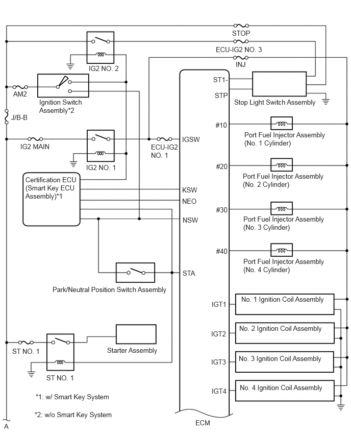
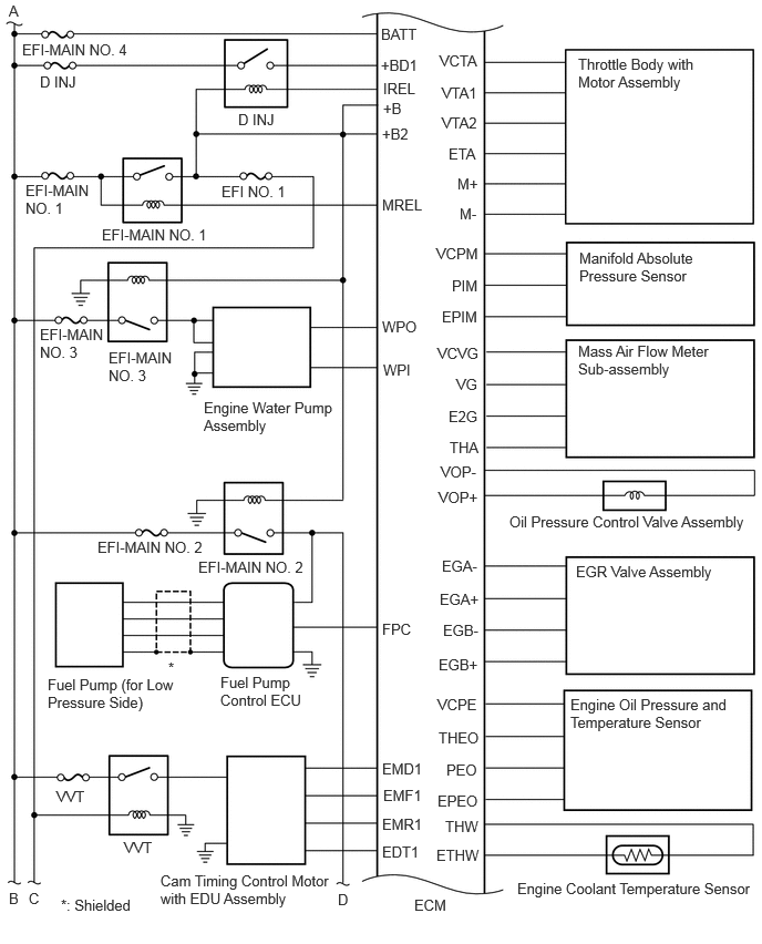
System Diagram [10/2019 - 08/2020]

GTY920486Courtesy of © TOYOTA, LICENSE AGREEMENT TMS1002
GTY939227Courtesy of © TOYOTA, LICENSE AGREEMENT TMS1002
GTY913427Courtesy of © TOYOTA, LICENSE AGREEMENT TMS1002
GTY929841Courtesy of © TOYOTA, LICENSE AGREEMENT TMS1002