LEMON Manuals: Even more car manuals for everyone
Home >> Toyota >> 2019 >> Corolla LE >> Repair and Diagnosis >> Engine Performance >> System >> Engine Control System (2ZR-FE) - Diagnostics - Introduction (Model Code: ZRE172) >> SFI System >> System Diagram [08/2016 - ] >> System Diagram [08/2016 - ]

System Diagram [08/2016 - ]

Fig 1: SFI System Circuit Diagram (1 Of 5)
GTY454286Courtesy of © TOYOTA, LICENSE AGREEMENT TMS1002
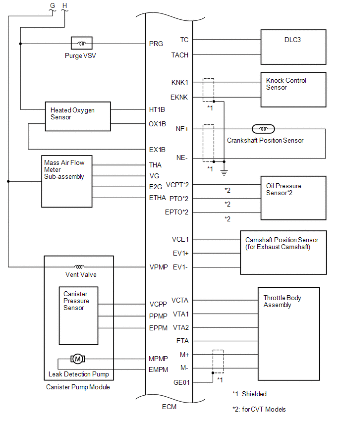
Fig 2: SFI System Circuit Diagram (2 Of 5)
GTY718887Courtesy of © TOYOTA, LICENSE AGREEMENT TMS1002
Fig 3: SFI System Circuit Diagram (3 Of 5)
GTY435098Courtesy of © TOYOTA, LICENSE AGREEMENT TMS1002
Fig 4: SFI System Circuit Diagram (4 Of 5)
GTY732861Courtesy of © TOYOTA, LICENSE AGREEMENT TMS1002
Fig 5: SFI System Circuit Diagram (5 Of 5)
GTY473311Courtesy of © TOYOTA, LICENSE AGREEMENT TMS1002