LEMON Manuals: Even more car manuals for everyone
Home >> Toyota >> 2019 >> Corolla L >> Repair and Diagnosis >> External Pages >> Different car >> Section 19 (Occupant Classification System - Diagnostics - Introduction (Model Code: ZRE172)) >> Occupant Classification System >> System Diagram [08/2016 - ] >> System Diagram [08/2016 - ]

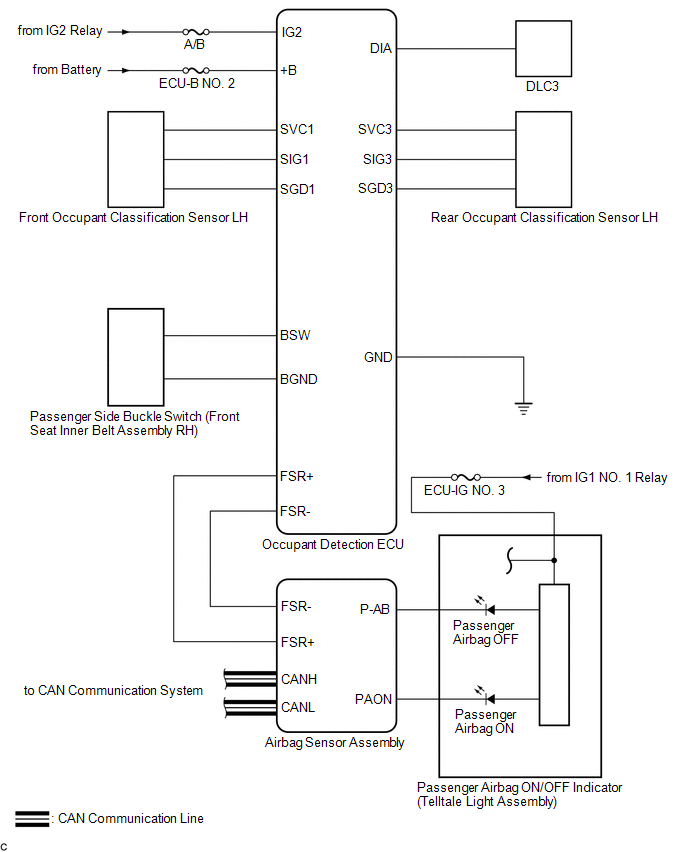
System Diagram [08/2016 - ]

WARNING: This page is about a different car, the 2018 Toyota Corolla, 2017 Toyota Corolla, 2016 Toyota Corolla, 2015 Toyota Corolla, and 2014 Toyota Corolla. However, it is still accessible from the selected car via links, so may be relevant.
Fig 1: Occupant Classification System Circuit Diagram
GTY718541Courtesy of © TOYOTA, LICENSE AGREEMENT TMS1002