LEMON Manuals: Even more car manuals for everyone
Home >> Toyota >> 2018 >> Prius Prime Plus >> Repair and Diagnosis >> Engine Performance >> Engine Control Systems >> Plug-In Charge Control System - Diagnostics - Introduction >> Plug-In Charge Control System >> System Diagram [09/2016 - ] >> System Diagram [09/2016 - ]

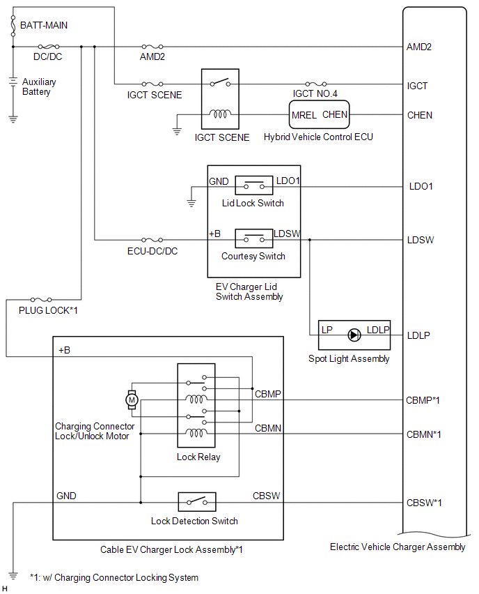
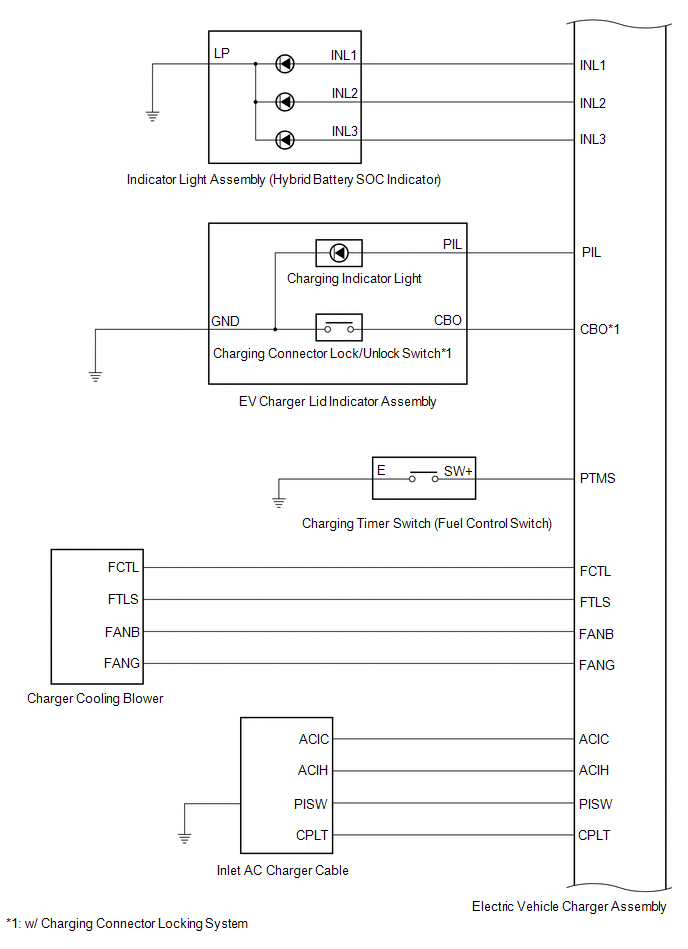
System Diagram [09/2016 - ]

GTY733120Courtesy of © TOYOTA, LICENSE AGREEMENT TMS1002
GTY696902Courtesy of © TOYOTA, LICENSE AGREEMENT TMS1002
GTY693456Courtesy of © TOYOTA, LICENSE AGREEMENT TMS1002