LEMON Manuals: Even more car manuals for everyone
Home >> Toyota >> 2017 >> Corolla SE, Standard Trans >> Repair and Diagnosis >> Restraints >> Restraints Control Systems >> Pre-Collision System - Diagnostic Codes & Circuit Tests (Model Code: ZRE172) >> Pre-Collision System >> DTC C1A4B: Stop Light Relay Circuit [08/2016 - ] >> Wiring Diagram

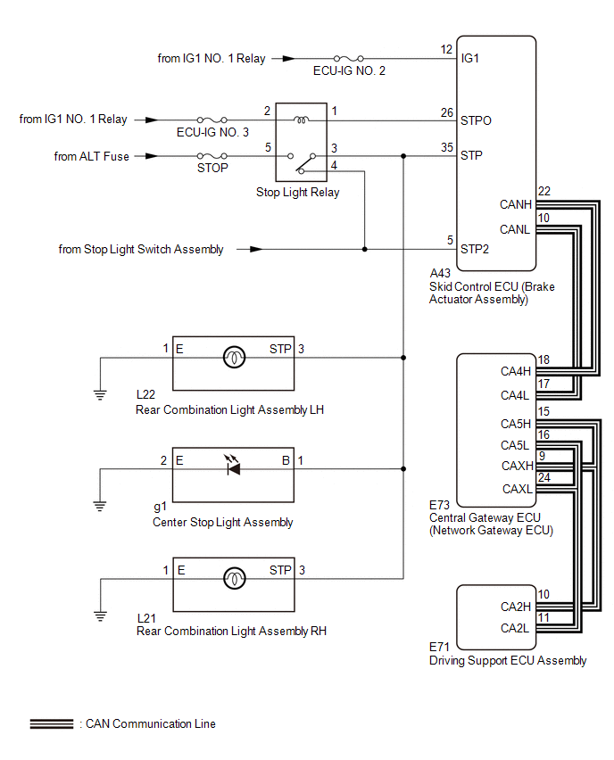
DTC C1A4B: Stop Light Relay Circuit [08/2016 - ]: Wiring Diagram

GTY722450Courtesy of © TOYOTA, LICENSE AGREEMENT TMS1002