LEMON Manuals: Even more car manuals for everyone
Home >> Toyota >> 2017 >> Corolla LE >> Repair and Diagnosis >> Steering >> Power Steering >> Power Steering System - Diagnostics - Introduction (Model Code: ZRE172) >> Power Steering System >> System Diagram [08/2016 - ] >> System Diagram [08/2016 - ]

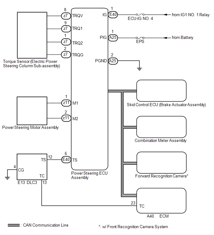
System Diagram [08/2016 - ]

Fig 1: Power Steering System Circuit Diagram
GTY713230Courtesy of © TOYOTA, LICENSE AGREEMENT TMS1002